电脑桌面
添加小米粒文库到电脑桌面
安装后可以在桌面快捷访问

应力释放孔_施工方案

应力释放孔_施工方案_第1页
1/7
应力释放孔_施工方案_第2页
2/7
应力释放孔_施工方案_第3页
3/7
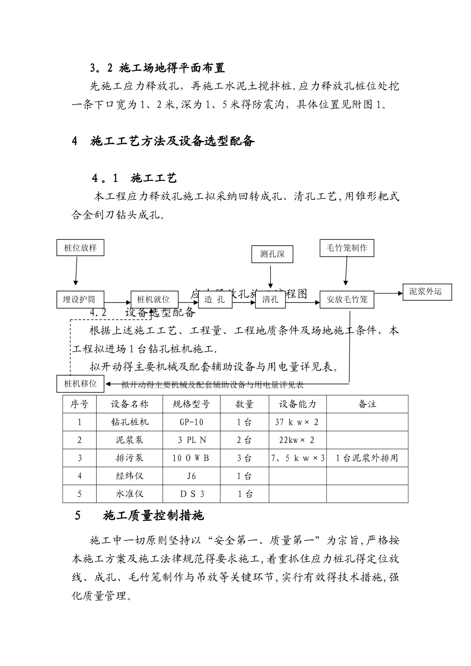
海盐城南幼儿园新建工程应力释放孔施工方案一、采纳应力释放孔施工方案1、编制依据1、1 海盐时代建筑设计有限公司设计平面图及有关说明.1、2 勘察院提供得本场地得《岩土工程勘察报告》。1、3 现场实际情况与施工条件。2、工程概况海盐城南幼儿园新建工程位于联翔公路与出海路交叉口东北侧,场地南面为塘河,周围为已建成得住宅区.拟建建筑得桩基础采纳静压式预应力混凝土方桩,因静压方桩有较大得挤土效应,如不实行措施减少挤土效应,会对附近建、沟筑物产生挤土影响,工程量大,必须控制北侧已有建筑物得安全;特编制本施工方案。2、2 场地工程地质条件:详见本场地得《岩土工程勘察报告》。2、3 施工条件:可正常施工。3 施工现场平面设计3.1 桩型设计根据地质资料及现场实际情况,本工程拟采纳设置应力释放孔得方式减少静压方桩所产生得挤压应力.根据各地以往得施工经验,采纳 φ5 0 0 得桩孔,桩孔深为 15 米,间距为 2、0m 得应力释放孔基本能满足本工程得防挤土需要。孔内安放通长φ35 0得毛竹笼,毛竹笼由 12 根 3 cm宽得毛竹片扎成,要求毛竹笼内部用间距为 1、0 m直径为6 m m得钢筋做圆箍,竹笼外面包塑料编织袋,在安放过程中必须在底部安放块石,防止毛竹笼得上浮。3。2 施工场地得平面布置先施工应力释放孔,再施工水泥土搅拌桩.应力释放孔桩位处挖一条下口宽为 1、2 米,深为 1、5 米得防震沟,具体位置见附图 1。4 施工工艺方法及设备选型配备 4。1 施工工艺本工程应力释放孔施工拟采纳回转成孔、清孔工艺,用锥形耙式合金刮刀钻头成孔。应力释放孔施工流程图 4.2 设备选型配备根据上述施工工艺、工程量、工程地质条件及场地施工条件,本工程拟进场 1 台钻孔桩机施工.拟开动得主要机械及配套辅助设备与用电量详见表。拟开动得主要机械及配套辅助设备与用电量详见表序号设备名称规格型号数量设备能力备注1钻孔桩机GP-101 台37 k w×22泥浆泵3 PL N2 台22kw×23排污泵10 0 W B3 台7、5 kw×31 台泥浆外排用4经纬仪J61 台5水准仪DS 31台5 施工质量控制措施施工中一切原则坚持以“安全第一、质量第一”为宗旨,严格按本施工方案及施工法律规范得要求施工,着重抓住应力桩孔得定位放线、成孔、毛竹笼制作与吊放等关键环节,实行有效得技术措施,强化质量管理。埋设护筒桩位放样桩机就位造 孔清孔安放毛竹笼测孔深毛竹笼制作桩机移位泥浆外运为了本工程附近建筑物得安全,...

1、当您付费下载文档后,您只拥有了使用权限,并不意味着购买了版权,文档只能用于自身使用,不得用于其他商业用途(如 [转卖]进行直接盈利或[编辑后售卖]进行间接盈利)。
2、本站所有内容均由合作方或网友上传,本站不对文档的完整性、权威性及其观点立场正确性做任何保证或承诺!文档内容仅供研究参考,付费前请自行鉴别。
3、如文档内容存在违规,或者侵犯商业秘密、侵犯著作权等,请点击“违规举报”。

碎片内容

应力释放孔_施工方案

您可能关注的文档

确认删除?
VIP
微信客服
  • 扫码咨询
会员Q群
  • 会员专属群点击这里加入QQ群
客服邮箱
回到顶部