电脑桌面
添加小米粒文库到电脑桌面
安装后可以在桌面快捷访问

应急救援器材设备配备表VIP专享

应急救援器材设备配备表_第1页
1/2
应急救援器材设备配备表_第2页
2/2
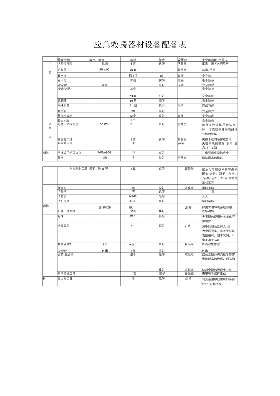
应急救援器材设备配备表物童宅惊魂格,型号歆筮就我设置此主要用途雌 术墨求个防消防岐斗昭巳固6 套良好落品窒推近、进 X 火既防护防每罩SM3L0CI20 套蕃品室防毒.用品箕全帽取 1 项岫现场安会防井安全帝网条医好现蜘安全防护景全捉5 米底好现期安全防护安金冷酒加个安全防护7Q 套乩好安全防炉鲍膜畦so 墓怪好安全防护蛔妹手在5。副良坷现场安垒岛护救生衣3®艮好安全防尹裁代呼吸耘M 个艮好现场安全防庆教生 r 染*个安全抢救侦检可燃,体构测说KF-0^171ft任好备耳室检溯 0 枚现届用增姑岸 , 体,可感整多种岛制蚪爆 气体的侬座¥尊夷警示牌1 膏良好备品宣灾爵 S 故现场警戒暂示陶离警示带通扁室夫害事故视警就,职而 反为.4 用 z 新制防手摧式干粉灭火宿MF2/ABGS4J良好井敷可燃化学酷火史裁帝%米5任好苗尺室消防用水的输送常划哗材工具.振手、泳 46 算£套良好寄昂堂笙所配车恼技术株布要求 配备?各注;瓶手、永枪、 "积核.包布、护 拓等嵩短割材工其度高车15|艮好香隹室辅助 ifi 防消防停5®良好防消防沙50Qk£皂好火火消防沙池即 nf良好措曲请防通信击 PSiZBEft告骚肝燃耳堤环境必敬防爆防尊广播原绕1*点隹好现场通借好球W 个良好灾害斯赦现场披救上出呼 限跚护折龄牌翠#个能好g 室见乎赦现场堂赛人.国, 为金屈很染,高务于材料 表囱福村,怛于洗消,* 章不噂于 iwki救生软 WS[米a 盖艮好备品京!F 高敕生作业安全熨14 米£条底好m 米医药•急尬捎卫个住好窝品宅盛放常短外怖判适学咨害也政所露的敷料,药品和隹好击诂室切割金期和担理土甘料乎动破拆工其,套隗好备晶室更害魂圻成拆雅业林无火在工具洋能好音典岛燕岳爆甲散琪埼的手前 作业.痢制材料堵掘工其£套良好寄吊堂和管道表面点 状、恸泄说田埼村作业. 无火花村理沙土孑立方源邮登气案1良好30吸附、输拄斗伸襁仲 r 玄全明 S有毒物尴宅材植1艮好1WS装魏为毒有害物埴,可防酸脱.耐球吸附材料瑚£映小范国内的吸附澄-呻 其它腐慎性童体俄消最消藏济固定式E 个佳捋消爵人受洗常*幡动式抖烟机之个础室表害现场芾择烟我诺简, 配有相应控伯坑时移句用刮灯爵爆隹。卜施aj?备曷室灾害珊晒的作业.0 明,热 厚符含作业径求成祢艳头5 案踞室粗捎笛棵邛有毒和始燃易瓣气悻以堰性嚣汽发电机爆S1DKW[曾您电机房停电应急供珥

1、当您付费下载文档后,您只拥有了使用权限,并不意味着购买了版权,文档只能用于自身使用,不得用于其他商业用途(如 [转卖]进行直接盈利或[编辑后售卖]进行间接盈利)。
2、本站所有内容均由合作方或网友上传,本站不对文档的完整性、权威性及其观点立场正确性做任何保证或承诺!文档内容仅供研究参考,付费前请自行鉴别。
3、如文档内容存在违规,或者侵犯商业秘密、侵犯著作权等,请点击“违规举报”。

碎片内容

应急救援器材设备配备表

MY shop+ 关注
实名认证
内容提供者

欢迎挑选适合自己的材料。

确认删除?
VIP
微信客服
  • 扫码咨询
会员Q群
  • 会员专属群点击这里加入QQ群
客服邮箱
回到顶部