电脑桌面
添加小米粒文库到电脑桌面
安装后可以在桌面快捷访问

建筑工程图纸代号大全

建筑工程图纸代号大全_第1页
1/8
建筑工程图纸代号大全_第2页
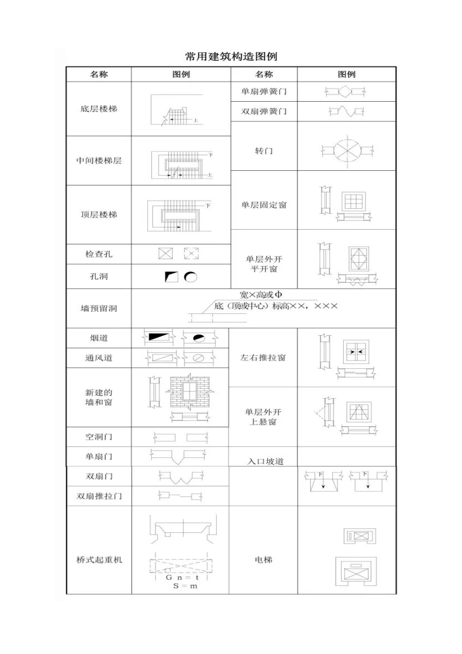
2/8
建筑工程图纸代号大全_第3页
3/8
建筑工程图纸代号大全 建筑常用构件代号大全名称代号名称代号板B屋架WJ屋面板WB托架TJ空心板KB天窗架CJ槽形板CB框架KJ折板ZB刚架GJ密肋板MB支架ZJ楼梯板TB柱Z盖板或沟盖板GB框架柱KZ挡雨板或檐口板YB构造柱GZ吊车安全走道板DB暗柱AZ墙板QB承台CT天沟板TGB基础J梁L设备基础SJ屋面梁WL桩ZH吊车梁DL挡土墙DQ单轨吊车梁DDL地沟DG轨道连接DGL柱间支撑ZC车档CD垂直支撑CC圈梁QL水平支撑SC过梁GL梯T连系梁LL雨篷YP基础梁JL阳台YT楼梯梁TL梁垫LD框架梁KL预埋件M-框支梁KZL天窗端壁TD屋面框架梁WKL钢筋网W檩条LT钢筋骨架G专业图纸代号大全代号表示SC钢管PCPVC 聚乙烯阻燃性塑料管CT桥架 WC 沿墙暗敷设WS沿墙明敷设CC沿顶板暗敷设F暗敷在地板内CE沿顶板明敷YJV电缆SYV电视线PE接地(黄绿相兼)PEN接零(蓝色)3 项线(火线)A 项(黄)B 项(绿)C 项(红)KV(电压)千伏BV散线MEB总等电位LEB局部等电位线路敷设方式代号PVC用阻燃塑料管敷设DGL用电工钢管敷设VXG用塑制线槽敷设GXG用金属线槽敷设KRG用可挠型塑制管敷设线路明敷部位代号LM沿屋架或屋架下弦敷设ZM沿柱敷设QM沿墙敷设PL沿天棚敷设线路暗敷部位代号LA暗设在梁内ZA暗设在柱内QA暗设在墙内PA暗设在屋面内或顶棚内DA暗设在地面或地板内PNA暗设在不能进入的吊顶内照明灯具安装方式代号D吸顶式L链吊式G管吊式B壁装式R嵌入式BR墙壁内安装配电线路的标注方法a——b(c×d)e——fa 表示回路编号b 表示导线型号c 表示导线根数d 表示导线截面e 表示敷设方式及穿管管径f 表示敷设部位表示 2 根导线表示 3 根导线表示 n 根导线照明灯具标注方法a灯数b型号或编号c每盏照明灯具的灯泡个数d灯泡容量,We灯泡安装高度,mf安装方式L光源种类,白炽灯或荧光灯

1、当您付费下载文档后,您只拥有了使用权限,并不意味着购买了版权,文档只能用于自身使用,不得用于其他商业用途(如 [转卖]进行直接盈利或[编辑后售卖]进行间接盈利)。
2、本站所有内容均由合作方或网友上传,本站不对文档的完整性、权威性及其观点立场正确性做任何保证或承诺!文档内容仅供研究参考,付费前请自行鉴别。
3、如文档内容存在违规,或者侵犯商业秘密、侵犯著作权等,请点击“违规举报”。

碎片内容

建筑工程图纸代号大全

您可能关注的文档

确认删除?
VIP
微信客服
  • 扫码咨询
会员Q群
  • 会员专属群点击这里加入QQ群
客服邮箱
回到顶部