电脑桌面
添加小米粒文库到电脑桌面
安装后可以在桌面快捷访问

建筑平面图的图例绘制介绍

建筑平面图的图例绘制介绍_第1页
1/6
建筑平面图的图例绘制介绍_第2页
2/6
建筑平面图的图例绘制介绍_第3页
3/6
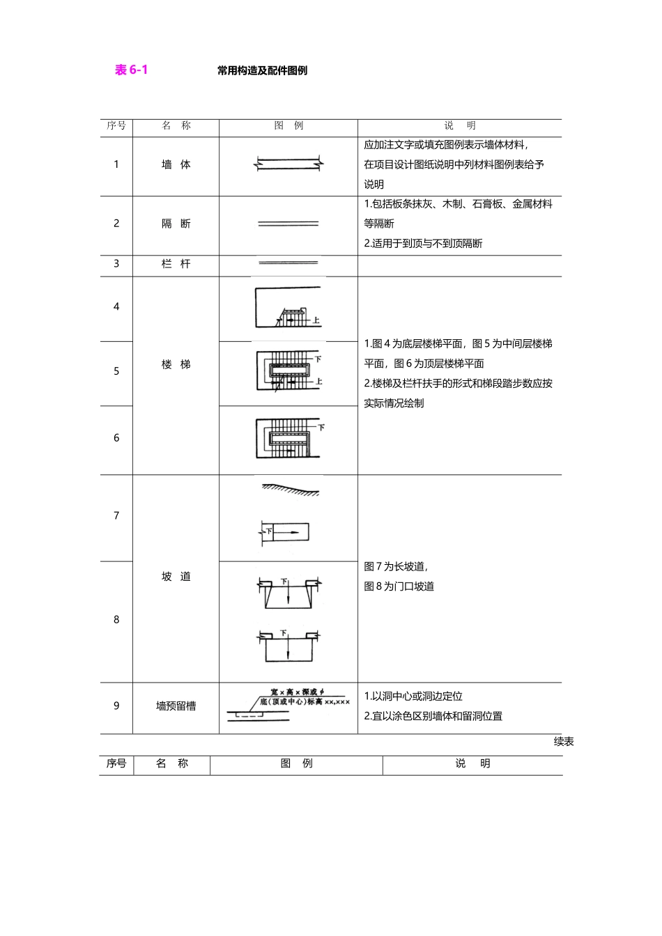
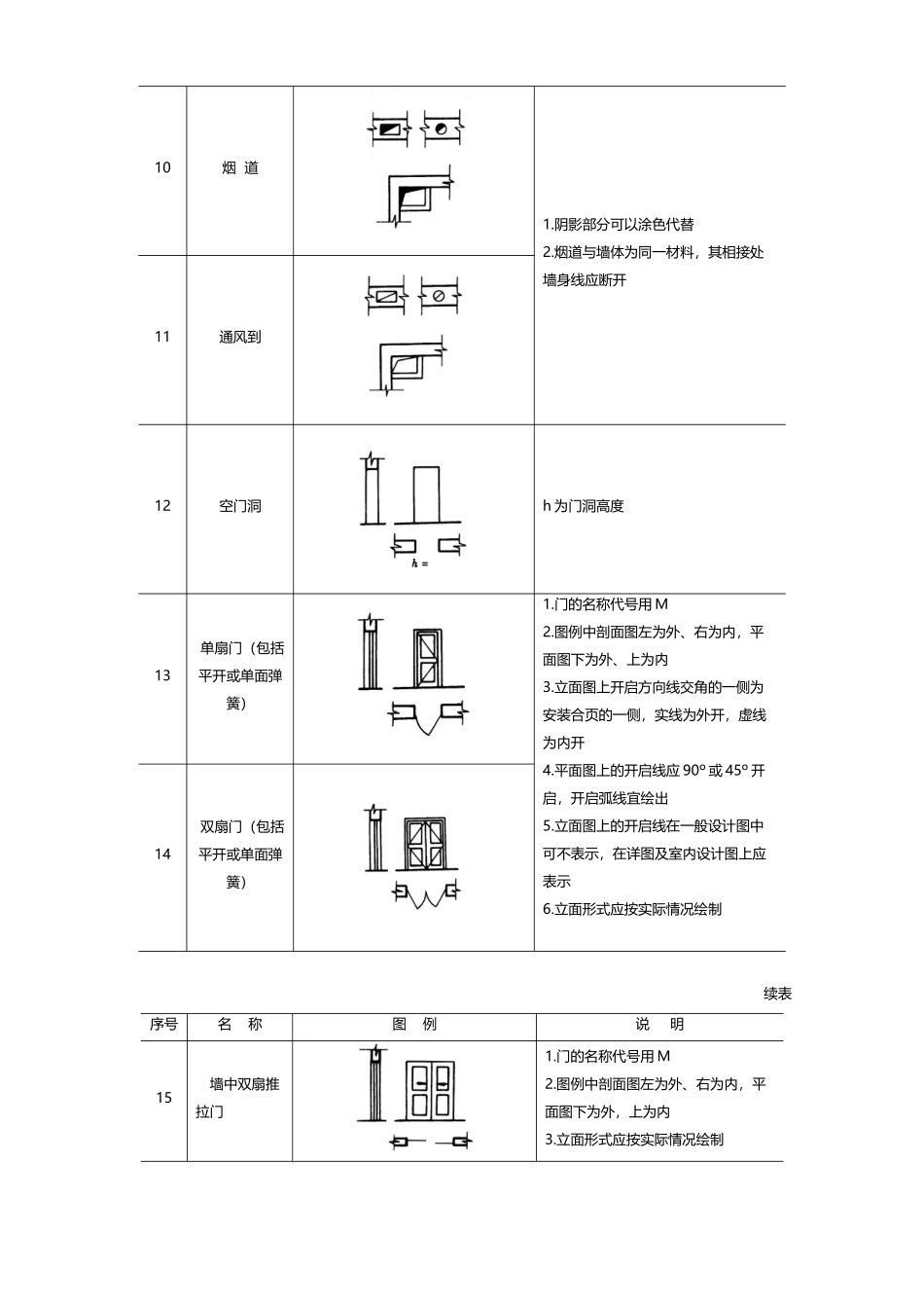
建筑平面图的图例绘制介绍(5 页)Good is good, but better carries it.精益求精,善益求善。表 6-1 常用构造及配件图例序号 名称 图例 说明1墙 体应加注文字或填充图例表示墙体材料,在项目设计图纸说明中列材料图例表给予说明2隔 断1.包括板条抹灰、木制、石膏板、金属材料等隔断2.适用于到顶与不到顶隔断3栏 杆4楼 梯1.图 4 为底层楼梯平面,图 5 为中间层楼梯平面,图 6 为顶层楼梯平面2.楼梯及栏杆扶手的形式和梯段踏步数应按实际情况绘制567坡 道图 7 为长坡道,图 8 为门口坡道89墙预留槽1.以洞中心或洞边定位2.宜以涂色区别墙体和留洞位置 续表序号名 称图 例说 明10烟 道1.阴影部分可以涂色代替2.烟道与墙体为同一材料,其相接处墙身线应断开11通风到12空门洞h 为门洞高度13 单扇门(包括平开或单面弹簧)1.门的名称代号用 M2.图例中剖面图左为外、右为内,平面图下为外、上为内3.立面图上开启方向线交角的一侧为安装合页的一侧,实线为外开,虚线为内开4.平面图上的开启线应 90º 或 45º 开启,开启弧线宜绘出5.立面图上的开启线在一般设计图中可不表示,在详图及室内设计图上应表示6.立面形式应按实际情况绘制14 双扇门(包括平开或单面弹簧) 续表序号名 称图 例说 明15墙中双扇推拉门1.门的名称代号用 M2.图例中剖面图左为外、右为内,平面图下为外,上为内3.立面形式应按实际情况绘制16墙外单扇推拉门17墙外双扇推拉门18单扇双面弹簧门1.门的名称代号用 M2.图例中剖面图左为外、右为内,平面图下为外、上为内3.立面图上开启方向线交角的一侧为安装合页的一侧,实线为外开,虚线为内开4.平面图上的开启线在一般设计图上应表示6.立面形式应按实际情况绘制19双扇双面弹簧门20单扇内外开双层门(包括平开或单面弹簧) 续表序号名 称图 例说 明21转 门1.门的名称代号用 M2.图例中剖面图左为外、右为内,平面图下为外、上为内3.平面图上门线应 90º 或 45º 开启,开启弧线宜绘出4.立面图上的开启线在一般设计图中可不表示,在详图及室内设计图上应表示5.立面形式应按实际情况绘制22竖向卷帘门23单层固定窗1.窗的名称代号用 C 表示2.立面图中的斜线表示窗的开启方向,实线为外开,虚线为内开;开启方向线交角的一侧为安装合页的一侧,一般设计图中可不表示3.图例中剖面图左为外、右为内,平面图下为外、上为内4.平面图和剖面图上的虚线仅说明开关方式,在设计图中不需要表示5....

1、当您付费下载文档后,您只拥有了使用权限,并不意味着购买了版权,文档只能用于自身使用,不得用于其他商业用途(如 [转卖]进行直接盈利或[编辑后售卖]进行间接盈利)。
2、本站所有内容均由合作方或网友上传,本站不对文档的完整性、权威性及其观点立场正确性做任何保证或承诺!文档内容仅供研究参考,付费前请自行鉴别。
3、如文档内容存在违规,或者侵犯商业秘密、侵犯著作权等,请点击“违规举报”。

碎片内容

建筑平面图的图例绘制介绍

确认删除?
VIP
微信客服
  • 扫码咨询
会员Q群
  • 会员专属群点击这里加入QQ群
客服邮箱
回到顶部