电脑桌面
添加小米粒文库到电脑桌面
安装后可以在桌面快捷访问

施工垂直运输的组织及措施

施工垂直运输的组织及措施_第1页
1/60
施工垂直运输的组织及措施_第2页
2/60
施工垂直运输的组织及措施_第3页
3/60
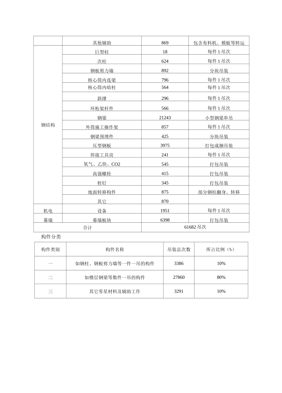
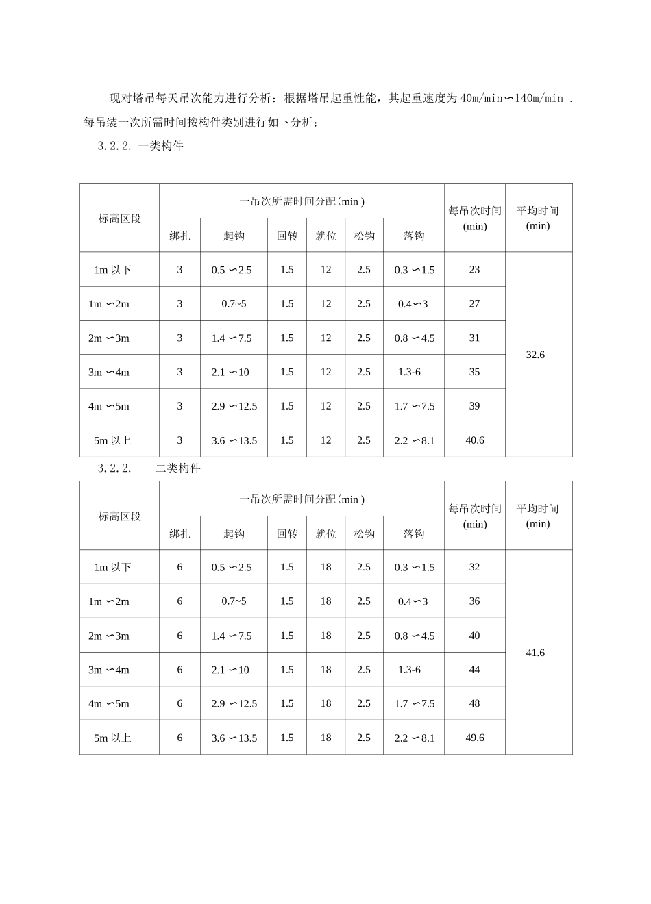
第 3 章施工垂直运输的组织及措施3.1 施工垂直运输概述垂直运输设备选用天津高新区软件和服务外包基地综合配套区-中央商务总承包工程 117 塔楼高度约为 597m,裙楼高度为 33m,总部办公楼高度约为 197m,商业廊高度约为 23m,精品商业高度约为 15m,总建筑面积约为 8470m 2。结合本工程的实际情况及工期要求,垂直运输机械拟实行以下设备:3.1.1. 塔吊117 塔楼选用 2 台 ZSL27 (编号 1#、2#)、2 台 ZSL1250 (编号 3#、4#)和 2 台 ZSL380 (编号 5#、6#)塔吊;裙楼选用原地下室施工阶段的塔吊,分别为:1 台 TC7527(编号 C4)和 1 台 STT293(编号C5)塔吊;总部办公楼选用原地下室施工阶段的塔吊,分别为:2 台 STT293 (编号 B1、B2)塔吊;商业廊和精品商业选用原地下室施工阶段的塔吊,分别为:2 台 ST70/30(编号 A3、A5)和 4 台 QTZ6516 (编号 C1、C3、C6、C8)塔吊。3.1.1. 施工电梯117 塔楼选用 9 部高速变频施工电梯(编号 1# — 9#);总部办公楼选用 2 部中速变频施工电梯(编号 10#、11#)。3.1.1. 物料提升机裙楼选用 2 台 SS1/1 物料提升机(编号 5#、6#);商业廊选用 8 台 SS1 物料提升机(编号 1#—4#、7#—10#)。3.2 塔楼塔吊垂直运输组织与管理措施吊次分析本工程共需要使用塔吊吊次约为 61682 吊次,其中钢结构使用塔吊吊共需要吊次 34537 次,占 56% ; 土建使用塔吊吊次 18796 次,占 30.5%;机电使用塔吊吊次 1951次,占 3.2%;幕墙使用塔吊吊次 6398 次,占 10.3%。将吊次按月分析如下表。作业类别构件名称吊次备注土建钢筋17927成捆吊装,部分成捆串吊其他辅助869包含布料机、模板等转运钢结构巨型柱18每件 1 吊次次柱624每件 1 吊次钢板剪力墙892分块吊装核心筒内连梁796每件 1 吊次核心筒内暗柱564每件 1 吊次斜撑296每件 1 吊次环桁架杆件566每件 1 吊次钢梁21243小型钢梁串吊外筒施工操作架857每件 1 吊次钢梁预埋件425分块吊装压型钢板3975打包成捆吊装焊接工具房241每件 1 吊次氧气、乙炔、CO2545打包吊装高强螺栓415打包吊装栓钉345打包吊装地面转移构件875部分钢柱翻身、转移其它870机电设备1951每件 1 吊次幕墙幕墙板块6398打包吊装合计61682 吊次构件分类构件类别构件名称吊装总次数所占比例(%)一如钢柱、钢板剪力墙等一件一吊的构件338610%二如楼层钢梁等数件一吊的构件2786080%三其它零星材...

1、当您付费下载文档后,您只拥有了使用权限,并不意味着购买了版权,文档只能用于自身使用,不得用于其他商业用途(如 [转卖]进行直接盈利或[编辑后售卖]进行间接盈利)。
2、本站所有内容均由合作方或网友上传,本站不对文档的完整性、权威性及其观点立场正确性做任何保证或承诺!文档内容仅供研究参考,付费前请自行鉴别。
3、如文档内容存在违规,或者侵犯商业秘密、侵犯著作权等,请点击“违规举报”。

碎片内容

施工垂直运输的组织及措施

确认删除?
VIP
微信客服
  • 扫码咨询
会员Q群
  • 会员专属群点击这里加入QQ群
客服邮箱
回到顶部