电脑桌面
添加小米粒文库到电脑桌面
安装后可以在桌面快捷访问

服务保障方案

服务保障方案_第1页
1/20
服务保障方案_第2页
2/20
服务保障方案_第3页
3/20
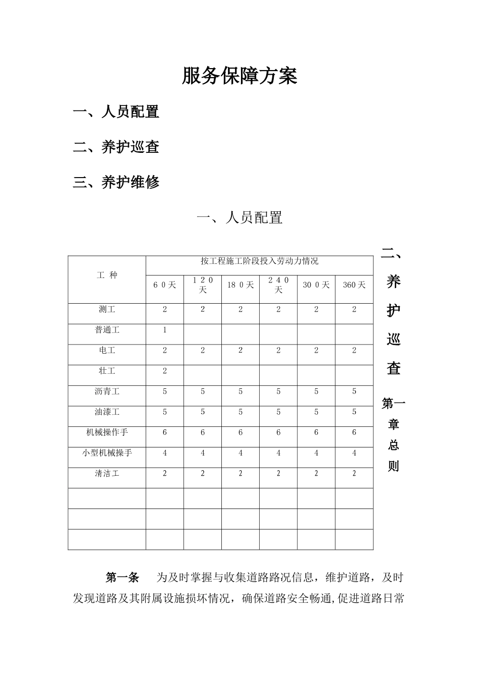
服务保障方案一、人员配置二、养护巡查三、养护维修一、人员配置二、养护巡查第一章 总 则 第一条 为及时掌握与收集道路路况信息,维护道路,及时发现道路及其附属设施损坏情况,确保道路安全畅通,促进道路日常工 种按工程施工阶段投入劳动力情况6 0天1 2 0天18 0天2 4 0天30 0天360 天测工222222普通工1电工222222壮工2沥青工555555油漆工555555机械操作手666666小型机械操手444444清洁工222222养护巡查得法律规范化、标准化,结合我团实际情况,制定本制度。 第二章 巡查内容第二条 日常巡查范围包括:道路路基、路面、桥隧构造物、沿线设施.第三条 路基巡查内容:主要巡查路基稳定性,边坡水毁情况,路肩就是否有杂物堆积,排水设施就是否齐全畅通,挡土墙等路基构造物就是否发生位移变形等。第四条 路面巡查内容:主要巡查路面有无影响交通安全得堆积物、抛撒物、油污、积水、积雪等。路面就是否有新出现影响交通安全得坑槽、拥包等明显病害。第五条 桥隧构造物巡查内容:主要观测桥面铺装有无损坏,伸缩缝、泄水孔有无堵塞,上下部结构有无破损、变形,桥梁栏杆、桥头示警桩、桥名牌、限载标志等就是否齐全洁净完好,桥下河道就是否有非法挖砂取土等现象.检查隧道有无明显渗水、灯光设施就是否完好,隧道洞口上方边坡就是否存在落石、积冰、积水,圬工体就是否破损,吊顶及内装就是否清洁、脱落,突起标志就是否损坏或表面脏污影响使用功能。第六条 沿线设施巡查内容:主要检查护栏等防护设施有无缺少损坏,各种交通标志标线(含凸起路标)有无残缺、变形、歪斜、污染、颜色不鲜亮,可变信息板有无故障,里程碑、百米桩、轮廓标、防撞桶等设施有无缺损、褪色、剥落与污染等情况。检查公路沿线绿化植物得抚育管理,记录新发现得缺株、死株、病虫害、阻碍视距、影响交通安全、遮挡标志牌等情况。 第三章 巡查要求 第七条 加强对巡查人员得培训,巡查人员应掌握巡查得内容与方法,具备一定得道路养护管理业务知识与技术技能及处理突发事件得能力.第八条 巡查人员应本着全面、细致、负责得工作态度进行道路巡查,对侵占、损坏公路、公路用地及公路设施得人与事,坚持原则,大胆管理,及时上报。第九条 道路巡查频率每周不少于 2 次,每月不少于10次,巡查时间要求每天不少于 6 小时,在汛期、冬季清雪防滑及重大活动期间,适当加大巡查频率与巡查时间.第十条 巡查人员在进行巡查工作时,必须着安全标志服,携带...

1、当您付费下载文档后,您只拥有了使用权限,并不意味着购买了版权,文档只能用于自身使用,不得用于其他商业用途(如 [转卖]进行直接盈利或[编辑后售卖]进行间接盈利)。
2、本站所有内容均由合作方或网友上传,本站不对文档的完整性、权威性及其观点立场正确性做任何保证或承诺!文档内容仅供研究参考,付费前请自行鉴别。
3、如文档内容存在违规,或者侵犯商业秘密、侵犯著作权等,请点击“违规举报”。

碎片内容

服务保障方案

不二商店+ 关注
实名认证
内容提供者

我是你的不二选择

确认删除?
VIP
微信客服
  • 扫码咨询
会员Q群
  • 会员专属群点击这里加入QQ群
客服邮箱
回到顶部