电脑桌面
添加小米粒文库到电脑桌面
安装后可以在桌面快捷访问

桩基础系梁施工方案

桩基础系梁施工方案_第1页
1/7
桩基础系梁施工方案_第2页
2/7
桩基础系梁施工方案_第3页
3/7
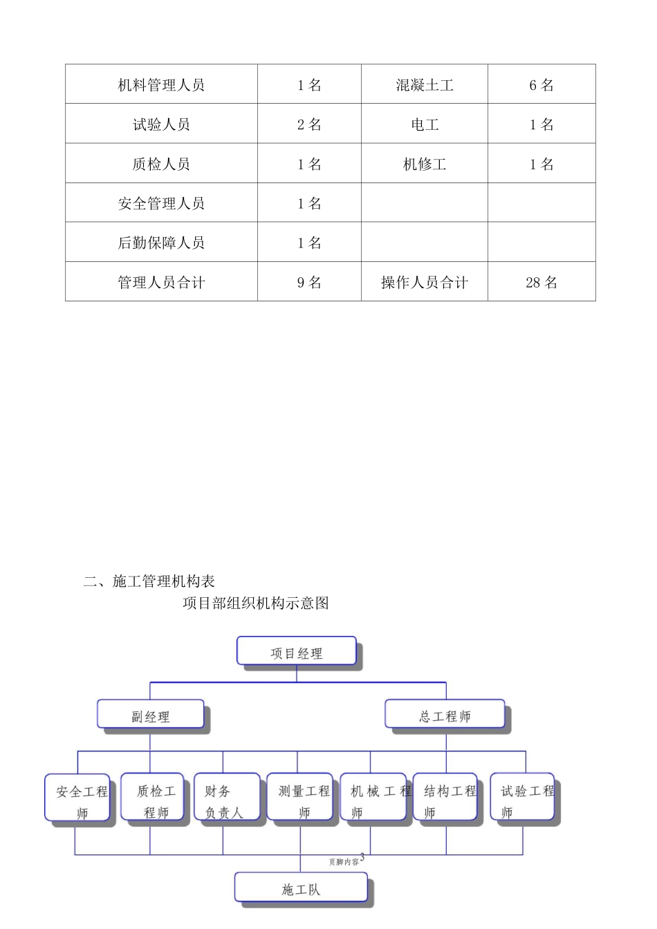
金华园(南园)A 区双号楼工程桩基础系梁施工方案一、工程概况(一)、编制依据本方案的编制依据如下:1、依据湖南省公路招标专用文件、《新化县沿江公路游家大桥工程两阶段施工 图》、交通部《公路工程国内招标文件范本》等。2、交通部颁布的现行《公路工程桥涵施工技术法律规范》、《公路工程桥涵设计法律规范》、 《公路工程质量检验评定标准》及相关的技术标准及法律规范。3、现场踏勘情况。(二)、情况说明游家大桥是新化县河西沿江公路上梅至游家段新建工程,是跨越资江支流大洋 江的一座大型桥梁,全长 228.04m,宽 12.5m,主桥设计为 30mT 梁+36m+2*60m+36m 预应力混凝土变截面悬浇连续箱梁。本工程包括路线、路基路面、桥梁工程。(三)、技术标准:桥梁荷载标准:采纳公路 I 级设计车速:60 公里/小时设计洪水频率:1/1(四)、施工条件1、施工用水、用电、便道条件沿线水资源丰富,水质纯净,人畜均可饮用,对混凝土无腐蚀作用,基本可满 足工程用水要求。施工用电采纳网电。2、材料条件砂料:选用资江河洗的河沙。石料:碎石采纳西河石场。水泥:水泥选用西河海螺牌水泥。钢材:钢材从冷钢厂购买。汽油、柴油、木材、石灰:直接从当地就近购买。水:工程施工用水采纳大洋江河水,水质清洁,对混凝土无腐蚀,用抽水泵抽水。生活用水采纳当地居民用水或打井取水。3、劳动力安排计划管理人员操作人员技术负责人1 名钢筋工8 名测量人员1 名焊工2 名现场技术员1 名模板工10 名机料管理人员1 名混凝土工6 名试验人员2 名电工1 名质检人员1 名机修工1 名安全管理人员1 名后勤保障人员1 名管理人员合计9 名操作人员合计28 名二、施工管理机构表项目部组织机构示意图三、桩基础系梁施工方案1、施工准备1)、施工现场准备根据施工现场情况,平整作业场地,清理出吊车停放位置和混泥土灌车的进出通 道。基础钢筋加工好,模板采纳定型钢模并做好防锈处理。2)、技术准备技术人员仔细学习设计图纸,掌握招标文件、施工技术法律规范,向施工人员进行 详细交底。测量人员仔细细致的批阅施工设计图纸,施放出墩柱中心点,并根据中 心点定出钢模板外缘线,并测定墩柱的浇筑高度,在安装钢模板后划出浇筑砼的高 程线。并向施工人员进行详细的书面数据交底。3)、材料准备各种主要材料生产厂家资质已经申报完成,并已批复。各种试验数据已申报完 毕,物资部门根据施工进度、计划提前 20 天进购所需物资,试验人员邀请监...

1、当您付费下载文档后,您只拥有了使用权限,并不意味着购买了版权,文档只能用于自身使用,不得用于其他商业用途(如 [转卖]进行直接盈利或[编辑后售卖]进行间接盈利)。
2、本站所有内容均由合作方或网友上传,本站不对文档的完整性、权威性及其观点立场正确性做任何保证或承诺!文档内容仅供研究参考,付费前请自行鉴别。
3、如文档内容存在违规,或者侵犯商业秘密、侵犯著作权等,请点击“违规举报”。

碎片内容

桩基础系梁施工方案

您可能关注的文档

确认删除?
VIP
微信客服
  • 扫码咨询
会员Q群
  • 会员专属群点击这里加入QQ群
客服邮箱
回到顶部