电脑桌面
添加小米粒文库到电脑桌面
安装后可以在桌面快捷访问

工业气瓶考评检查表设备设施安全考评检查表VIP免费

工业气瓶考评检查表设备设施安全考评检查表_第1页
1/41
工业气瓶考评检查表设备设施安全考评检查表_第2页
2/41
工业气瓶考评检查表设备设施安全考评检查表_第3页
3/41
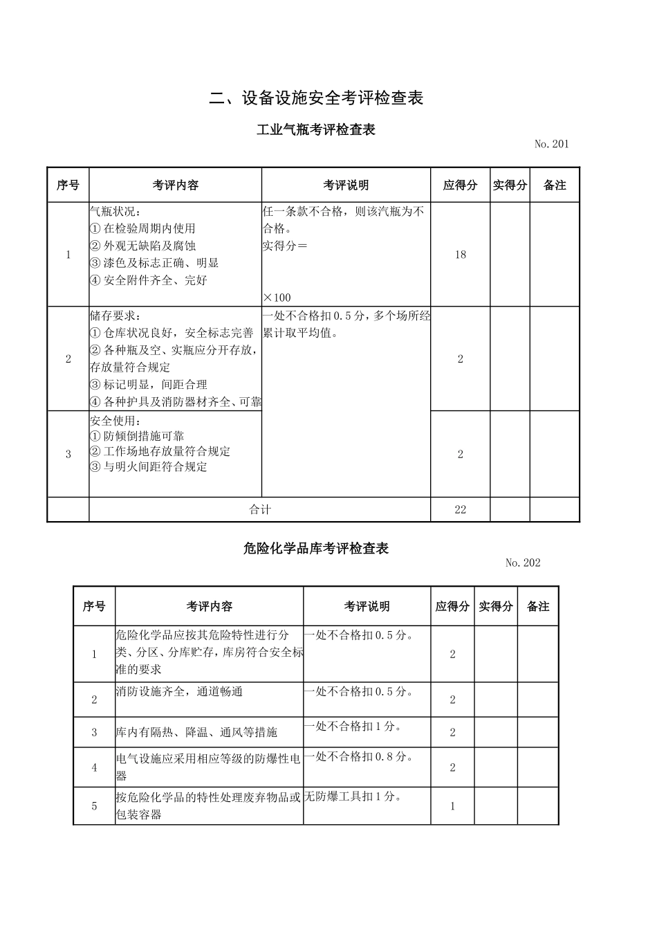
二、设备设施安全考评检查表工业气瓶考评检查表No.201序号考评内容考评说明应得分实得分备注1气瓶状况:①在检验周期内使用②外观无缺陷及腐蚀③漆色及标志正确、明显④安全附件齐全、完好任一条款不合格,则该汽瓶为不合格。实得分=×100182储存要求:①仓库状况良好,安全标志完善②各种瓶及空、实瓶应分开存放,存放量符合规定③标记明显,间距合理④各种护具及消防器材齐全、可靠一处不合格扣0.5分,多个场所经累计取平均值。23安全使用:①防倾倒措施可靠②工作场地存放量符合规定③与明火间距符合规定2合计22危险化学品库考评检查表No.202序号考评内容考评说明应得分实得分备注1危险化学品应按其危险特性进行分类、分区、分库贮存,库房符合安全标准的要求一处不合格扣0.5分。22消防设施齐全,通道畅通一处不合格扣0.5分。23库内有隔热、降温、通风等措施一处不合格扣1分。24电气设施应采用相应等级的防爆性电器一处不合格扣0.8分。25按危险化学品的特性处理废弃物品或包装容器无防爆工具扣1分。16库内有应急救援预案无应急救援预案扣1分。1合计10油库、油罐考评检查表No.203序号考评内容考评说明应得分实得分备注1油槽车需持有专用许可证,进入库区,必须装设专用排气阻火器一处不合格扣0.5分。22油罐无腐蚀、泄漏,梯子和扶栏符合安全要求一处不合格扣1分。33油罐上的液位计、呼吸阀齐全可靠、动作灵敏一处不合格扣2分。44罐体、胶质输油管等应有可靠的防雷接地和防静电接地一处不合格扣1分。25罐体与罐体之间或其它建筑物、管网、干道应留有足够的间距一处不合格扣0.5分。26库房的电气设施均应防爆一处不合格扣0.5分。27油库内应按贮存物品的种类和数量,配置足够的消防器材和灭火设施,并有相应的报警装置一处不合格扣1分。28库内使用的工具应是不产生火花的防爆工具一处不合格扣0.5分。29库内外应有醒目的安全警示标志和油品的名称、特性、数量、灭火方法等一处不合格扣0.5分。1合计20液化气站考评检查表No.204序号考评内容考评说明应得分实得分备注1罐体有产品质量证明并经定期检验合格一处不合格扣该项目应得分值。22烃泵(压缩机)各紧固件牢固无泄漏13系统管道接头无泄漏,跨接线漆色可靠正确14充装秤灵敏、准确、定期校验15防火间距符合要求,站内无杂物16喷淋降温系统完好,随时能启用27电器开关照明属低压防爆设备18水封井及防火堤合格19安全阀定期校验2合计12煤气站考评检查表No.205序号考评内容考评说明应得分实得分备注1煤气站房设计与布置合理,煤气生产、净化、加压等设备符合要求,技术资料齐全一处不合格扣该项目应得分值。得分7以下,则该煤气站考评实得分为0分。0.42设备、管道上的防爆安全装置完好。各种水封可靠,并能定期检查与校核23各种仪器、信号、报警、自控、连锁、监测装置及事故照明齐全、准确,并定期检查与校核,各种安全色标清晰24煤气加压站、混合站、抽气机室(排送间)、煤斗间等电气安装符合防爆要求25检测分析仪表与化验用有毒、有害物品应有专人、专柜管理0.46定时化验水煤气及半水煤气发生炉的总管,煤气含氧量应小于0.6%,作业环境CO浓度必须小于30mg/m30.47机械设备的防护与PE线牢固可靠28带有水夹套的煤气炉及其汽水系统应符合锅炉压力容器的有关规定0.49运行及检测记录齐全0.4合计10制氧站考评检查表No.206序号考评内容考评说明应得分实得分备注1站房门窗向外开、站房内的值班室、休息室、办公室的门窗应向里开。玻璃采用磨砂或涂白色油漆,也可搭设遮阳棚一处不合格扣该项目应得分值。12设备设施:①冷却水,润滑油供应正常;②排气管路中无积炭;③各级安全阀灵活可靠;④定期化验精馏塔中易燃易爆物质的含量;⑤凡与氧气接触的零件、工具应无油脂;⑥无液氧泄漏现象。23压力容器符合要求;贮气囊装有压力自调系统,各种减压阀、自动调节阀应灵敏、可靠,能防止超压运行24氧气管道、阀门符合要求,充装设备有导除静电装置,且定期监测;氧气、氮气的放散管应引至室外安全地点25气瓶间数量不得超过2400个;空瓶与实瓶分区存放,间距大于1.5m,并有指示牌;贮瓶间地坪必须平整、耐磨、防滑,且有防护链或瓶卡等防倾倒措施26各...

1、当您付费下载文档后,您只拥有了使用权限,并不意味着购买了版权,文档只能用于自身使用,不得用于其他商业用途(如 [转卖]进行直接盈利或[编辑后售卖]进行间接盈利)。
2、本站所有内容均由合作方或网友上传,本站不对文档的完整性、权威性及其观点立场正确性做任何保证或承诺!文档内容仅供研究参考,付费前请自行鉴别。
3、如文档内容存在违规,或者侵犯商业秘密、侵犯著作权等,请点击“违规举报”。

碎片内容

工业气瓶考评检查表设备设施安全考评检查表

确认删除?
VIP
微信客服
  • 扫码咨询
会员Q群
  • 会员专属群点击这里加入QQ群
客服邮箱
回到顶部