电脑桌面
添加小米粒文库到电脑桌面
安装后可以在桌面快捷访问

火电厂在线溶解氧表检验规程

火电厂在线溶解氧表检验规程_第1页
1/5
火电厂在线溶解氧表检验规程_第2页
2/5
火电厂在线溶解氧表检验规程_第3页
3/5
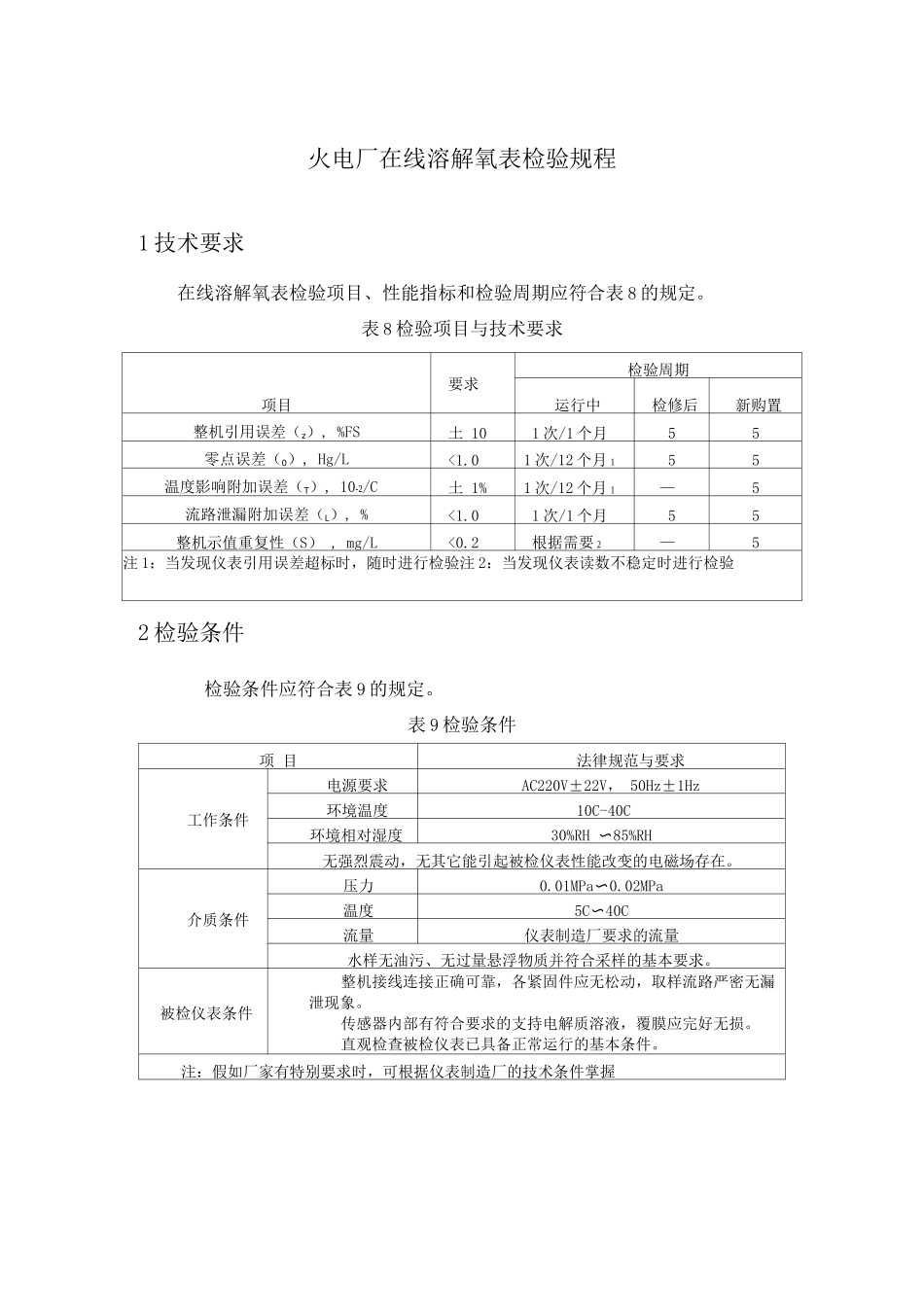
火电厂在线溶解氧表检验规程1 技术要求在线溶解氧表检验项目、性能指标和检验周期应符合表 8 的规定。表 8 检验项目与技术要求项目要求检验周期运行中检修后新购置整机引用误差(z), %FS土 101 次/1 个月55零点误差(0), Hg/L<1.01 次/12 个月 155温度影响附加误差(T), 10-2/C土 1%1 次/12 个月 1—5流路泄漏附加误差(L), %<1.01 次/1 个月55整机示值重复性(S) , mg/L<0.2根据需要 2—5注 1:当发现仪表引用误差超标时,随时进行检验注 2:当发现仪表读数不稳定时进行检验2 检验条件检验条件应符合表 9 的规定。表 9 检验条件项 目法律规范与要求工作条件电源要求AC220V±22V, 50Hz±1Hz环境温度10C-40C环境相对湿度30%RH 〜85%RH无强烈震动,无其它能引起被检仪表性能改变的电磁场存在。介质条件压力0.01MPa〜0.02MPa温度5C〜40C流量仪表制造厂要求的流量水样无油污、无过量悬浮物质并符合采样的基本要求。被检仪表条件整机接线连接正确可靠,各紧固件应无松动,取样流路严密无漏泄现象。传感器内部有符合要求的支持电解质溶液,覆膜应完好无损。直观检查被检仪表已具备正常运行的基本条件。注:假如厂家有特别要求时,可根据仪表制造厂的技术条件掌握3 检验设备与标准溶液8. 3.低浓度溶解氧标准水样制备装置(见附录 H )。8. 3.标准溶解氧表应满足以下要求:a)整机引用误差不超过土 5%FS ;b)具备温度补偿功能;温度影响附加误差不超过土 0.5%。8. 3. 32g/亚硫酸钠(Na2SO 3)+10mg/LCoCl ?溶液 1/4 整机引用误差检验将标准溶解氧表的传感器和被检氧表的传感器按图 9 所示串接在低氧浓度的水样中(如除氧器出或炉水水样),检查确认测量回路无空气漏入。将水样流量严格控制在仪表厂家要求的流速范围内。待标准表和被检表读数稳定后,分别记录标准表读数 C 和被检表读数 C ;用标准溶解氧水样制备装置向水样中加BOX 0氧增量 10 g/L 以上,待标准表和被检表读数稳定后,分别记录标准表读数 C 和B1被检表读数 C 。整机引用误差的计算方法见式(30)和式(31)。记录格式见附录 IX 1中的表 1.1C C CC C(30)X 1X 0BlB0C1%Z M(31)整机引用误差,%FS ;ZC 加氧前被检表读数,g/L;X 0C 加氧后被检表读数,g/L;X1图 9:溶解氧表整机引用误差检验示意图C 加氧前标准表读数,g/L;B0C 加氧后标准表读数,g/L;B1M 量程范围内最大值,g/L。5 零点误差检验被检仪表...

1、当您付费下载文档后,您只拥有了使用权限,并不意味着购买了版权,文档只能用于自身使用,不得用于其他商业用途(如 [转卖]进行直接盈利或[编辑后售卖]进行间接盈利)。
2、本站所有内容均由合作方或网友上传,本站不对文档的完整性、权威性及其观点立场正确性做任何保证或承诺!文档内容仅供研究参考,付费前请自行鉴别。
3、如文档内容存在违规,或者侵犯商业秘密、侵犯著作权等,请点击“违规举报”。

碎片内容

火电厂在线溶解氧表检验规程

人从众+ 关注
实名认证
内容提供者

欢迎光临小店,本店以公文和教育为主,希望符合您的需求。

确认删除?
VIP
微信客服
  • 扫码咨询
会员Q群
  • 会员专属群点击这里加入QQ群
客服邮箱
回到顶部