电脑桌面
添加小米粒文库到电脑桌面
安装后可以在桌面快捷访问

焊钉焊接施工工艺设计

焊钉焊接施工工艺设计_第1页
1/6
焊钉焊接施工工艺设计_第2页
2/6
焊钉焊接施工工艺设计_第3页
3/6
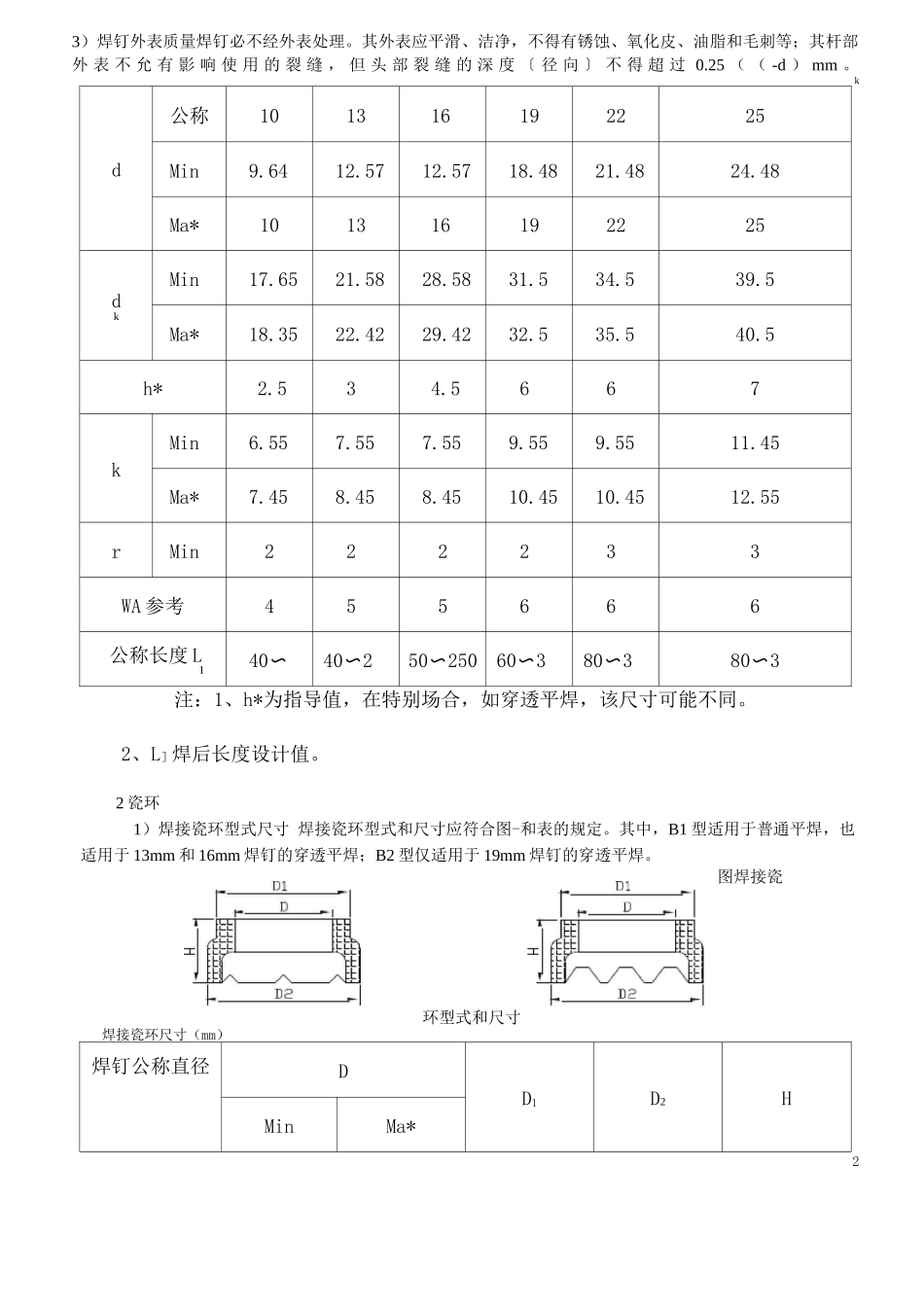
8 钢构造焊钉焊接施工工艺8.1 一般规定有用围本标准适用于各类钢构造工程中等〕的焊接施工。8.1.2 参考标准与规冷镦和挤压用钢电弧螺柱焊用圆柱头焊钉建筑工程施工质量验收统一标准钢构造工程施工质量验收规建筑钢构造焊接技术规程8.1.豺料1 焊钉1)焊钉材料的机械性能应符合表规定。公称直径为 10〜25mm 的焊钉〔圆柱头焊钉、熔焊栓钉、剪力钉GB/T6478 —21GB/T10433 —22GB503 —21GB50205 —21JGJ81—22材 料标 准机械性能ML15 、 ML15A1GB/T6478(J> 4N/2o 或 O0 2> 320N/26 夏 4%焊钉材料及机械相性能2)焊钉的形状尺寸应符合图及表的规定图焊钉的形状尺寸注:图中 1〕表示由制造者选择可制成凹穴形式。焊钉的形状尺寸(mm)3)焊钉外表质量焊钉必不经外表处理。其外表应平滑、洁净,不得有锈蚀、氧化皮、油脂和毛刺等;其杆部外 表 不 允 有 影 响 使 用 的 裂 缝 , 但 头 部 裂 缝 的 深 度 〔 径 向 〕 不 得 超 过 0.25 ( ( -d ) mm 。kd公称101316192225Min9.6412.5712.5718.4821.4824.48Ma*101316192225dkMin17.6521.5828.5831.534.539.5Ma*18.3522.4229.4232.535.540.5h*2.534.5667kMin6.557.557.559.559.5511.45Ma*7.458.458.4510.4510.4512.55rMin222233WA 参考455666公称长度 L140〜40〜250〜25060〜380〜380〜3注:1、h*为指导值,在特别场合,如穿透平焊,该尺寸可能不同。2、L]焊后长度设计值。2 瓷环1)焊接瓷环型式尺寸 焊接瓷环型式和尺寸应符合图-和表的规定。其中,B1 型适用于普通平焊,也适用于 13mm 和 16mm 焊钉的穿透平焊;B2 型仅适用于 19mm 焊钉的穿透平焊。图焊接瓷环型式和尺寸焊接瓷环尺寸(mm)焊钉公称直径DD1D2HMinMa*22)外表质量 焊接瓷环不得有露水和雨水痕迹。8.2施工准备技术准备1 施工单位应按 JGJ81 规定进展焊接工艺评定,其结果应符合设计要求和 GB50205 标准规定。2 根据工艺评定、设计和图纸深化的结果,编制施工作业指导书,做好施工技术交底。材料准备根据设计要求,选用合格的焊钉。根据焊钉的安装位置按下述要求使用配套瓷环:1 假设直接在压型钢板上安装焊钉,应使用穿透型〔B2 型〕的配套瓷环。2 假设直接在钢梁钢柱上安装焊钉,应使用普通型〔B1 型〕的配套瓷环。机具准备1 熔焊栓钉机专用设备。使用设备必须是焊接工艺评定试件制作的设备,且工艺评定结果合格。2 角向磨光机。配合施工的工具,用于安...

1、当您付费下载文档后,您只拥有了使用权限,并不意味着购买了版权,文档只能用于自身使用,不得用于其他商业用途(如 [转卖]进行直接盈利或[编辑后售卖]进行间接盈利)。
2、本站所有内容均由合作方或网友上传,本站不对文档的完整性、权威性及其观点立场正确性做任何保证或承诺!文档内容仅供研究参考,付费前请自行鉴别。
3、如文档内容存在违规,或者侵犯商业秘密、侵犯著作权等,请点击“违规举报”。

碎片内容

焊钉焊接施工工艺设计

您可能关注的文档

确认删除?
VIP
微信客服
  • 扫码咨询
会员Q群
  • 会员专属群点击这里加入QQ群
客服邮箱
回到顶部