电脑桌面
添加小米粒文库到电脑桌面
安装后可以在桌面快捷访问

煤矿采区煤仓设计手册

煤矿采区煤仓设计手册_第1页
1/4
煤矿采区煤仓设计手册_第2页
2/4
煤矿采区煤仓设计手册_第3页
3/4
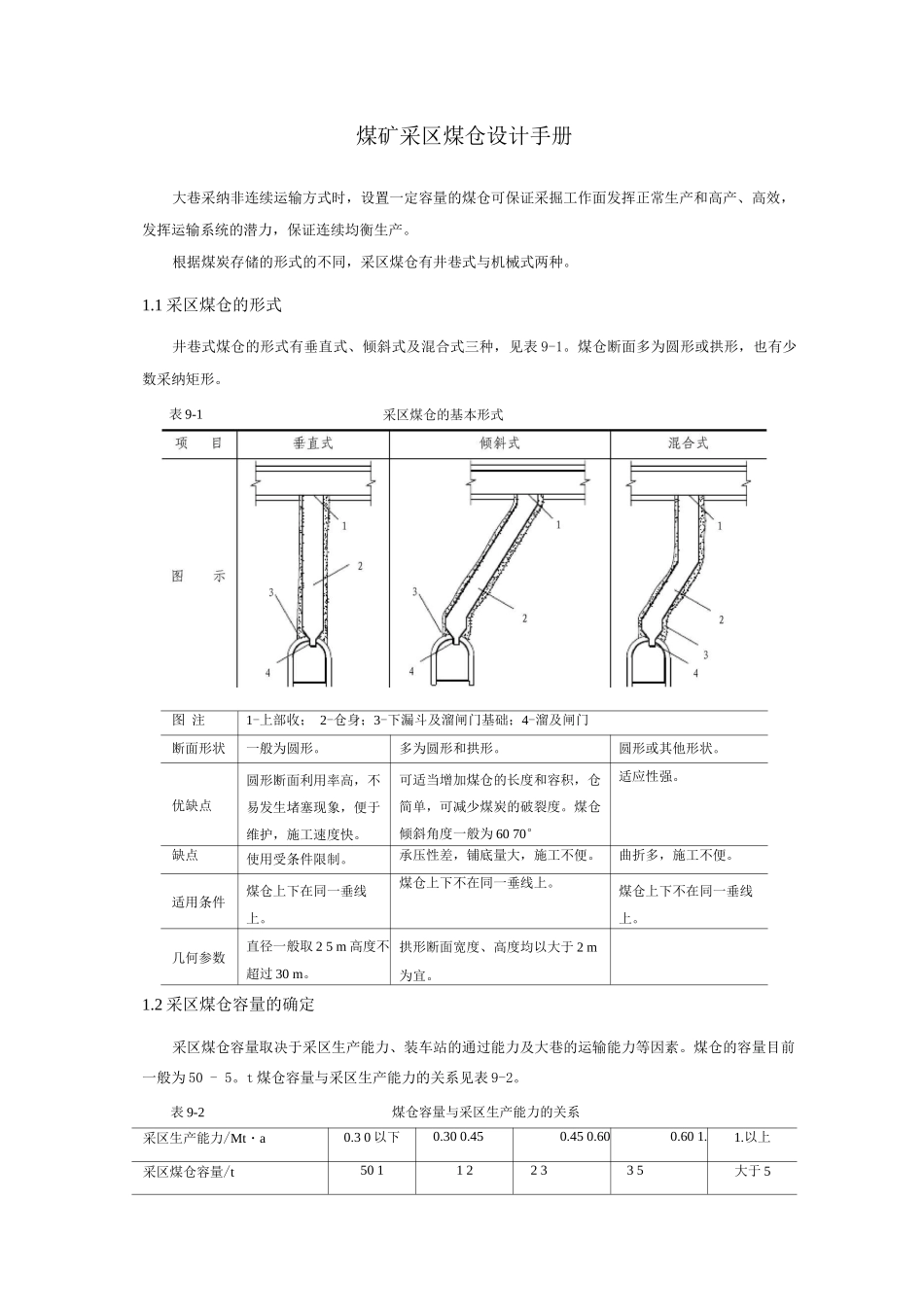
煤矿采区煤仓设计手册大巷采纳非连续运输方式时,设置一定容量的煤仓可保证采掘工作面发挥正常生产和高产、高效,发挥运输系统的潜力,保证连续均衡生产。根据煤炭存储的形式的不同,采区煤仓有井巷式与机械式两种。1.1 采区煤仓的形式井巷式煤仓的形式有垂直式、倾斜式及混合式三种,见表 9-1。煤仓断面多为圆形或拱形,也有少数采纳矩形。图 注1-上部收; 2-仓身;3-下漏斗及溜闸门基础;4-溜及闸门断面形状一般为圆形。多为圆形和拱形。圆形或其他形状。优缺点圆形断面利用率高,不易发生堵塞现象,便于维护,施工速度快。可适当增加煤仓的长度和容积,仓简单,可减少煤炭的破裂度。煤仓倾斜角度一般为 60 70°适应性强。缺点使用受条件限制。承压性差,铺底量大,施工不便。曲折多,施工不便。适用条件煤仓上下在同一垂线上。煤仓上下不在同一垂线上。煤仓上下不在同一垂线上。几何参数直径一般取 2 5 m 高度不超过 30 m。拱形断面宽度、高度均以大于 2 m为宜。1.2 采区煤仓容量的确定采区煤仓容量取决于采区生产能力、装车站的通过能力及大巷的运输能力等因素。煤仓的容量目前一般为 50 - 5。t 煤仓容量与采区生产能力的关系见表 9-2。表 9-2煤仓容量与采区生产能力的关系采区生产能力/Mt・a0.3 0 以下0.30 0.450.45 0.600.60 1.1.以上采区煤仓容量/t50 11 22 33 5大于 5表 9-1采区煤仓的基本形式采区煤仓的实际容量应该在保证正常生产和运输的前提下,工程量越小越好。根据采区生产能力和大巷运输能力,以保证采区正常生产为原则,确定采区煤仓容量的计算方法有以下三种方法。按采煤机连续作业割一刀煤的产量计算Q Q L m b C k(9-1) t式中 Q 采区煤仓容量,tQ0防空仓漏风留煤量,一般取 5 10 ; tL 工作面长度,m ;m 采高,m ;b 进刀深度,m ;Y 煤的容量,t/ms;C0工作面回采率;kt同时生产工作面系数,综采时 kt = 1 普采时 kt= 1+0.251;n 采区内同时生产的工作面数目。按运输大巷列车间隔时间内采区高峰产量计算Q Q0 Qh t a^(9-2)式中 Qh采区高峰生产能力(高峰期的小时产量一般为平均产量的 1.5 - 2.倍),t/ht.列车进入采区装车站的间隔时间,一般取高限约 20 30 mi;nad不均衡系数,综采、普实行1.15 - 1.20 炮实行 1.5 按采区高峰生产延续时间计算Q Q0 Qh Q」匕 ad(9-3)式中 Q t采区装车站通过能力,t/h(通过能力一般为平均产量的 1.0 1.倍...

1、当您付费下载文档后,您只拥有了使用权限,并不意味着购买了版权,文档只能用于自身使用,不得用于其他商业用途(如 [转卖]进行直接盈利或[编辑后售卖]进行间接盈利)。
2、本站所有内容均由合作方或网友上传,本站不对文档的完整性、权威性及其观点立场正确性做任何保证或承诺!文档内容仅供研究参考,付费前请自行鉴别。
3、如文档内容存在违规,或者侵犯商业秘密、侵犯著作权等,请点击“违规举报”。

碎片内容

煤矿采区煤仓设计手册

确认删除?
VIP
微信客服
  • 扫码咨询
会员Q群
  • 会员专属群点击这里加入QQ群
客服邮箱
回到顶部