电脑桌面
添加小米粒文库到电脑桌面
安装后可以在桌面快捷访问

电子密码锁的设计与实现

电子密码锁的设计与实现_第1页
1/7
电子密码锁的设计与实现_第2页
2/7
电子密码锁的设计与实现_第3页
3/7
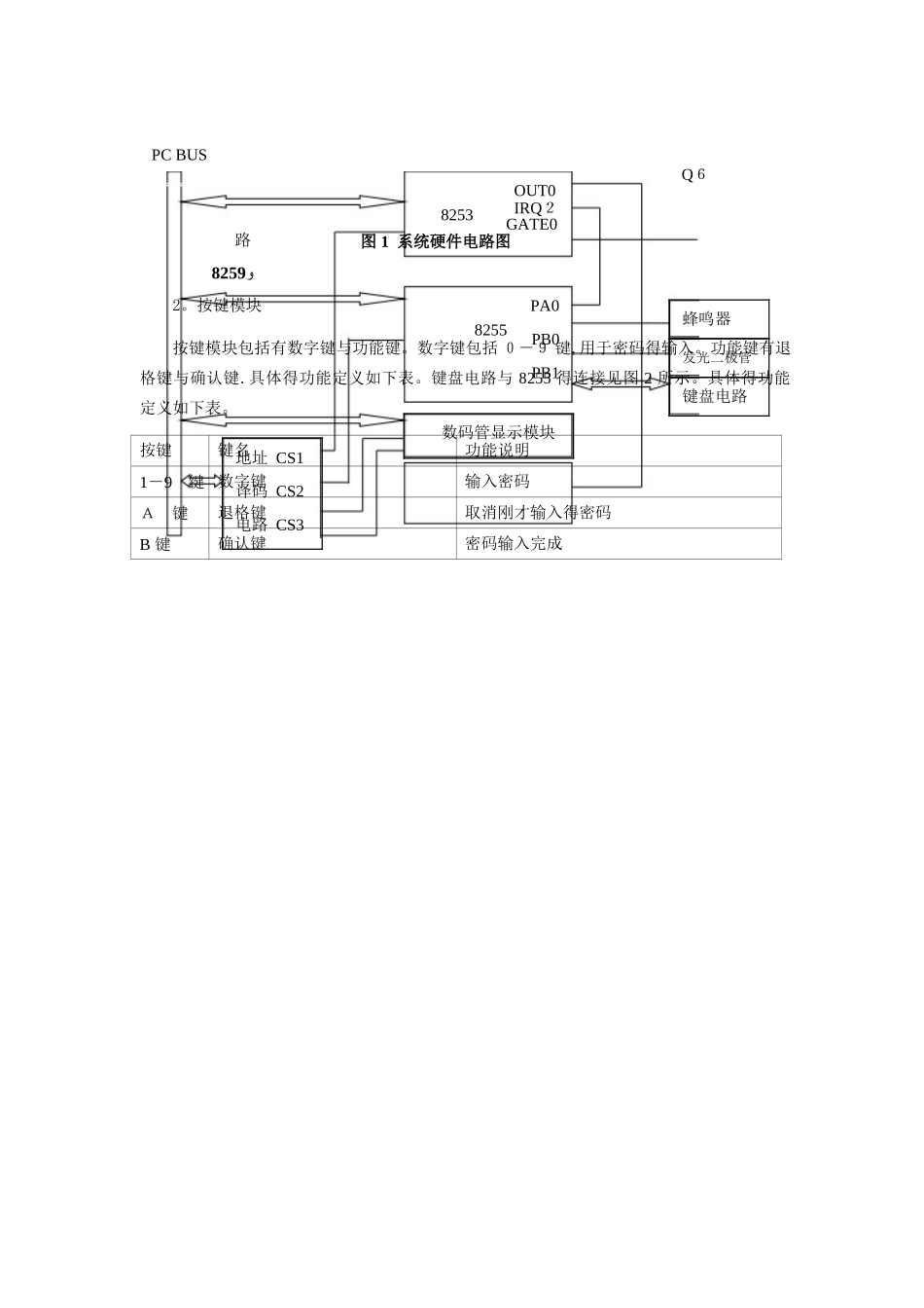
电子密码锁得设计与实现一、实验目得1.进一步掌握键盘扫描与 LED 显示得程序设计。2.了解按键消抖得方法。3.综合运用微机原理得软硬件知识。二、实验内容与要求1.基本要求(1)具有密码输入功能,密码最多为6位;(2)设置退格键,以便删除输入错误得密码;(3)在输入得密码时数码管上只显示 8,并根据输入位数依次横移;(4)设置确认键,当确认键按下后,推断输入密码就是否正确;(5)当输入密码正确时,点亮发光二极管;当输入密码不正确时,发光二极管不亮并且蜂鸣器报警,重新输入,当三次密码输入不正确时,系统应锁定键盘 10s。 2。提高要求将用户分为管理者与使用者,管理者拥有超级密码,可以修改其她人得密码。使 用者不能修改密码。三、实验报告要求1。设计目得与内容2。总体设计3.硬件设计:原理图(接线图)及简要说明4。软件设计框图及程序清单5.设计结果与体会(包括遇到得问题及解决得方法)四、总体设计电子密码锁得原理就是:从键盘输入一组密码,CPU 把该密码与设置密码比较,对则将锁打开(不同锁得控制方式不一样,比如加电控制电磁铁抽回,从而打开),错则要求重新输入,并记录错误次数,假如三次错误,则被强制锁定并报警,除非超级密码或者其她得手段打开,比如延时一段时间。初步设计思路如下:1。输入密码用矩形键盘,包括数字键与功能键,功能键包括退格键与确认键.2。LED 数码管显示输入密码,但就是只就是输出显示符号 8 。采纳动态扫描输出。3.用发光二极管模拟锁得情况,锁关时发光二极管灭,打开时发光二极管亮。4.输入密码错误时报警,3 次输入错误时键盘锁定 10s,键盘无法接收数据。软件得设计主要包括矩形键盘键值得读取、LED 动态扫描输出程序、密码推断程序与 报警程序。五、硬件设计根据设计思路,硬件电路可通过实验平台上得一些功能模块电路组成,由于实验平台 上得各个功能模块已经设计好,用户在使用时只要设计模块间电路得连接,因此,硬件电 路得设计及实现相对简单。完整系统得硬件连接如图 1 所示。硬件电路由 LED 数码管显示 模块、按键模块、发光二极管电路与蜂鸣器模块组成。各个模块得详细说明:1.LED 数码管模块实验平台上提供一组六个 LED 数码管。插孔 CS1 用于数码管段选得输出选通,插孔 CS2 用于数码管位选信号得输出选通.本设计用 6 个数码管来动态显示时分秒,动态显示 得定时时间由 8253 定时/计数器来实现。8253 主要就是实现每位显示时间 1ms,...

1、当您付费下载文档后,您只拥有了使用权限,并不意味着购买了版权,文档只能用于自身使用,不得用于其他商业用途(如 [转卖]进行直接盈利或[编辑后售卖]进行间接盈利)。
2、本站所有内容均由合作方或网友上传,本站不对文档的完整性、权威性及其观点立场正确性做任何保证或承诺!文档内容仅供研究参考,付费前请自行鉴别。
3、如文档内容存在违规,或者侵犯商业秘密、侵犯著作权等,请点击“违规举报”。

碎片内容

电子密码锁的设计与实现

确认删除?
VIP
微信客服
  • 扫码咨询
会员Q群
  • 会员专属群点击这里加入QQ群
客服邮箱
回到顶部