电脑桌面
添加小米粒文库到电脑桌面
安装后可以在桌面快捷访问

电缆敷设和绝缘电阻测试记录文本

电缆敷设和绝缘电阻测试记录文本_第1页
1/6
电缆敷设和绝缘电阻测试记录文本_第2页
2/6
电缆敷设和绝缘电阻测试记录文本_第3页
3/6
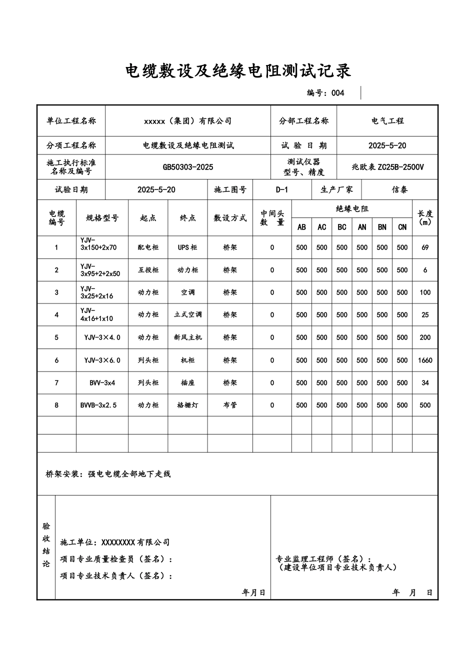
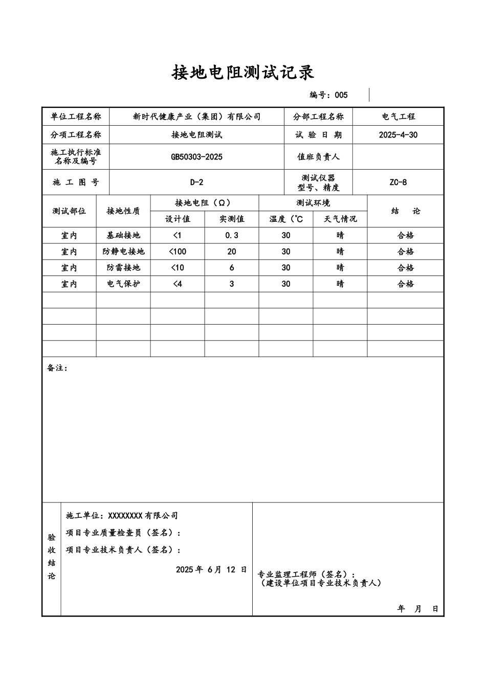
电缆敷设及绝缘电阻测试记录编号:004单位工程名称xxxxx(集团)有限公司分部工程名称电气工程分项工程名称电缆敷设及绝缘电阻测试试 验 日 期2025-5-20施工执行标准名称及编号GB50303-2025测试仪器型号、精度兆欧表 ZC25B-2500V试验日期2025-5-20施工图号D-1生产厂家信泰电缆编号规格型号起点终点敷设方式中间头数 量绝缘电阻长度(m)ABACBCANBNCN1YJV-3x150+2x70配电柜UPS 柜桥架0500500500500500500692YJV-3x95+2+2x50互投柜动力柜桥架050050050050050050063YJV-3x25+2x16动力柜空调桥架05005005005005005001004YJV-4x16+1x10动力柜立式空调桥架0500500500500500500255YJV-3×4.0动力柜新风主机桥架05005005005005005002006YJV-3×6.0列头柜机柜桥架050050050050050050016607BVV-3x4列头柜插座桥架0500500500500500500348BVVB-3x2.5动力柜格栅灯布管0500500500500500500500桥架安装:强电电缆全部地下走线验收结论施工单位:XXXXXXXX 有限公司项目专业质量检查员(签名):项目专业技术负责人(签名): 年月日 专业监理工程师(签名):(建设单位项目专业技术负责人) 年 月 日 接地电阻测试记录编号:005单位工程名称新时代健康产业(集团)有限公司分部工程名称电气工程分项工程名称接地电阻测试试 验 日 期2025-4-30施工执行标准名称及编号GB50303-2025值班负责人施 工 图 号D-2测试仪器型号、精度ZC-8测试部位接地性质接地电阻(Ω)测试环境结 论设计值实测值温度(℃天气情况室内基础接地<10.330晴合格室内防静电接地<1002030晴合格室内防雷接地<10630晴合格室内电气保护<4330晴合格备注:验收结论施工单位:XXXXXXXX 有限公司项目专业质量检查员(签名):项目专业技术负责人(签名):2025 年 6 月 12 日专业监理工程师(签名):(建设单位项目专业技术负责人) 年 月 日照明全负荷通电试运行记录编号:006单位工程名称新时代健康产业(集团)有限公司分部工程名称电气工程分项工程名称照明通电试运行试 验 日 期2025-6-13施工执行标准名称及编号GB50303-2025值班负责人施 工 图 号D-3试运行日期2025-6-13盘柜编号测试电 流值(A) 时间动力柜UPS 输出柜 1UPS 输出柜 2ABCABCABC2410910000000试运行结论: 合格验收结论施工单位:XXXXXXXX 有限公司项目专业质量检查员(签名):项目专业技术负责人(签名): 年 月 日专业监理工程师(签名):(建设单位项目专业技术负责人) 年 月...

1、当您付费下载文档后,您只拥有了使用权限,并不意味着购买了版权,文档只能用于自身使用,不得用于其他商业用途(如 [转卖]进行直接盈利或[编辑后售卖]进行间接盈利)。
2、本站所有内容均由合作方或网友上传,本站不对文档的完整性、权威性及其观点立场正确性做任何保证或承诺!文档内容仅供研究参考,付费前请自行鉴别。
3、如文档内容存在违规,或者侵犯商业秘密、侵犯著作权等,请点击“违规举报”。

碎片内容

电缆敷设和绝缘电阻测试记录文本

人从众+ 关注
实名认证
内容提供者

欢迎光临小店,本店以公文和教育为主,希望符合您的需求。

确认删除?
VIP
微信客服
  • 扫码咨询
会员Q群
  • 会员专属群点击这里加入QQ群
客服邮箱
回到顶部