电脑桌面
添加小米粒文库到电脑桌面
安装后可以在桌面快捷访问

链板式运输机传动装置设计和实现 机械制造专业VIP免费

链板式运输机传动装置设计和实现 机械制造专业_第1页
1/49
链板式运输机传动装置设计和实现 机械制造专业_第2页
2/49
链板式运输机传动装置设计和实现 机械制造专业_第3页
3/49
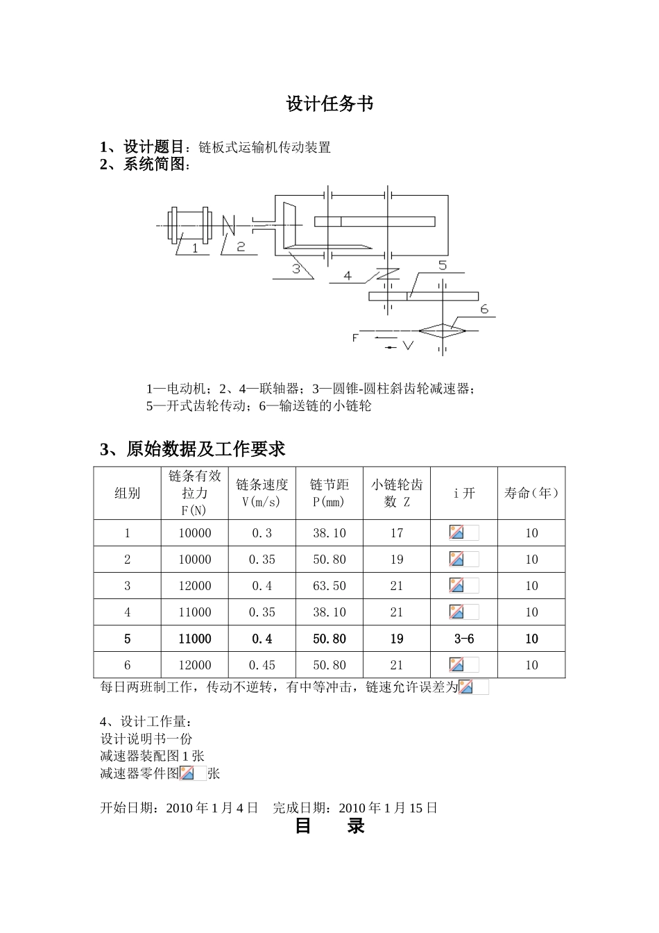
设计任务书1、设计题目:链板式运输机传动装置2、系统简图:1—电动机;2、4—联轴器;3—圆锥-圆柱斜齿轮减速器;5—开式齿轮传动;6—输送链的小链轮3、原始数据及工作要求组别链条有效拉力F(N)链条速度V(m/s)链节距P(mm)小链轮齿数Zi开寿命(年)1100000.338.1017102100000.3550.8019103120000.463.5021104110000.3538.1021105110000.450.80193-6106120000.4550.802110每日两班制工作,传动不逆转,有中等冲击,链速允许误差为4、设计工作量:设计说明书一份减速器装配图1张减速器零件图张开始日期:2010年1月4日完成日期:2010年1月15日目录1、设计要求…………………………………………………………………12、选择电动机…………………………………………………………………13、计算传动装置的运动和动力参数…………………………………………14、传动件的设计计算…………………………………………………………24.1圆锥直齿齿轮设计……………………………………………………24.2圆柱斜齿轮设计………………………………………………………64.3开式齿轮………………………………………………………………115、轴的设计计算……………………………………………………………155.1输入轴设计………………………………………………………………155.2中间轴设计……………………………………………………………215.3输出轴设计……………………………………………………………296、滚动轴承的选择及计算…………………………………………………366.1输入轴滚动轴承计算…………………………………………………366.2中间轴滚动轴承计算……………………………………………………376.3输出轴滚动轴承计算……………………………………………………387、键联接的选择及校核计算…………………………………………………397.1输入轴键计算…………………………………………………………397.2中间轴键计算…………………………………………………………397.3输出轴键计算…………………………………………………………408联轴器的选择………………………………………………………………409、润滑与密封………………………………………………………………4110、设计小结……………………………………………………………………42参考文献……………………………………………………………………43附录:A输出轴零件图一张A斜齿圆柱齿轮零件图一张A减速器装配图一张1、设计要求设计一用于链板式运输机传动装置,其为圆锥-圆柱斜齿齿轮减速器。链条有效拉力F=11000N,链速V=0.4m/s,链节距为50.80mm。每日两班制,寿命10年,传动不逆转,有中等冲击,链速允许误差为5%。2、选择电动机2.1电动机类型和结构形式;2.2电动机容量2.2.1链轮的输出功率由F=1000,知2.2.2电动机输出功率Pd=Pw/η取η1=0.96(链轮),η2=0.96(开齿轮),η3=0.99(联轴器),η4=0.988(滚动轴承),η5=0.96(圆锥齿轮);η=0.97(圆柱齿轮)η=η1η2(η3)(η4)η5η6=0.80故Pd=4.4/0.80=5.5KW;2.23电动机额定功率由此可知选取型号为Y132S-4,功率为5.5KW,n=1440r/min.3、计算传动装置的运动和动力参数3.1对于链轮输出功率与转速V=可知n==24.87r/min3.2传动装置的总传动比I=n/n=1440/24.87=57.903.3分配各级传动比选择链轮传动比i=3,圆锥齿轮i=4,圆柱斜齿齿轮i=4.83.4各轴转速共6根轴,各轴序号如简图n1=1440r/minn2=n1=1440n3=n2/i1=1440/4=360r/minn4=n3/i=360/4.8=75r/minn5=n4=75r/minn=n5/i3=25r/min3.5各轴输入功率:P1=5.5KWP2=P×η3=5.5×0.99=5.445kwP3=P2×η5=5.445kw×0.96=5.23kwP4=5.23×0.998×0.97=5.01kwP5=P4×η4×η3=5.01×0.998×0.99=4.90kwP6=P5×η4×0.97=4.70kw3.6各轴输入转距:T1=9550×P/n1=9550×5.5/1440=36.48N·mT2=9550×P/n2=36.11N·mT3=9550×P/n3=138.74N·mT4=9550×P/n4=637.94N·mT5=9550×P/n5=440.37×4×0.98×0.95=1639.94N·mT6=9550×P/n6=1795.44.传动件的设计计算4.1圆锥直齿齿轮设计4.1.1.选定齿轮的精度等级、材料及齿数1)圆锥圆柱齿轮减速器为通用减速器,...

1、当您付费下载文档后,您只拥有了使用权限,并不意味着购买了版权,文档只能用于自身使用,不得用于其他商业用途(如 [转卖]进行直接盈利或[编辑后售卖]进行间接盈利)。
2、本站所有内容均由合作方或网友上传,本站不对文档的完整性、权威性及其观点立场正确性做任何保证或承诺!文档内容仅供研究参考,付费前请自行鉴别。
3、如文档内容存在违规,或者侵犯商业秘密、侵犯著作权等,请点击“违规举报”。

碎片内容

链板式运输机传动装置设计和实现 机械制造专业

确认删除?
VIP
微信客服
  • 扫码咨询
会员Q群
  • 会员专属群点击这里加入QQ群
客服邮箱
回到顶部