电脑桌面
添加小米粒文库到电脑桌面
安装后可以在桌面快捷访问

脚手架量化验收

脚手架量化验收_第1页
1/10
脚手架量化验收_第2页
2/10
脚手架量化验收_第3页
3/10
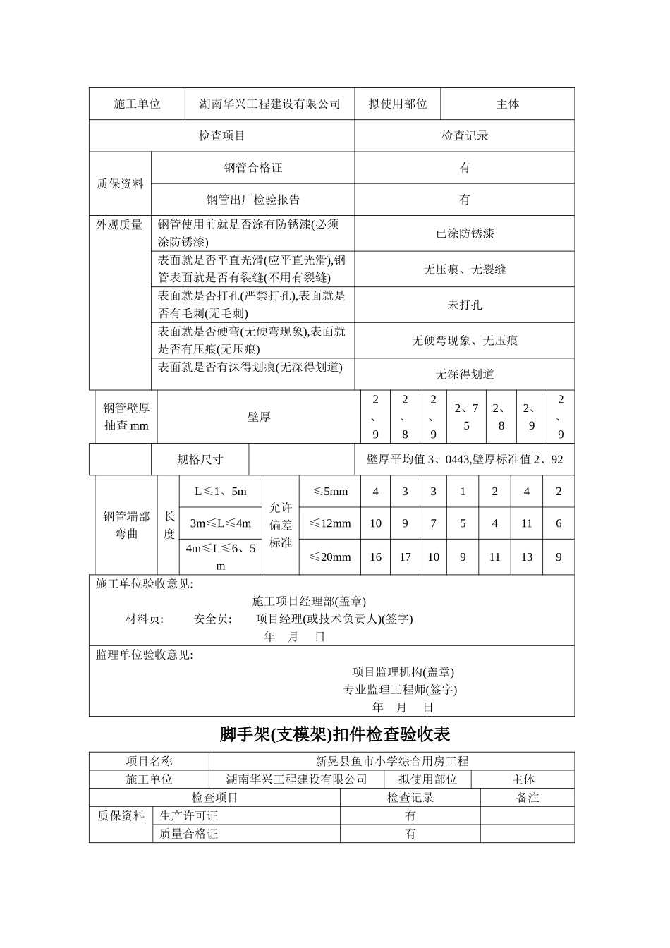
脚手架(支模架)钢管检查验收表 项目名称新晃县鱼市小学综合用房工程施工单位湖南华兴工程建设有限公司拟使用部位主体检查项目检查记录质保资料钢管合格证有钢管出厂检验报告有外观质量钢管使用前就是否涂有防锈漆(必须涂防锈漆)已涂防锈漆表面就是否平直光滑(应平直光滑),钢管表面就是否有裂缝(不用有裂缝)无压痕、无裂缝表面就是否打孔(严禁打孔),表面就是否有毛刺(无毛刺)未打孔表面就是否硬弯(无硬弯现象),表面就是否有压痕(无压痕)无硬弯现象、无压痕表面就是否有深得划痕(无深得划道)无深得划道钢管壁厚抽查 mm壁厚2、82、82、752、92、92、92、8规格尺寸壁厚平均值 3、0443,壁厚标准值 2、92钢管端部弯曲长度L≤1、5m允许偏差标准≤5mm34221213m≤L≤4m≤12mm11128451044m≤L≤6、5m≤20mm151512811124施工单位验收意见: 施工项目经理部(盖章) 材料员: 安全员: 项目经理(或技术负责人)(签字) 年 月 日 监理单位验收意见: 项目监理机构(盖章) 专业监理工程师(签字) 年 月 日脚手架(支模架)钢管检查验收表 项目名称新晃县鱼市小学综合用房工程施工单位湖南华兴工程建设有限公司拟使用部位主体检查项目检查记录质保资料钢管合格证有钢管出厂检验报告有外观质量钢管使用前就是否涂有防锈漆(必须涂防锈漆)已涂防锈漆表面就是否平直光滑(应平直光滑),钢管表面就是否有裂缝(不用有裂缝)无压痕、无裂缝表面就是否打孔(严禁打孔),表面就是否有毛刺(无毛刺)未打孔表面就是否硬弯(无硬弯现象),表面就是否有压痕(无压痕)无硬弯现象、无压痕表面就是否有深得划痕(无深得划道)无深得划道钢管壁厚抽查 mm壁厚2、92、82、92、752、82、92、9规格尺寸壁厚平均值 3、0443,壁厚标准值 2、92钢管端部弯曲长度L≤1、5m允许偏差标准≤5mm43312423m≤L≤4m≤12mm1097541164m≤L≤6、5m≤20mm161710911139施工单位验收意见: 施工项目经理部(盖章) 材料员: 安全员: 项目经理(或技术负责人)(签字) 年 月 日 监理单位验收意见: 项目监理机构(盖章) 专业监理工程师(签字) 年 月 日脚手架(支模架)扣件检查验收表项目名称新晃县鱼市小学综合用房工程施工单位湖南华兴工程建设有限公司拟使用部位主体检查项目检查记录备注质保资料生产许可证有质量合格证有出厂质量检测报告有扣件表面质量扣件各部位就是否有裂纹(不允许)符合要求扣件不允许在主要部位有疏松(不允许)符合要求扣件表面大于 10 平方毫米得砂眼个数及其累计面积(不超过三个,...

1、当您付费下载文档后,您只拥有了使用权限,并不意味着购买了版权,文档只能用于自身使用,不得用于其他商业用途(如 [转卖]进行直接盈利或[编辑后售卖]进行间接盈利)。
2、本站所有内容均由合作方或网友上传,本站不对文档的完整性、权威性及其观点立场正确性做任何保证或承诺!文档内容仅供研究参考,付费前请自行鉴别。
3、如文档内容存在违规,或者侵犯商业秘密、侵犯著作权等,请点击“违规举报”。

碎片内容

脚手架量化验收

您可能关注的文档

确认删除?
VIP
微信客服
  • 扫码咨询
会员Q群
  • 会员专属群点击这里加入QQ群
客服邮箱
回到顶部