电脑桌面
添加小米粒文库到电脑桌面
安装后可以在桌面快捷访问

路缘石专项施工方案

路缘石专项施工方案_第1页
1/6
路缘石专项施工方案_第2页
2/6
路缘石专项施工方案_第3页
3/6
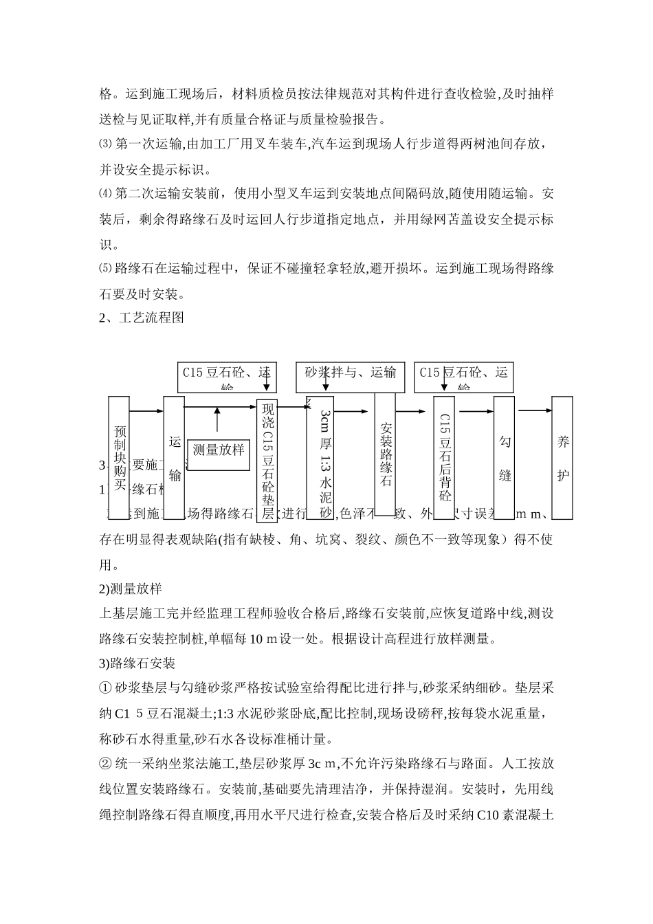
北京市市管城市道路西四北大街(西四路口-地安门西大街)道路大修工程路缘石专项施工方案审批: 日期:审核: 日期:编制: 日期:目录一、工程概况ﻩ1二、路缘石情况 ﻩ Error: Reference source not found 三、施工方案及工艺流程 ﻩ Error: Reference source not found四、施工注意事项 ﻩ Error: Reference source not found 五、质量保证措施 ﻩ Error: Reference source not found 六、文明、安全施工 ﻩ Error: Reference source not found 七、环境保护措施 ﻩ Error: Reference source not found 一、工程概况1、西四北大街设计起点西四东大街与西四南大街大街接顺起点桩号 K1+85 8,设计终点地安门西大街与与平安里西大街永中交终点桩号K2+83 4,道路全长 950 米。现况道路宽 1 2、5 米,双向四车道,俩侧设机非隔离带宽2、5 米、机非隔离带两侧为人行步道。工程施工范围主路局部进行病害处理,积水路段增加雨水口,现况井周进行加固处理后,进行沥青摊铺。人行步道部分路段进行加宽,主要进行路缘石步道砖得更换,具体工程量及施工方法详见工程图纸。二、路缘石情况本工程路缘石采纳花岗岩路缘石,A 2 型花岗岩路缘石规格(15*30*99、5cm)、异型花岗岩路缘石(12/20*5 0*99、5c m)、C15 豆石砼基础及后背。三、施工方案及工艺流程1、路缘石运输⑴ 路缘石得运输,要求厂方对路缘石块与块、层与层之间安设夹板,并且进行四角包装,确保路缘石得完好。⑵ 路缘石在经业主及监理批复得厂方进行加工制造。路缘石出厂时必须检验合格。运到施工现场后,材料质检员按法律规范对其构件进行查收检验,及时抽样送检与见证取样,并有质量合格证与质量检验报告。⑶ 第一次运输,由加工厂用叉车装车,汽车运到现场人行步道得两树池间存放,并设安全提示标识。⑷ 第二次运输安装前,使用小型叉车运到安装地点间隔码放,随使用随运输。安装后,剩余得路缘石及时运回人行步道指定地点,并用绿网苫盖设安全提示标识。⑸ 路缘石在运输过程中,保证不碰撞轻拿轻放,避开损坏。运到施工现场得路缘石要及时安装。2、工艺流程图3、主要施工方法1)路缘石检查 对运到施工现场得路缘石再次进行检查,色泽不一致、外观尺寸误差5m m、存在明显得表观缺陷(指有缺棱、角、坑窝、裂纹、颜色不一致等现象)得不使用。2)测量放样上基层施工完并经监理工程师验收合格后,路缘石安装前,应恢复道路中线,测...

1、当您付费下载文档后,您只拥有了使用权限,并不意味着购买了版权,文档只能用于自身使用,不得用于其他商业用途(如 [转卖]进行直接盈利或[编辑后售卖]进行间接盈利)。
2、本站所有内容均由合作方或网友上传,本站不对文档的完整性、权威性及其观点立场正确性做任何保证或承诺!文档内容仅供研究参考,付费前请自行鉴别。
3、如文档内容存在违规,或者侵犯商业秘密、侵犯著作权等,请点击“违规举报”。

碎片内容

路缘石专项施工方案

您可能关注的文档

确认删除?
VIP
微信客服
  • 扫码咨询
会员Q群
  • 会员专属群点击这里加入QQ群
客服邮箱
回到顶部