电脑桌面
添加小米粒文库到电脑桌面
安装后可以在桌面快捷访问

银河春天三期保温施工方案

银河春天三期保温施工方案_第1页
1/19
银河春天三期保温施工方案_第2页
2/19
银河春天三期保温施工方案_第3页
3/19
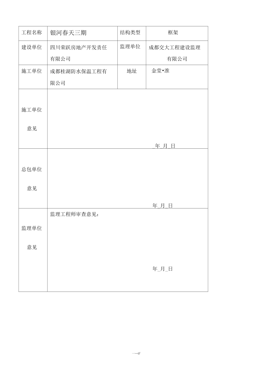
“银河春天三期”项目中空微珠外墙保温系统施工组织方案编制人:易生贵审核人:梁以堂审批人: 李召远施工单位:成都桂湖防水保温工程有限公司银河春天外墙保温方案审批表工程名称银河春天三期结构类型框架建设单位四川荣跃房地产开发责任有限公司监理单位成都交大工程建设监理有限公司施工单位成都桂湖防水保温工程有限公司地址金堂•淮施工单位意见_年_月_日总包单位意见年_月_日监理单位意见监理工程师审查意见:年_月_日一…H2第一章编制依据第二章工程概况第三章施工组织管理机构及职责分工第四章施工准备第五章施工工艺及方法第六章保温系统验收指标第七章施工质量通病及主要防止措施方法第八章 质量体系及保证措施第九章 质量目标及施工保证措施第十章安全文明施工保证措施第一章 编制依据1、1 本次我公司投标“银河春天三期”项目外墙保温工程,是我公司在成都荣跃房地产开发 责任有限公司的重点工程项目。希望能做好该项目,努力实现甲乙双方的双赢,为两公司的长期合 作打好坚实基础。1、2 编制依据工程设计图纸及说明:工程相关招标投标施工方案:• GB50176 —1993《民用建筑热工设计法律规范》• JG26—95《民用建筑节能设计标准》(采暖居住建筑部分)一…¥3•GB50210 —21《建筑装饰装修工程质量验收法律规范》•JGJ134-2025《夏热冬冷地区居住建筑节能设计标准》•《居住建筑节能保温隔热工程质量验收规程》51/5033-25•《建筑保温沙浆国家标准》(GB/T 20473-26)•《水泥基复合膨胀玻化微珠建筑保温系统技术规程》(DB51/5061-2)8•《建筑节能工程施工质量验收法律规范》(GB50411-27 )1、3 编制说明•选用中空微珠外墙保保温系统;•编制原则A、安全第一的原则:进行施工及现场布置时,始终将安全工作放于首位,并同时注重企业形 象宣传,文明施工,制造良好的施工作业环境,做到“施工必须安全,安全才能施工”。B、确保工期原则:本组织设计中,实行了分单元均衡施工,段内实施流水作业的方式,既确 保了工程质量,又有效地保证了工期。C、科学配置原则:施工中,对现场资源实施动态管理,优化配置,另一方面,要在规定工期 内优质、高效地完成该项目保温工程施工,就必须对该项目的各项施工要素进行科学配置。D、合理布局原则:现场平面布置,流水段划分、充分考虑均衡施工因素,既满足业主对工期 的正常要求,又保证了工程质量,避开出现前松后紧现象。E、保障原则:在施工中,将人员组合、材料及机械供应...

1、当您付费下载文档后,您只拥有了使用权限,并不意味着购买了版权,文档只能用于自身使用,不得用于其他商业用途(如 [转卖]进行直接盈利或[编辑后售卖]进行间接盈利)。
2、本站所有内容均由合作方或网友上传,本站不对文档的完整性、权威性及其观点立场正确性做任何保证或承诺!文档内容仅供研究参考,付费前请自行鉴别。
3、如文档内容存在违规,或者侵犯商业秘密、侵犯著作权等,请点击“违规举报”。

碎片内容

银河春天三期保温施工方案

您可能关注的文档

确认删除?
VIP
微信客服
  • 扫码咨询
会员Q群
  • 会员专属群点击这里加入QQ群
客服邮箱
回到顶部