电脑桌面
添加小米粒文库到电脑桌面
安装后可以在桌面快捷访问

炉补给水系统设计和实现 电气自动化专业VIP免费

炉补给水系统设计和实现 电气自动化专业_第1页
1/52
炉补给水系统设计和实现 电气自动化专业_第2页
2/52
炉补给水系统设计和实现 电气自动化专业_第3页
3/52
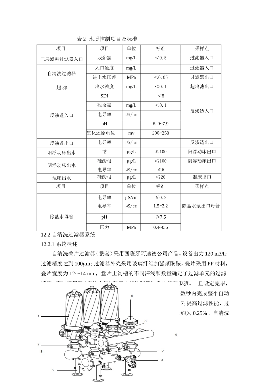
12炉补给水系统锅炉补给水处理系统简介12.1.1补给水处理水源选择锅炉补给水主水源为厂内中水深度处理站出水(厂内中水深度处理站的水源为邢台金牛污水处理厂及市政污水处理厂的出水,符合《城镇污水处理厂污染物排放标准》GB18918-2002中一级标准的A标准),当主水源水量或水质不能满足时,采用深井水或库水处理站出水作为备用水源(库水处理站的水源为朱庄水库的库水)。12.1.2补给水处理水源概况我公司补给水处理水源设计为中水深度处理回用水泵的出口水。水质见表1表1中水深度处理回用水泵出水水质标准序号检测项目单位标准1pH7.0-8.52电导率µs/cm<12003Ca2+mg/L<904Mg2+mg/L<305Cl-mg/L<2006碱度mmol/L<2.87氨氮mg/L<1.08CODcrmg/L<40.09浊度NTU<3.012.1.3补给水处理工艺流程中水回用水池来水(深井水或库水)→生水加热器→生水箱→生水泵→三层滤料过滤器→自清洗过滤器(自清洗)过滤器→超滤装置→超滤水箱→超滤提升水泵→反渗透保安过滤器→反渗透高压泵→反渗透装置→淡水箱→淡水泵→阳浮动床→除碳器→中间水箱→中间水泵→阴浮动床→混床→除盐水箱→除盐水泵→凝补水箱超滤-反渗透装置设计出力2×80m3/h(20℃)。系统正常运行时,两套超滤装置、两套反渗透装置均采用并联运行的方式,超滤装置的水的回收率设计大于95%,超滤装置出水淤泥密度指数值(SDI值)小于3。一级反渗透装置的水的回收率为75%,一年内脱盐率不小于98%,三年后脱盐率不小于97%。12.1.4补给水处理出水水质标准表2水质控制项目及标准项目项目单位标准采样点三层滤料过滤器入口残余氯mg/L<0.5过滤器入口自清洗过滤器入口浊度mg/L过滤器入口进出水压差MPa<0.05过滤器出口超滤出水浊度mg/L<0.1超出滤出口反渗透入口SDI<5反渗透入口残余氯mg/L<0.1电导率µS/cmpH6.0~7.9氧化还原电位mv200~250反渗透出口电导率µS/cm反渗透出口阳浮动床出水钠µg/L≤100阳浮动床出口阴浮动床出水硅酸根µg/L≤100阴浮动床出口电导率µS/cm≤5混床出水硅酸根µg/L≤20混床出口项目项目单位标准采样点电导率µS/cm≤0.2除盐水母管电导率µS/cm1.5~2.2除盐水泵出口母管pH≥7.5压力MPa0.4~0.612.2自清洗过滤器系统12.2.1系统概述自清洗叠片过滤器(整套)采用西班牙阿速德公司产品。设备出力120m3/h;过滤精度达到100m;过滤器外壳采用玻璃纤维加强聚酰胺,叠片采用PP材料,叠片宽度为12~14mm,盘片上沟槽的不同深浅和数量确定了过滤单元的过滤精度。用时间间隔(累计水量)和压力差控制反冲洗的所有步骤。一旦设定完毕,即可长期使用。自动反冲洗过滤器在不中断工作的情况下在数秒内完成整个自动反冲洗过程。过滤器在过滤和反冲洗时叠片间隙动态可变,对提高过滤性能、过滤水质非常有利,又可大大减少反洗用水量,通常自耗水量约为0.25%。自清洗过滤器出水进入超滤装置。表3清洗过滤器参数12.2.2系统特征12.2.2.1过滤元件独特的螺旋离心盘设计,设备维护费用更低,更加节水12.2.2.2凹槽式的过滤叠片作为过滤器的核心元件,实现更加彻底和精确的三维过滤。12.2.2.3水利驱动对过滤叠片的反冲洗,时间和压差控制反洗启动,每个过滤单元反洗过程只需10到20秒即可完成。12.2.2.4过滤和反冲洗过程同时进行,各过滤单元按顺序进行反洗,工作、反洗状态之间自动切换,全自动运行,连续出水。12.2.2.5针对不同种类的悬浮杂质均为有效,不论是无机颗粒,还是有机杂质等。12.2.3阿速德叠片过滤器工作原理12.2.3.1过滤阶段运行原理1)水流从进水管、流经三通阀,通过过滤器的进水口进入。2)在进水压力作用下,过滤芯架活塞将叠片压紧。1阿速德自动离心过滤器3〃2进水管3出水管4排污管5支架6反洗三通阀7卡口接口3〃8压力表9辅助过滤器组件3/4〃设备数量2套设备直径3”正常流量120T/H最大流量130T/H设计压力6bar试验压力8bar设计温度60摄氏度反洗时间20-30S本体材质玻璃纤维加强聚酰胺,叠片PP厂家西班牙阿速德中国公司凹槽式叠片放大图离心螺旋盘过滤芯架100um过滤叠片阿速德螺旋盘芯架活塞3)阿速德螺旋离心盘初级过滤:阿速德特有的离心盘位于过滤芯的底部。当水流进入过滤器与离心盘的塑料刀片切线方向接触时,产生的...

1、当您付费下载文档后,您只拥有了使用权限,并不意味着购买了版权,文档只能用于自身使用,不得用于其他商业用途(如 [转卖]进行直接盈利或[编辑后售卖]进行间接盈利)。
2、本站所有内容均由合作方或网友上传,本站不对文档的完整性、权威性及其观点立场正确性做任何保证或承诺!文档内容仅供研究参考,付费前请自行鉴别。
3、如文档内容存在违规,或者侵犯商业秘密、侵犯著作权等,请点击“违规举报”。

碎片内容

炉补给水系统设计和实现 电气自动化专业

您可能关注的文档

确认删除?
VIP
微信客服
  • 扫码咨询
会员Q群
  • 会员专属群点击这里加入QQ群
客服邮箱
回到顶部