电脑桌面
添加小米粒文库到电脑桌面
安装后可以在桌面快捷访问

《数控加工与编程》实训的目的与安排

《数控加工与编程》实训的目的与安排_第1页
1/5
《数控加工与编程》实训的目的与安排_第2页
2/5
《数控加工与编程》实训的目的与安排_第3页
3/5
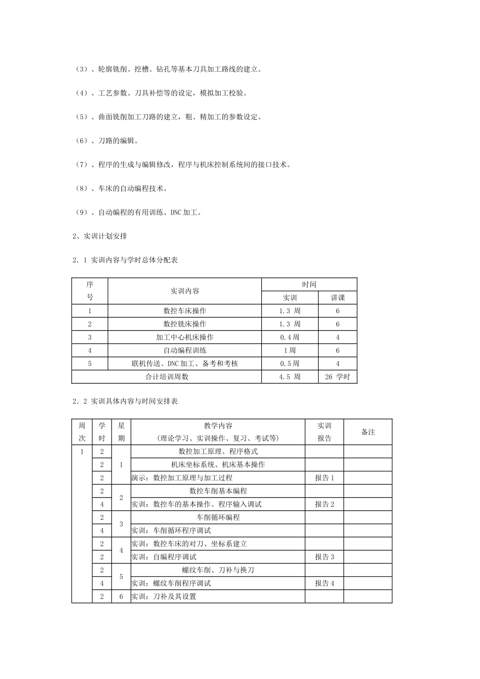
绪论《数控加工与编程》实训的目的1、熟悉了解数控车床、数控铣床、数控加工中心的结构组成及工作原理。2、熟练掌握待加工零件的装夹、定位、加工路线设置及加工参数调校等实际操作工艺。3、熟练掌握阶梯轴、成型面、螺纹等车削零件和平面轮廓、槽形、钻、镗孔等类型铣削零件的手工及自动换刀的编程技术以及复杂曲面零件的自动编程技术。能分析推断并解决加工程序中所出现的错误。4、学会排除机床电气及机械方面的一般性故障。5、熟练操作数控车、数控铣床、并能加工出中等复杂程度的零件。6、能初步使用加工中心机床,了解刀库及其设置,了解加工中心的加工过程与特点7、初步了解与掌握程序转存和联机控制等 DNC 加工方面的知识及操作方法。8、复习掌握数控技术职业资格考试要求的其它应知、应会的内容。积极争取通过职业技术资格考试。 实训内容与实训计划安排1、实训的主要内容1.1 数控车床的操作与编程训练(1)、操作面板的熟悉和控制软件的基本使用。(2)、坐标系的建立,工件和刀具的装夹,基准刀具的对刀找正。(3)、基本编程指令的讲解。手工编程与程序输入训练,空运行校验。(4)、固定循环指令的讲解。编程与程序输入训练,空运行校验。(5)、螺纹零件的车削编程训练。学会排除程序及加工方面的简单故障。(6)、刀具补偿及编程训练。手工换刀与自动换刀的基本操作。(7)、多把刀具的对刀、刀库数据设置。(8)、实际车削训练,合理设置各工艺参数。(9)、理论课:复习总结车床加工的应知、应会内容。1.2 数控铣床操作与编程训练(1)、操作面板的熟悉和控制软件的基本使用。(2)、坐标系的建立,工件和刀具的装夹,基准刀具的对刀找正。(3)、基本编程指令的讲解。手工编程与程序输入训练,空运行校验模拟。(4)、轮廓铣削和槽形铣削编程训练与上机调试,掌握程序校验方法。(5)、刀长与刀径补偿及编程训练。手工换刀基本操作,多把刀具的对刀、刀库数据设置。(6)、子程序调用技术,程序调试技巧,钻孔加工的基本编程。(7)、实际铣削训练,合理设置、调校工艺参数,排除基本故障。(8)、了解润滑与冷却系统,机床的维护与保养。(9)、理论课:复习总结铣床加工的应知、应会内容。1.3 加工中心机床操作与编程训练(1)、操作面板和控制软件的简单用法。(2)、刀具基本知识及应用状况了解。刀库结构与自动换刀装置的初步了解。(3)、加工中心编程的特点。手工编程与程序阅读理解,空运行校验。(4)、固定钻...

1、当您付费下载文档后,您只拥有了使用权限,并不意味着购买了版权,文档只能用于自身使用,不得用于其他商业用途(如 [转卖]进行直接盈利或[编辑后售卖]进行间接盈利)。
2、本站所有内容均由合作方或网友上传,本站不对文档的完整性、权威性及其观点立场正确性做任何保证或承诺!文档内容仅供研究参考,付费前请自行鉴别。
3、如文档内容存在违规,或者侵犯商业秘密、侵犯著作权等,请点击“违规举报”。

碎片内容

《数控加工与编程》实训的目的与安排

确认删除?
VIP
微信客服
  • 扫码咨询
会员Q群
  • 会员专属群点击这里加入QQ群
客服邮箱
回到顶部