电脑桌面
添加小米粒文库到电脑桌面
安装后可以在桌面快捷访问

三层电梯模型PLC控制系统设计与调试

三层电梯模型PLC控制系统设计与调试_第1页
1/15
三层电梯模型PLC控制系统设计与调试_第2页
2/15
三层电梯模型PLC控制系统设计与调试_第3页
3/15
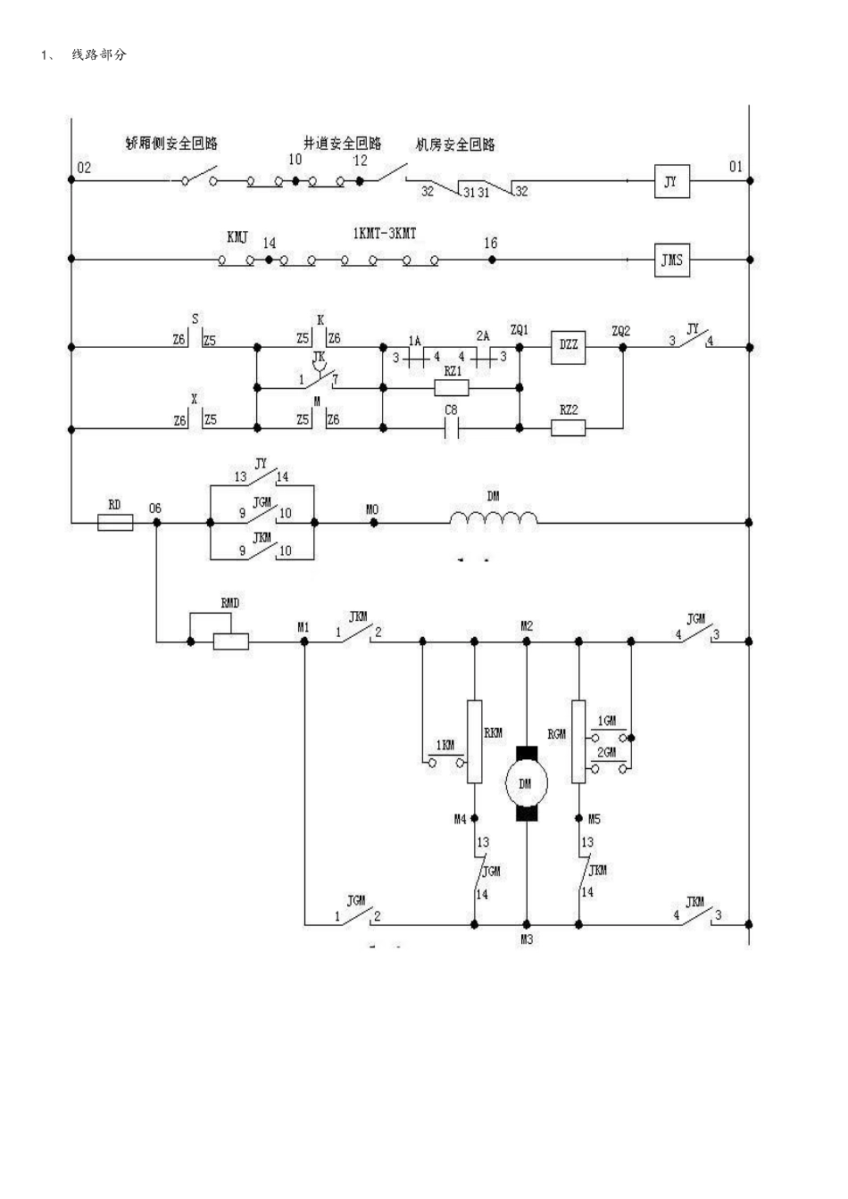
三层电梯模型 PLC 控制系统设计与调试(带程序注释)一、控制要求:1.系统应具备:有司机、无司机、消防三种工作模式.2.系统应具备下列几项控制功能:1)自动响应层楼呼唤信号(含上呼唤和下呼唤)。2)自动响应轿厢服务指令信号。3)自动完成轿厢层楼位置显示(二进制方式).4)自动显示电梯运行方向。5)具有电梯直达功能和反向最远停站功能。3.系统提供的输入控制信号:AYS 向上行驶按钮AYX 向下行驶按钮YSJ 有/无司机选择开关1YC 一楼行程开关2YC 二楼行程开关3YC 三楼行程开关A1J 一楼指令按钮A2J 二楼指令按钮A3J 三楼指令按钮AJ 指令专用开关(直驶)ZXF 置消防开关A1S 一楼上呼唤按钮A2S 二楼上呼唤按钮A2X 二楼下呼唤按钮A3S 三楼上呼唤按钮A3X 三楼下呼唤按钮4.系统需要输出的开关控制信号:KM 开门显示GM 关门显示MGB 门关闭显示DCS 上行显示DCX 下行显示S 上行继电器(控制电动机正转)X 下行继电器(控制电动机反转)YX 运行显示A LED 七段显示器 a 段发光二极管B LED 七段显示器 b 段发光二极管C LED 七段显示器 c 段发光二极管D LED 七段显示器 d 段发光二极管E LED 七段显示器 e 段发光二极管F LED 七段显示器 f 段发光二极管G LED 七段显示器 g 段发光二极管1DJA 一楼指令信号登记显示2DJA 二楼指令信号登记显示3DJA 三楼指令信号登记显示1DAS 一楼上呼唤信号登记显示2DAS 二楼上呼唤信号登记显示2DAX 二楼下呼唤信号登记显示3DAS 三楼上呼唤信号登记显示3DAX 三楼下呼唤信号登记显示二、课题要求:1.按题意要求,画出 PLC 端子接线图及控制梯形图.2.完成 PLC 端子接线工作, 并利用编程器输入梯形图控制程序,完成调试。3。 完成课程设计说明书三、答辩问题:1.阐明程序设计思想及工作流程。2.当层楼数增加,开关量输入和输出的点数将作如何变化 ?3.若需要电梯只服务于奇数楼层,梯形图将作如何变换 ?4.若需要电梯只服务于偶数层楼,梯形图将作如何变换 ?5.若正常运行方式作为方式 A ,上述 3、4 题运行方式作为 方式 B 、方式 C 、方式 D , 如何采纳两个输入开关来任选其中一个作为当前运行方式?6.电梯控制中清除呼唤登记的条件是什么 ?7.电梯控制中清除指令登记的条件是什么 ?下面是图纸:1、 线路部分2、 主回路图3 PLC 接线图4 PLC 接线图5 FX2n—48MR 程序6 FX2n—48MR 程序7 FX2n-48MR 程序8 FX2n—48MR 程序9 F...

1、当您付费下载文档后,您只拥有了使用权限,并不意味着购买了版权,文档只能用于自身使用,不得用于其他商业用途(如 [转卖]进行直接盈利或[编辑后售卖]进行间接盈利)。
2、本站所有内容均由合作方或网友上传,本站不对文档的完整性、权威性及其观点立场正确性做任何保证或承诺!文档内容仅供研究参考,付费前请自行鉴别。
3、如文档内容存在违规,或者侵犯商业秘密、侵犯著作权等,请点击“违规举报”。

碎片内容

三层电梯模型PLC控制系统设计与调试

您可能关注的文档

确认删除?
VIP
微信客服
  • 扫码咨询
会员Q群
  • 会员专属群点击这里加入QQ群
客服邮箱
回到顶部