电脑桌面
添加小米粒文库到电脑桌面
安装后可以在桌面快捷访问

五人投票机系统设计-PLC

五人投票机系统设计-PLC_第1页
1/14
五人投票机系统设计-PLC_第2页
2/14
五人投票机系统设计-PLC_第3页
3/14
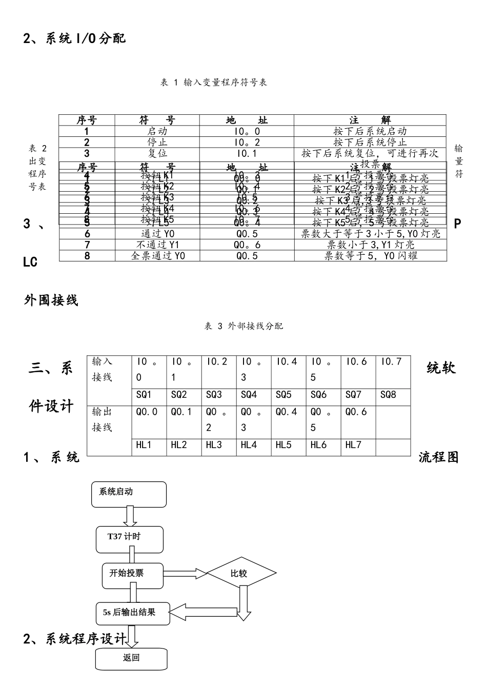
摘要PLC 的问世为我们的生活和生产作出了不可磨灭的贡献,从生产方面来说,在各大电厂及生产制造车间到处可见 PLC 控制系统的踪影,它可以准确持续完成生产过程自动化的综合自动化控制,提高了生产效率,降低了产品的成本…从生活方面来说, PLC 控制系统和我们的衣食住行息息相关,它出现在我们生活中的每一个角落,时刻为我们的生活服务着,比如自动投币售货机、全自动化洗衣机、人机协控投票机…关键词:PLC,投票机,控制 一、绪论1、设计目的① 设计出 plc 控制的六人投票控制机;② 掌握 plc 的编程软件平台、定时器、计数器、传送指令、主子程序等有关指令的编程方法;③ 熟悉 plc 与上位机通讯、软件调试的方法;④ 培育学生的综合设计设计能力、分析问题与解决问题的能力。2、设计内容 五人对对象进行投票,开关接通,表示赞成,开关打开表示反对,若反对人数较多,则表示没通过;若赞成人数较多,则表示通过。 3、要实现的目标 1、按下“启动”开关,开始计时,必须在 5s 的时间内完成投票,赞成则按下投票按钮,指示灯亮,表示投票成功;不赞成则不按投票按钮。2、5s 后投票停止后,存储器中的结果为最终结果。将结果进行比较,并显示投票结果。投票结果用三个灯(Y0,Y1)显示,Y0 表示通过,Y0 闪耀表示全票通过,Y1 表示没通过。3、当投票结果显示后,就不再接受任何信息,即使再投票,仍然不会改变其结果。4、按下复位开关,所有的投票等立即熄灭,结果清零,可进行再次开始投票。5、主持人按下停止按钮,系统停止工作。二、系统分析及硬件设计1、系统工作说明 如下图所示,为一个设计五人投票机系统模拟图,即五人对对象进行投票,开关接通,表示赞成,开关打开表示反对,若反对人数较多,则表示没通过;若赞成人数较多,则表示通过. 图 1 五人投票机2、系统 I/O 分配 表 1 输入变量程序符号表 表 2 输出变量程序符号表3 、PLC外围接线表 3 外部接线分配三、系统软件设计1 、 系 统流程图2、系统程序设计序号符 号地 址注 解1启动I0。0按下后系统启动2停止I0。2按下后系统停止3复位I0.1按下后系统复位,可进行再次投票4按钮 K1I0。31 号投票台5按钮 K2I0。42 号投票台6按钮 K3I0.53 号投票台7按钮 K4I0。64 号投票台8按钮 K5I0。75 号投票台序号符 号地 址注 解1灯 L1Q0。0按下 K1 后,1 号投票灯亮2灯 L2Q0.1按下 K2 后,2 号投票灯亮3灯 L3Q0.2按下 K3 后,3 号...

1、当您付费下载文档后,您只拥有了使用权限,并不意味着购买了版权,文档只能用于自身使用,不得用于其他商业用途(如 [转卖]进行直接盈利或[编辑后售卖]进行间接盈利)。
2、本站所有内容均由合作方或网友上传,本站不对文档的完整性、权威性及其观点立场正确性做任何保证或承诺!文档内容仅供研究参考,付费前请自行鉴别。
3、如文档内容存在违规,或者侵犯商业秘密、侵犯著作权等,请点击“违规举报”。

碎片内容

五人投票机系统设计-PLC

您可能关注的文档

确认删除?
VIP
微信客服
  • 扫码咨询
会员Q群
  • 会员专属群点击这里加入QQ群
客服邮箱
回到顶部