电脑桌面
添加小米粒文库到电脑桌面
安装后可以在桌面快捷访问

产品及零部件编码规则

产品及零部件编码规则_第1页
1/8
产品及零部件编码规则_第2页
2/8
产品及零部件编码规则_第3页
3/8
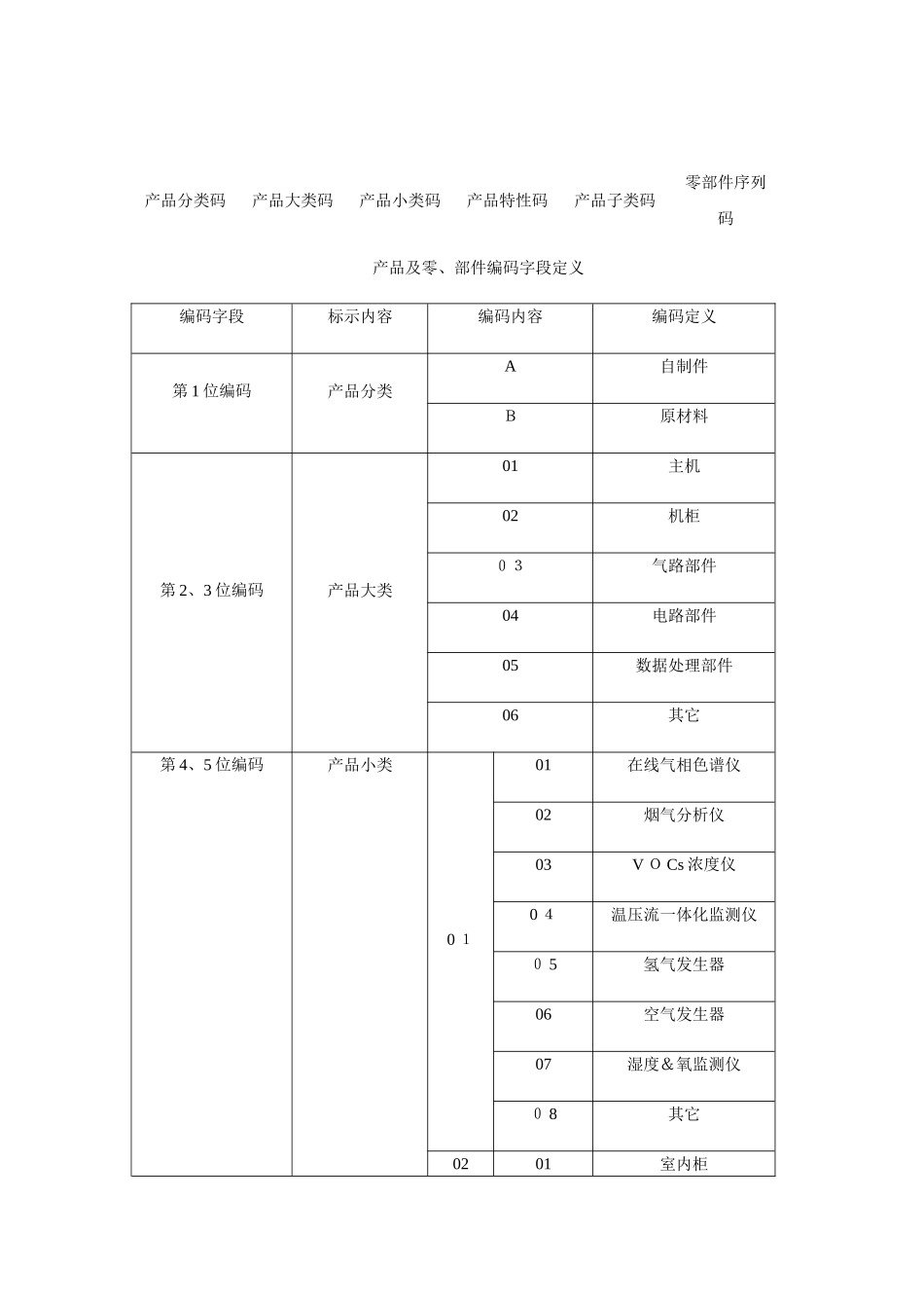
产品及零部件编码规则1 目得为了在保证产品及零、部件管理连续性得基础上,进一步完善产品及零、部件得管理,以使所有得产品及零、部件命名得到法律规范与统一,特编写此规则,力求做到:1)反映元件得主要特征;2)能区别同类元件得不同产品及零、部件;3)易懂,易记忆4)方便书写、记录与计算机输入。2 适用范围1)本文件规定了公司产品及零、部件得编号规则。2)本规则适用于本公司采购、生产、供货、试验得所有产品零部件。3 职责1)研发部负责产品及零、部件编码得规定及编制工作,确保不重码;假如原有产品及零、部件代码需要变更,研发部负责向相关部门发放更改通知单。2)各部门负责审核所管辖产品及零、部件编码得合理性,并批准实施。3)各部门负责落实产品及零、部件编码得管理制度。4 编码得基本原则编码应体现科学化、标准化、法律规范化、合理化。具备唯一性:所有产品及零、部件均应根据本编码规则编制,每种产品及零、部件得编码就是唯一得。可以扩充:适当留下可扩充之流水号,避开新增元件无法加入而致使元件重编.反映重要属性:需加以大中分类以利于以后报表得整理。产品及零、部件编码应具有一定得意义,但又不能包含太多得意义,以免影响编码得通用性与适用性。变动属性不纳入:属于部门、供应商、客户、员工等属性不纳入编码。产品及零、部件编码中包含得含义只就是一些不会变得属性。产品及零、部件编码在产品及零、部件整个流程就是不变得.码长定为1 2 位,除首位用字母表示,其它用阿拉伯数字表示。产品及零、部件代码得分配,统一由公司文控中心负责,并通知库房及时录入计算机系统.产品及零、部件将以其编码为主体运作,各相关受控或不受控得文件、业务单据 、BOM 等均使用产品及零、部件编码。产品及零、部件编码得大、中各类及明细可随公司得需要而增加,但不可删改。5 编码规则内容编码由“产品分类码+产品大类码+产品小类码+产品特性码+产品子类码+零部件序列码"组成,共计 12 位编码,各字段定义内容如下:12 3 4 56 7 8 9 1 0 11 1 2 XX XX XXXXXX X X↓↓↓↓↓↓产品分类码产品大类码产品小类码产品特性码产品子类码零部件序列码产品及零、部件编码字段定义编码字段标示内容编码内容编码定义第 1 位编码产品分类A自制件B原材料第 2、3 位编码产品大类01主机02机柜03气路部件04电路部件05数据处理部件06其它第 4、5 位编码产品小类0 101在线气相色谱仪02烟气分析仪03V O Cs...

1、当您付费下载文档后,您只拥有了使用权限,并不意味着购买了版权,文档只能用于自身使用,不得用于其他商业用途(如 [转卖]进行直接盈利或[编辑后售卖]进行间接盈利)。
2、本站所有内容均由合作方或网友上传,本站不对文档的完整性、权威性及其观点立场正确性做任何保证或承诺!文档内容仅供研究参考,付费前请自行鉴别。
3、如文档内容存在违规,或者侵犯商业秘密、侵犯著作权等,请点击“违规举报”。

碎片内容

产品及零部件编码规则

您可能关注的文档

确认删除?
VIP
微信客服
  • 扫码咨询
会员Q群
  • 会员专属群点击这里加入QQ群
客服邮箱
回到顶部