电脑桌面
添加小米粒文库到电脑桌面
安装后可以在桌面快捷访问

冷热水管道的压力损失

冷热水管道的压力损失_第1页
1/7
冷热水管道的压力损失_第2页
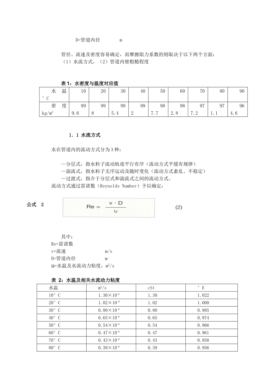
2/7
冷热水管道的压力损失_第3页
3/7
冷热水管道系统的压力损失意大利卡莱菲公司北京办事处 舒雪松无论在供暖、制冷或生活冷热水系统,管道是传送流量和热量必不可少的部分。计算管道系统的压力损失有助于:(1) 设选择正确的管径。(2) 设选择相应的循环泵和末端设备。也就是让系统水循环起来并且达到热能传送目的的设备。假如不进行准确的管道选型,会导致系统出现噪音、腐蚀(比如管道阀门口径偏小) 、严重的能耗及设备的浪费(比如管道阀门水泵等偏大)等。 管道系统的水在流动时遇到阻力而造成其压力下降,通常将之简称为压降或压损。压力损失分为延程压力损失和局部压力损失: — 延程压力损失指在管道中连续的、一致的压力损失。— 局部压力损失指管道系统内特别的部件,由于其改变了水流的方向,或者使局部水流通道变窄(比如缩径、三通、接头、阀门、过滤器等)所造成的非连续性的压力损失。以下我们将探讨如何计算这两种压力损失值。在本章节内我们只讨论流动介质为水的管道系统。一、延程压力损失的计算方式对于每一米管道,其水流的压力损失可按以下公式计算 其中:r=延程压力损失 Pa/m Fa=摩擦阻力系数 ρ=水的密度 kg/m3 v=水平均流速 m/s公式(1)延程压力损失局部压力损失 D=管道内径 m管径、流速及密度容易确定,而摩擦阻力系数的则取决于以下两个方面:(1)水流方式,(2)管道内壁粗糙程度表 1:水密度与温度对应值水温 °C102030405060708090密度 kg/m3999.6998995.4992987.7982.8977.2971.1964.61.1 水流方式水在管道内的流动方式分为 3 种: —分层式,指水粒子流动轨迹平行有序(流动方式平缓有规律) —湍流式,指水粒子无序运动及随时变化(流动方式紊乱、不稳定) —过渡式,指介于分层式和湍流式之间的流动方式。流动方式通过雷诺数(Reynolds Number)予以确定: 其中:Re=雷诺数v=流速 m/sD=管道内径 m。ט=水温及水流动力粘度,m2/s表 2:水温及相关水流动力粘度水温m2/scSt°E10°C1.30×10-61.301.02220°C1.02×10-61.021.00030°C0.80×10-60.800.98540°C0.65×10-60.650.97450°C0.54×10-60.540.96660°C0.47×10-60.470.96170°C0.43×10-60.430.95880°C0.39×10-60.390.956公式 290°C0.35×10-60.350.953通过公式 2 计算出雷诺数就可推断水流方式:Re<2,000: 分层式流动Re:2,000-2,500: 过渡式流动Re>2,500: 湍流式流动由于过渡式流动方式的雷诺数范围较窄,且其流动方式多变,因此大多将大于...

1、当您付费下载文档后,您只拥有了使用权限,并不意味着购买了版权,文档只能用于自身使用,不得用于其他商业用途(如 [转卖]进行直接盈利或[编辑后售卖]进行间接盈利)。
2、本站所有内容均由合作方或网友上传,本站不对文档的完整性、权威性及其观点立场正确性做任何保证或承诺!文档内容仅供研究参考,付费前请自行鉴别。
3、如文档内容存在违规,或者侵犯商业秘密、侵犯著作权等,请点击“违规举报”。

碎片内容

冷热水管道的压力损失

您可能关注的文档

范哲铺+ 关注
实名认证
内容提供者

想你所想,急你所急,你需要的都在店铺里可以找到。

确认删除?
VIP
微信客服
  • 扫码咨询
会员Q群
  • 会员专属群点击这里加入QQ群
客服邮箱
回到顶部