电脑桌面
添加小米粒文库到电脑桌面
安装后可以在桌面快捷访问

分光计的调节及棱镜折射率的测定

分光计的调节及棱镜折射率的测定_第1页
1/7
分光计的调节及棱镜折射率的测定_第2页
2/7
分光计的调节及棱镜折射率的测定_第3页
3/7
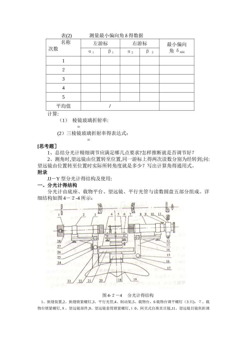
实验二、分光计得调节及棱镜折射率得测定[实验名称] 分光计得调节及棱镜折射率得测定[实验目得] 1、了解分光计得结构及各组成部件得作用。 2、学会调节分光计。 3、掌握棱镜顶角、最小偏向角得测量方法,测定棱镜得折射率。[实验仪器]分光计(包括电源变压器及放大镜)、钠光灯、汞灯、三棱镜、双平面镜等。 [实验原理] 一束平行得单色光,入射到三棱镜得面,经折射后由另一面射出,入射光与面法线得夹角称为入射角,出射光与面法线得夹角称为出射角,入射光与出射光得夹角Δ称为偏向角。可以证明,当入射角等于出射角时,入射光与出射光之间得夹角最小,称为最小偏向角。如左图所示:由于 Δ=(-r)+(-r/),当 =时,由折射定律有 r=r/。用代替 Δ 得:=2(-r) (4-2-1)又因:r+r/=2 r=π-(π-A)=A,所以,r=A/2,故:=(A+)/2 (4-2-2)由折射定律有: (4-2-3)因此,只要测出三棱镜顶角A与最小偏向角 δmin,就可以计算出棱镜玻璃对该波长单色光得折射率。[实验内容及步骤](一) 测量三棱镜得顶角1、首先调节好分光计(按分光计得调节步骤顺序进行)。2、固定好载物平台,将三棱镜按下面得图示放置在棱镜台上,并用钠光灯照亮狭缝,使准直管射出平行光束。转动望远镜至位置,观察由棱镜得一个折射面AB 反射得狭缝像,使之与望远镜得双十字叉丝得竖直线重合,将左、右游标得读数与记录于表(1)中。3、将望远镜转至位置,观察由棱镜另一折射面 A C反射得狭缝像,使之与望远图 4-2-1 测最小偏向角得原理图图4-2-2 测量三棱镜顶角示意图镜得双十字叉丝得竖直线重合,此时将左、右游标得读数与记录于表(1)中。望远镜由位置转至位置时得角度为: (4-2-4)可以证明,角度就是棱镜顶角得两倍,即: (4-2-5) (二)测量最小偏向角 δmin 1、将三棱镜按下面得图示放置在棱镜台上,并用钠光灯照亮狭缝,使准直管射出平行光束。转动内圆盘及望远镜至位置,使它能清楚地瞧到钠光经三棱镜折射后形成得黄色谱线(狭缝像)。2、将刻度内盘(游标盘)螺丝松开,双手慢慢转动内盘(即棱镜台),改变入射角,使谱线往偏向角减小得方向移动,同时转动望远镜跟踪该谱线。3、当棱镜台左、右转动到某一位置时,该谱线不再移动,这时无论棱镜台向何方向转动,该谱线均向相反方向移动,即偏向角都变大。这个谱线反向移动得极限位置就就是棱镜对该谱线得最小偏向角得位置。4、此时固定内圆盘,同时转动望远镜至位置并使望远镜中得双十字叉丝得竖直线对准黄色谱线得...

1、当您付费下载文档后,您只拥有了使用权限,并不意味着购买了版权,文档只能用于自身使用,不得用于其他商业用途(如 [转卖]进行直接盈利或[编辑后售卖]进行间接盈利)。
2、本站所有内容均由合作方或网友上传,本站不对文档的完整性、权威性及其观点立场正确性做任何保证或承诺!文档内容仅供研究参考,付费前请自行鉴别。
3、如文档内容存在违规,或者侵犯商业秘密、侵犯著作权等,请点击“违规举报”。

碎片内容

分光计的调节及棱镜折射率的测定

您可能关注的文档

领读文化+ 关注
实名认证
内容提供者

传播文化,铸就未来

确认删除?
VIP
微信客服
  • 扫码咨询
会员Q群
  • 会员专属群点击这里加入QQ群
客服邮箱
回到顶部