电脑桌面
添加小米粒文库到电脑桌面
安装后可以在桌面快捷访问

单片机超声模块说明

单片机超声模块说明_第1页
1/6
单片机超声模块说明_第2页
2/6
单片机超声模块说明_第3页
3/6
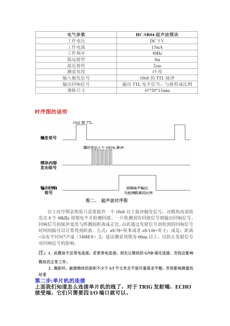
单片机超声模块说明(HC-SR04)了解超声模块我们要分几步来理解,包括它的工作原理和在单片机上的运行情况,只有两者相互理解透才能更好的利用超声模块来开发一些东东! 不同型号的超声模块其实大致是一样,也就没必要区分型号,除非你是特别要求,对于爱好者,初学者,则是没必要这么苛刻!第一步:超声模块的工作原理参数的设置时序图的说明第二步:单片机的连接上面我们知道怎么连接单片机的线了,对于 TRIG 发射端,ECHO接受端,它们只需要四 I/O 端口就可以。第三步:程序的编写和功能的开发这里我选择 TRIG = P2^0 ECHO = P3^2设置一个报警器,当距离超过 150cm 是就报警,不超过是就不报警。/******************************************板子 :郭天祥老师的 52 单片机板?设计者 :蒋时间 :2025-4-29学校 :南昌航空大学******************************************/#include sbit dula=P2^6; //数码管段选,锁存器控制信号sbit wela=P2^7; //数码管位选,锁存器控制信号 sbit a=P2^3;#define uchar unsigned char#define uint unsigned intint time;int succeed_flag;uchar timeL;uchar timeH;sbit Trig=P1^0;sbit Echo=P3^2;uchar code table[]={0x3f,0x06,0x5b,0x4f,0x66,0x6d,0x7d,0x07,0x7f, 0x6f};void delay(uint z){ uint x,y; for(x=z;x>0;x--) for(y=110;y>0;y--);}void delay_20us() { uchar a ; for(a=0;a<100;a++); }//显示数据转换程序void display(uint temp) { uchar ge,shi,bai; bai=temp/100; shi=(temp%100)/10; ge=temp%10; dula=0; P0=table[ge];//送数字 8 到段码端口 dula=1; dula=0; wela=0; P0=0x7b; //数码管位选 wela=1; wela=0; delay(5); dula=0; P0=table[shi];//送数字 8 到段码端口 dula=1; dula=0; wela=0; P0=0x7d; //数码管位选 wela=1; wela=0; delay(5); dula=0; P0=table[bai]; //送数字 8 到段码端口 dula=1; dula=0; wela=0; P0=0x7e; //数码管位选 wela=1; wela=0; delay(5); if(temp>150) a=0; else a=1; }void main() { uint distance; Trig=0; //首先拉低脉冲输入引脚 EA=1; //打开总中断 0 TMOD=0x10; //定时器 1,16 位工作方式 while(1) { EA=0; //关总中断 Trig=1; //超声波输入端 delay_20us(); //延时 20us Trig=0; //产生一个 20us 的脉...

1、当您付费下载文档后,您只拥有了使用权限,并不意味着购买了版权,文档只能用于自身使用,不得用于其他商业用途(如 [转卖]进行直接盈利或[编辑后售卖]进行间接盈利)。
2、本站所有内容均由合作方或网友上传,本站不对文档的完整性、权威性及其观点立场正确性做任何保证或承诺!文档内容仅供研究参考,付费前请自行鉴别。
3、如文档内容存在违规,或者侵犯商业秘密、侵犯著作权等,请点击“违规举报”。

碎片内容

单片机超声模块说明

您可能关注的文档

津创媒+ 关注
实名认证
内容提供者

欢迎交流文创,小店资料希望满足您的需要。

确认删除?
VIP
微信客服
  • 扫码咨询
会员Q群
  • 会员专属群点击这里加入QQ群
客服邮箱
回到顶部