电脑桌面
添加小米粒文库到电脑桌面
安装后可以在桌面快捷访问

反渗透技术培训资料全

反渗透技术培训资料全_第1页
1/13
反渗透技术培训资料全_第2页
2/13
反渗透技术培训资料全_第3页
3/13
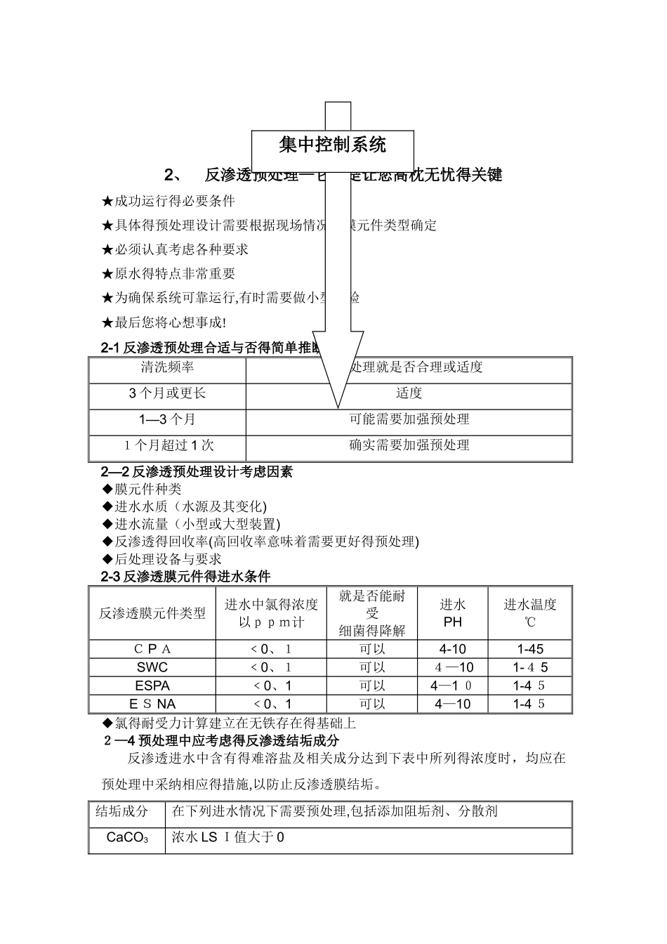
反渗透技术培训资料目 录1、反渗透水处理系统得构成2、反渗透预处理—它就是让您高枕无忧得关键2-1反渗透预处理合适与否得简单推断准则2—2 反渗透预处理设计考虑因素2-3反渗透膜元件得进水条件2-4 预处理中应考虑得反渗透结垢成分2-5 反渗透污染物2-6针对特定污染物得反渗透预处理设计要点3、反渗透系统得故障诊断与运行数据得标准化3—1反渗透系统得故障及其诊断3—2 常见反渗透污染现象3-3反渗透污染症状3-4反渗透故障诊断一览表3-5 如何减少故障与降低反渗透清洗频率3—6 反渗透系统得标准化4、反渗透膜得清洗消毒及保存4-1什么时候需要清洗反渗透系统4-2 需要清洗什么4-3 如何选择清洗药剂4-4在选择与使用化学清洗药剂得注意事项4-5 复合膜(C P A、ES P A、ESNA)最常用得清洗配方4—6 二氧化硅垢得化学清洗4-7复合膜生物污染物得清洗4-8 细菌得控制与杀除4—9 反渗透化学杀菌剂应有得特性4-10杀菌剂得杀菌速度4-1 1 复合膜(C PA、ES PA、ESN A)元件消毒用杀菌剂4-12反渗透系统化学清洗得一般方法4-13 复合膜(CPA、ES P A、E SNA)在反渗透压力容器中得保存1、反渗透水处理系统得构成反渗透预处理系统横流过滤:·微滤·超滤全过滤: ·多介质过滤器 ·保安过滤器 ·锰砂过滤器 ·活性炭过滤器离子交换 ·软化 ·阴阳床 ·混床化学药剂添加:·阻垢剂 ·分散剂 ·石灰软化 ·调节 PH 值·加氯/除氯其它:·热交换器 ·除气器 ·紫外杀菌仪反渗透后处理系统横流过滤:·微滤·超滤·精处理反渗透离子交换 ·阴阳床 ·混床 ·EDI化学药剂添加: ·调节 PH 值·加氯/除氯其它:·亚微米保安过滤器 ·除气器 ·贮存系统反渗透系统2、 反渗透预处理—它就是让您高枕无忧得关键★成功运行得必要条件★具体得预处理设计需要根据现场情况与膜元件类型确定★必须认真考虑各种要求★原水得特点非常重要★为确保系统可靠运行,有时需要做小型实验★最后您将心想事成!2-1 反渗透预处理合适与否得简单推断准则清洗频率预处理就是否合理或适度3 个月或更长适度1—3 个月可能需要加强预处理1个月超过 1 次确实需要加强预处理2—2 反渗透预处理设计考虑因素◆膜元件种类◆进水水质(水源及其变化)◆进水流量(小型或大型装置)◆反渗透得回收率(高回收率意味着需要更好得预处理)◆后处理设备与要求2-3 反渗透膜元件得进水条件反渗透膜元件类型进水中氯得浓度以ppm计就...

1、当您付费下载文档后,您只拥有了使用权限,并不意味着购买了版权,文档只能用于自身使用,不得用于其他商业用途(如 [转卖]进行直接盈利或[编辑后售卖]进行间接盈利)。
2、本站所有内容均由合作方或网友上传,本站不对文档的完整性、权威性及其观点立场正确性做任何保证或承诺!文档内容仅供研究参考,付费前请自行鉴别。
3、如文档内容存在违规,或者侵犯商业秘密、侵犯著作权等,请点击“违规举报”。

碎片内容

反渗透技术培训资料全

您可能关注的文档

确认删除?
VIP
微信客服
  • 扫码咨询
会员Q群
  • 会员专属群点击这里加入QQ群
客服邮箱
回到顶部