电脑桌面
添加小米粒文库到电脑桌面
安装后可以在桌面快捷访问

复工安全生产检查表

复工安全生产检查表_第1页
1/3
复工安全生产检查表_第2页
2/3
复工安全生产检查表_第3页
3/3
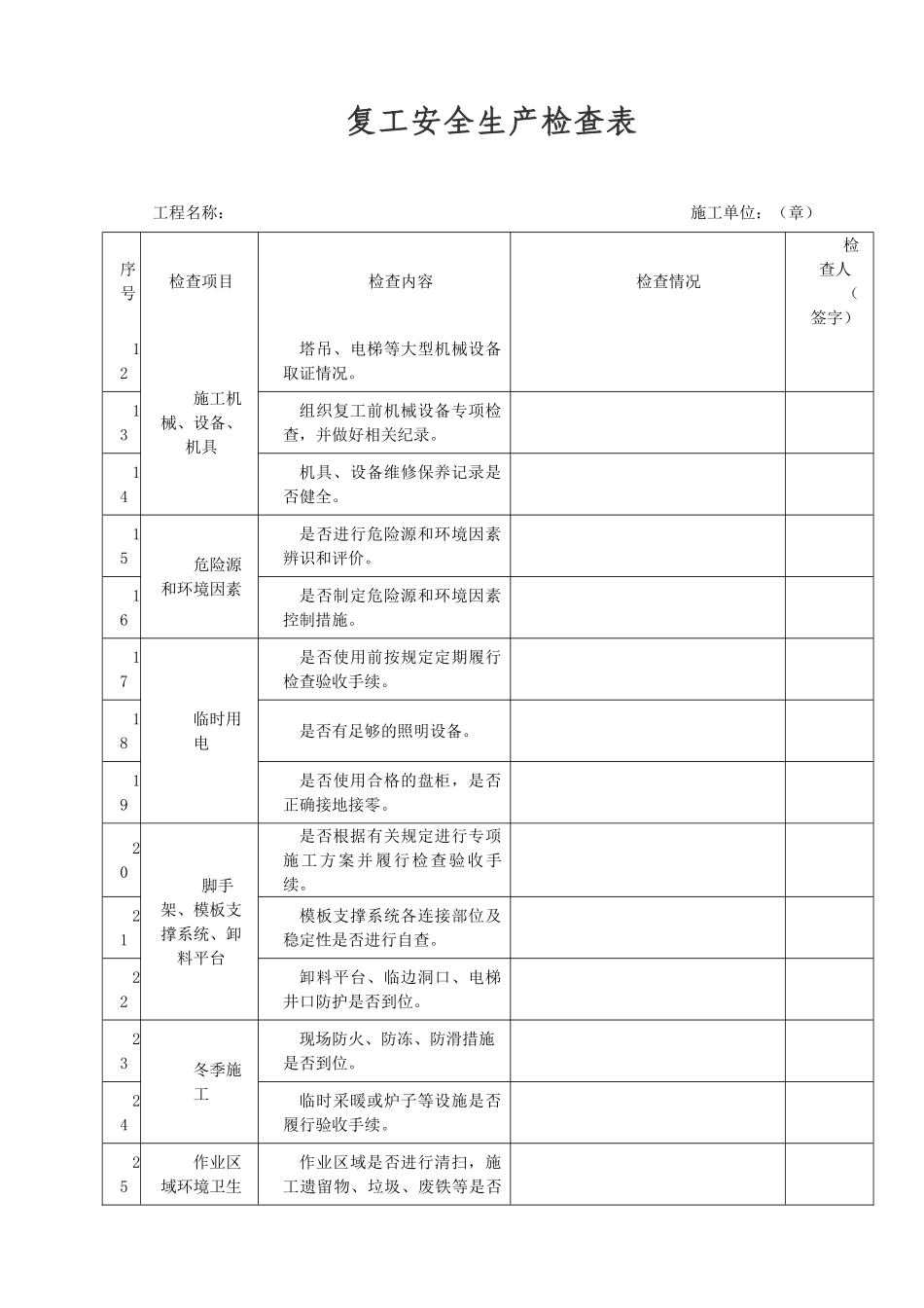
复工安全生产检查表工程名称: 施工单位:(章)序号检查项目检查内容检查情况检查人(签字)1节后复工组织施工单位有无按规定开展节后复工前的安全生产条件自查自纠工作,并做好相关纪录。 2安全生产责任制是否建立安全生产责任制,是否制定各工种安全技术操作规程,是否制定安全生产管理目标(伤亡控制、安全达标、文明施工),是否进行安全责任目标分解。 3专职安全员是否根据规定配备专职安全员。 4分包管理是否签订分包合同,是否签定安全生产协议书,分包单位是否按规定建立安全组织、配备安全员 5人员到位及工人安全教育施工单位主要管理人员到位履职情况。 6新进工人或转岗工人接受三级教育、考试和安全技术交底等安全教育培训情况。 7登高作业人员体检情况。 8特种作业人员持证上岗情况。 9安全标志主要施工区域、危险部位、设施是否按规定悬挂安全标志。 10消防防火是否制定消防措施、制度,是否未配备灭火器材。 11易燃材料是否随意码放,有无防范措施。 复工安全生产检查表工程名称: 施工单位:(章)序号检查项目检查内容检查情况检查人(签字)12施工机械、设备、机具塔吊、电梯等大型机械设备取证情况。 13组织复工前机械设备专项检查,并做好相关纪录。 14机具、设备维修保养记录是否健全。 15危险源和环境因素是否进行危险源和环境因素辨识和评价。 16是否制定危险源和环境因素控制措施。 17临时用电是否使用前按规定定期履行检查验收手续。 18是否有足够的照明设备。 19是否使用合格的盘柜,是否正确接地接零。 20脚手架、模板支撑系统、卸料平台是否根据有关规定进行专项施工方案并履行检查验收手续。 21模板支撑系统各连接部位及稳定性是否进行自查。 22卸料平台、临边洞口、电梯井口防护是否到位。 23冬季施工现场防火、防冻、防滑措施是否到位。 24临时采暖或炉子等设施是否履行验收手续。 25作业区域环境卫生作业区域是否进行清扫,施工遗留物、垃圾、废铁等是否复工安全生产检查表工程名称: 施工单位:(章)序号检查项目检查内容检查情况检查人(签字)进行清理洁净。总包单位意见监理单位意见业主单位意见检查日期: 年 月 日

1、当您付费下载文档后,您只拥有了使用权限,并不意味着购买了版权,文档只能用于自身使用,不得用于其他商业用途(如 [转卖]进行直接盈利或[编辑后售卖]进行间接盈利)。
2、本站所有内容均由合作方或网友上传,本站不对文档的完整性、权威性及其观点立场正确性做任何保证或承诺!文档内容仅供研究参考,付费前请自行鉴别。
3、如文档内容存在违规,或者侵犯商业秘密、侵犯著作权等,请点击“违规举报”。

碎片内容

复工安全生产检查表

确认删除?
VIP
微信客服
  • 扫码咨询
会员Q群
  • 会员专属群点击这里加入QQ群
客服邮箱
回到顶部