电脑桌面
添加小米粒文库到电脑桌面
安装后可以在桌面快捷访问

安全生产目标责任制月度考核表更新版

安全生产目标责任制月度考核表更新版_第1页
1/30
安全生产目标责任制月度考核表更新版_第2页
2/30
安全生产目标责任制月度考核表更新版_第3页
3/30
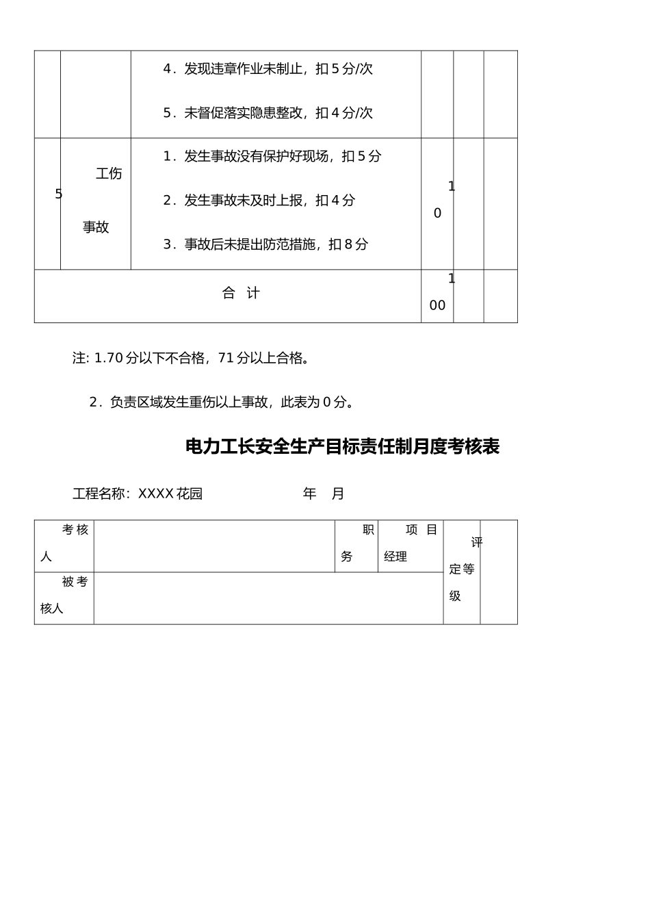
施工员安全生产目标责任制月度考核表工程名称:XXXX 花园 年 月 考 核人职务项 目经理评定 等级被 考核人序号考核内容 扣分标准应得分数扣减分数实得分数1安全教育1.未参加项目级安全教育,扣 6 分2.未督促施工队开展班组安全活动,扣 5分3.制止违章作业时未对违章者进行安全教育,扣 4 分102安全交底1.未及时做好安全技术交底,扣 4 分/次2.未及时做好文明施工交底,扣 4 分/次203.交底不以书面形式或交底无签字,扣 5分4.交底无针对性、可行性,扣 6 分。3安全检查1.无故不参加安全检查或安全会议,扣 2分/次2.安全检查流于形式,未提出有价值的意见,扣 5 分3.发现重大安全隐患或安全死角未及时消除或上报,扣 10 分4.发现不可行的安全措施未改进或上报,扣 6 分304现场管理1.工序安排不合理,冒险作业,扣 10 分/次2.作业混乱,野蛮施工,扣 10 分/次3.安排生产不同时安排安全工作,扣 10分304.发现违章作业未制止,扣 5 分/次5.未督促落实隐患整改,扣 4 分/次5工伤事故1.发生事故没有保护好现场,扣 5 分2.发生事故未及时上报,扣 4 分3.事故后未提出防范措施,扣 8 分10合 计100注: 1.70 分以下不合格,71 分以上合格。 2.负责区域发生重伤以上事故,此表为 0 分。电力工长安全生产目标责任制月度考核表工程名称:XXXX 花园 年 月 考 核人职务项 目经理评定 等级被 考核人注:1. 70分 以下 不合 格71分 以上 合格。序号考核内容扣分标准应得分数扣减分数实得分数1制度法律规范1、未执行相关规定、法律规范和要求,扣 10 分。2、未编制临时电施工组织设计或未审批,扣 10分。1、 未制定布设、检修管理制度,扣 10 分。4、未对电工进行安全技术交底和安全技能培训,扣分。5、未组织电工学习安全用电知识,扣 6 分。20注:1. 70分 以下 不合 格71分 以上 合格。 2 .用 电方 面发 生重 伤以 上事 故此 表为 0 分 ,三 次以 上触 电事 故此 表不 及格。机械工长安全生产目标责任制月度考核表工程名称:XXXX 花园 年 月 考 核人职务项 目经理评定 等2现场管理1、供电线路架设不符合相关要求,扣 4-10 分。2、电工未持证上岗,扣 4 分/人。3、未采作 TN—S]系统,扣 10 分2、 工作接地与重复接地不符合要求,扣 6 分。3、 警示标志不齐全,扣 6 分。4、 其他工种从事电源接驳作业,扣 4 分/人次。5、...

1、当您付费下载文档后,您只拥有了使用权限,并不意味着购买了版权,文档只能用于自身使用,不得用于其他商业用途(如 [转卖]进行直接盈利或[编辑后售卖]进行间接盈利)。
2、本站所有内容均由合作方或网友上传,本站不对文档的完整性、权威性及其观点立场正确性做任何保证或承诺!文档内容仅供研究参考,付费前请自行鉴别。
3、如文档内容存在违规,或者侵犯商业秘密、侵犯著作权等,请点击“违规举报”。

碎片内容

安全生产目标责任制月度考核表更新版

您可能关注的文档

确认删除?
VIP
微信客服
  • 扫码咨询
会员Q群
  • 会员专属群点击这里加入QQ群
客服邮箱
回到顶部