电脑桌面
添加小米粒文库到电脑桌面
安装后可以在桌面快捷访问

市政道路排水工程监理细则

市政道路排水工程监理细则_第1页
1/7
市政道路排水工程监理细则_第2页
2/7
市政道路排水工程监理细则_第3页
3/7
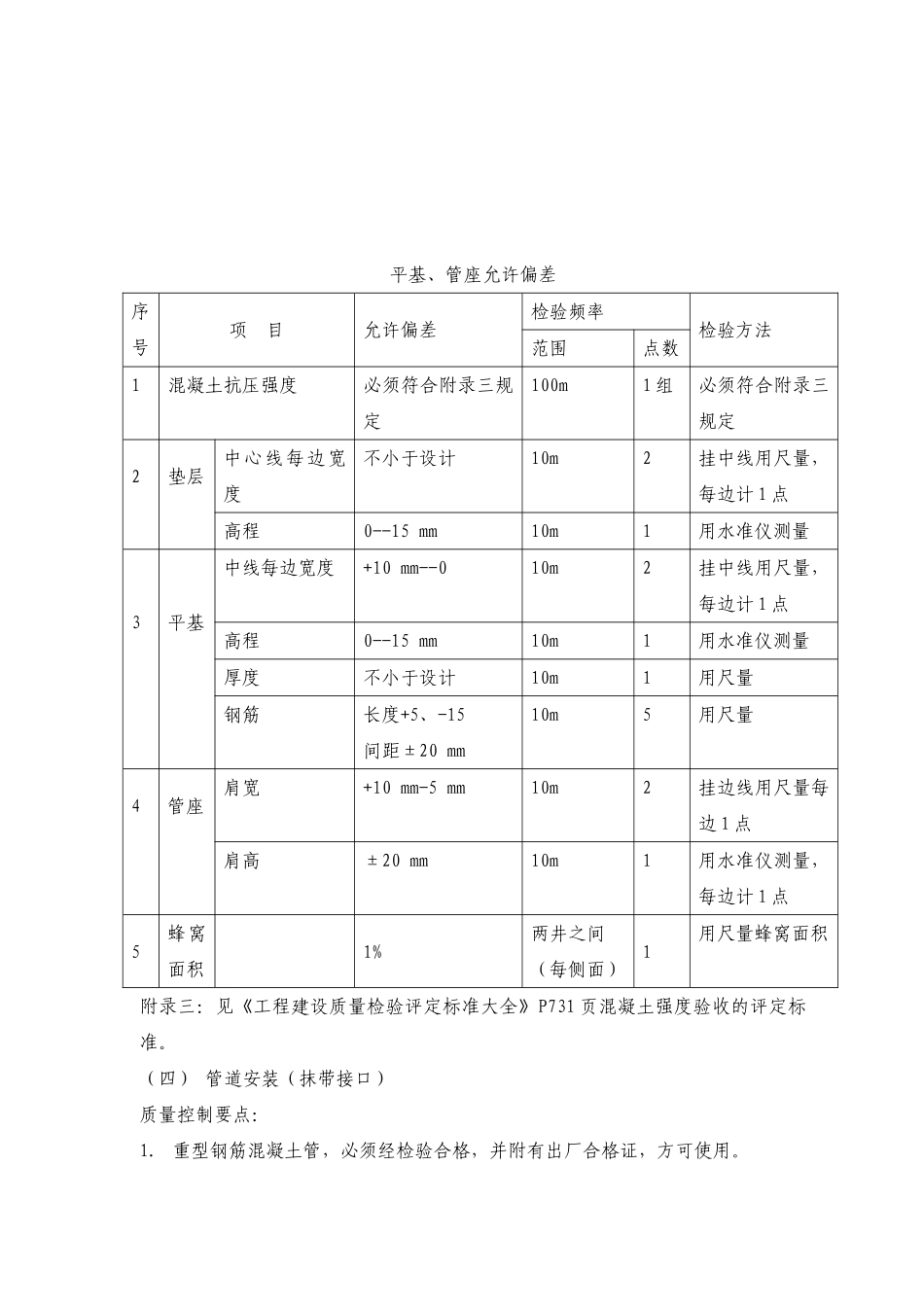
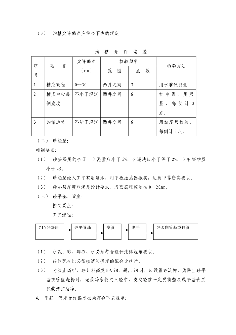
1. 适用范围:本细则适用于漳州开发区卓歧路(延伸段)市政道路工程的排水管道的施工及验收的监督管理。2. 职责:工程监理部负责主持专业工程监理细则的制定,专监理工程师编制,总监理工程师审核;工程监理部负责实施,给排水、土建专业监理工程师具体执行并对其负有相应的责任,监理员负责相应有关工序的旁站。3. 内容:3.1 准备阶段:3.1.1 熟悉合同文件、设计图纸和有关技术资料,对施工单位进行技术交底。3.1.2 审核施工单位的施工组织设计《施工组织设计(方案)报审表》。3.1.3 审查施工单位各类材料的进场数量、质量,审核《建筑(安装)材料报审表》。3.1.4 检查施工单位的劳力、设备进场情况,填写《进场设备报验单》。3.1.5 复查施工单位的测量放线,复核施工单位填写的《施工测量放线报验单》。3.1.6 签发《分项工程开工报告》。3.2施工阶段:3.2.1 工艺流程:(一) 基槽开挖:控制要点:(1)严禁扰动槽底土壤,利用机械施工时应预留 15cm--20cm 的原状土,用人工修整,若发生超挖,严禁用土回填。(2)槽底不得受水浸泡。管沟开挖砂垫层平基、管座管道安装检查井砌筑回填夯实(3)沟槽允许偏差应符合下表的规定:沟 槽 允 许 偏 差序号项 目允许偏差(cm)检验频率检验方法范 围点 数1槽底高程0--30两井之间3用水准仪测量2槽底中心每侧宽度不小于规定两井之间6挂 中 线 , 用 尺量 , 每 侧 计 3点。3沟槽边坡不陡于规定两井之间6用坡度尺检验,每侧计 3 点。(二) 砂垫层:控制要点:(1)砂垫层用的砂子、含泥量应小于 5%,含泥块应小于等于 2%,含有害物质小于 2%。(2)砂垫层经人工平整后洒水,用平板振捣器振实,达到中等密实要求。(3)砂垫层厚度应满足设计要求,表面高程控制在 0--20mm。(三) 砼平基、管座: 控制要点: 工艺流程:(1)水泥、砂、碎石、水必须符合设计法律规范要求。(2)砼的配合比必须按试验确定的配合比执行。(3)为防止离析,砼卸料高度 H≤2M,超出 2M 时,应设置砼流槽。为防止砼平基或管座浇捣时,泥浆等杂物混入砼中,浇捣砼前一定要将垫层或平基表层泥浆清扫洁净。4. 平基、管座允许偏差必须符合下表规定:C10 砼垫层砼平管基安管砌井砼弧向管基或包管平基、管座允许偏差序号项 目允许偏差检验频率检验方法范围点数1混凝土抗压强度必须符合附录三规定100m1 组必须符合附录三规定2垫层中心线每边宽度不小于设计10m2挂...

1、当您付费下载文档后,您只拥有了使用权限,并不意味着购买了版权,文档只能用于自身使用,不得用于其他商业用途(如 [转卖]进行直接盈利或[编辑后售卖]进行间接盈利)。
2、本站所有内容均由合作方或网友上传,本站不对文档的完整性、权威性及其观点立场正确性做任何保证或承诺!文档内容仅供研究参考,付费前请自行鉴别。
3、如文档内容存在违规,或者侵犯商业秘密、侵犯著作权等,请点击“违规举报”。

碎片内容

市政道路排水工程监理细则

您可能关注的文档

确认删除?
VIP
微信客服
  • 扫码咨询
会员Q群
  • 会员专属群点击这里加入QQ群
客服邮箱
回到顶部