电脑桌面
添加小米粒文库到电脑桌面
安装后可以在桌面快捷访问

总线数据采集记录与处理技术样本

总线数据采集记录与处理技术样本_第1页
1/16
总线数据采集记录与处理技术样本_第2页
2/16
总线数据采集记录与处理技术样本_第3页
3/16
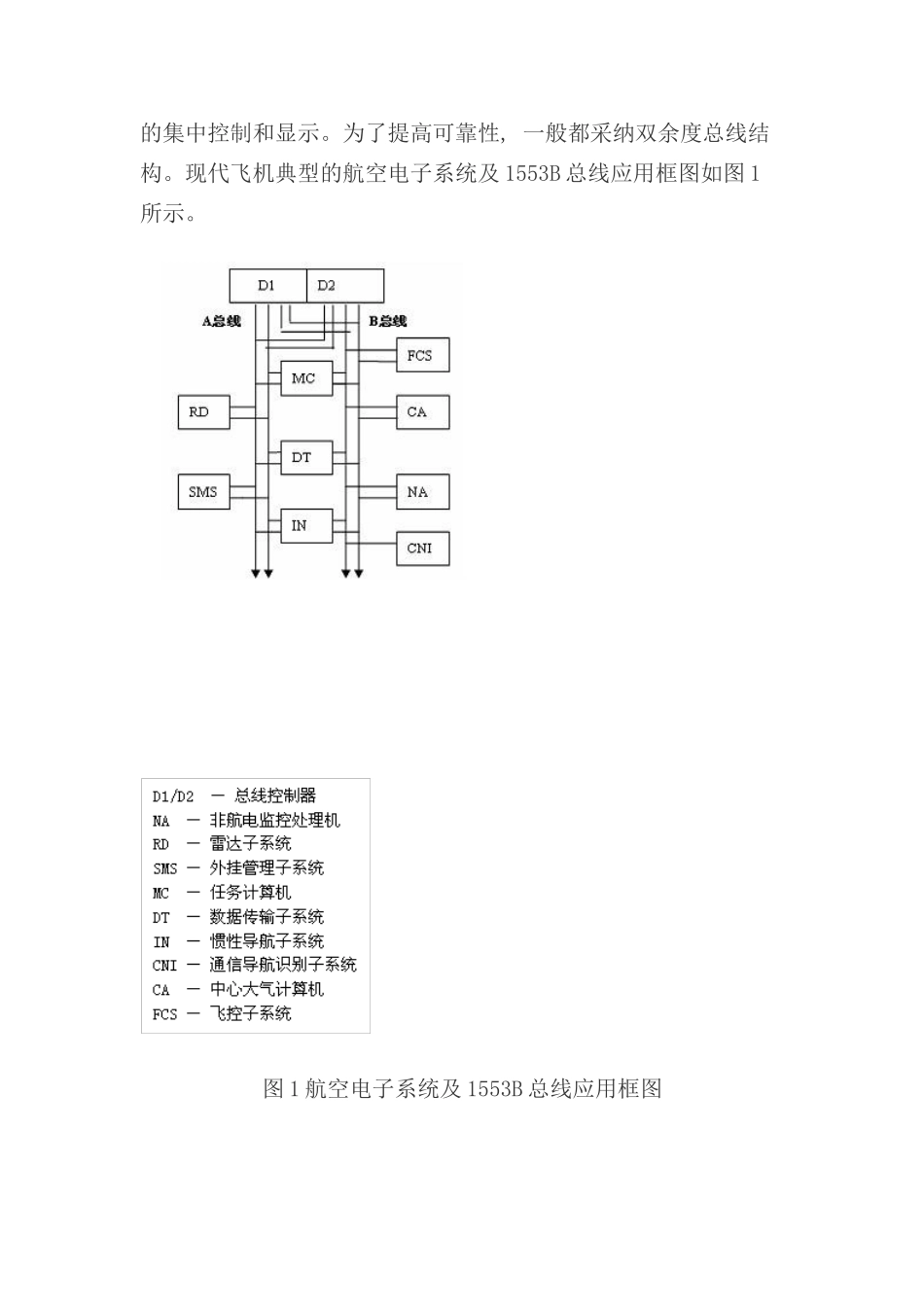
1553B 总线数据采集、 记录与处理技术摘 要: 介绍了现代飞机试飞中 1553B 总线数据的机载采集、 记录方法和地面数据处理方式以及 100%记录的 1553B 总线数据事后预处理软件的功能、 组成、 处理流程和软件设计中的一些关键技术。 关键词: 1553B 总线; 采集; 记录; 数据处理 Abstract: The on-board data acquisition、 recording and processing methods of 1553B-bus in modern flight test are introduced,The functions、 composing and processing flowing of the pre-processing software in post for recorded 100% 1553B data,and the key technologies in software design are also presented. Key words:1553B-bus; acquisition; recording; data processing, 1553B 总线在现代飞机航空电子系统及其它领域有着广泛的应用, 机载航空电子系统方面的试飞任务越来越多, 因此1553B 总线数据的采集、 记录、 处理技术成为试飞测试中的关键技术之一。由于 1553B 总线数据速率高、 数据量大、 数据结构复杂、 数据类型多、 处理要求多样, 使得总线数据处理成为现代飞机试飞数据处理的重点和难点之一。 1、 1553B 总线简介 1553B 总线是飞机内部的时分、 指令/应答多路传输总线。在航空电子系统中, 经过 1553B 总线可连接多达 32 个子系统( 或称终端 RT) , 完成各子系统的通信和数据交换, 以实现各子系统的集中控制和显示。为了提高可靠性, 一般都采纳双余度总线结构。现代飞机典型的航空电子系统及 1553B 总线应用框图如图 1所示。 图 1 航空电子系统及 1553B 总线应用框图1.1 1553B 总线字格式1553B 总线字分为: 命令字、 数据字、 状态字。命令字是由同步头、 远程终端地址字段、 发送/接收位、 子地址/方式字段、 数据字个数/方式代码字段及奇偶位组成。数据字是由同步头、 数据段和奇偶位组成。状态字是由同步头、 远程终端地址、 消息差错位、 测试位、 服务请求位、 3 位备用位、 广播命令接收位、 忙位、 子系统标志位、 动态总线控制接收位、 终端标志位及奇偶位组成。1553B 总线字格式: 每个字的字长为 16 个二进制位的有效值长度加同步头和奇偶位共 20 个二进制位的长度, PCM 化后, 去掉同步头和奇偶位, 16 位有效位的格式符合标准 GJB289-87。1.2 通信方式 总线系统中传输的消息格式...

1、当您付费下载文档后,您只拥有了使用权限,并不意味着购买了版权,文档只能用于自身使用,不得用于其他商业用途(如 [转卖]进行直接盈利或[编辑后售卖]进行间接盈利)。
2、本站所有内容均由合作方或网友上传,本站不对文档的完整性、权威性及其观点立场正确性做任何保证或承诺!文档内容仅供研究参考,付费前请自行鉴别。
3、如文档内容存在违规,或者侵犯商业秘密、侵犯著作权等,请点击“违规举报”。

碎片内容

总线数据采集记录与处理技术样本

您可能关注的文档

一帆文传+ 关注
实名认证
内容提供者

欢迎光临店铺,各类公文供您挑选。

确认删除?
VIP
微信客服
  • 扫码咨询
会员Q群
  • 会员专属群点击这里加入QQ群
客服邮箱
回到顶部