电脑桌面
添加小米粒文库到电脑桌面
安装后可以在桌面快捷访问

接地电阻测试记录表

接地电阻测试记录表 _第1页
1/5
接地电阻测试记录表 _第2页
2/5
接地电阻测试记录表 _第3页
3/5
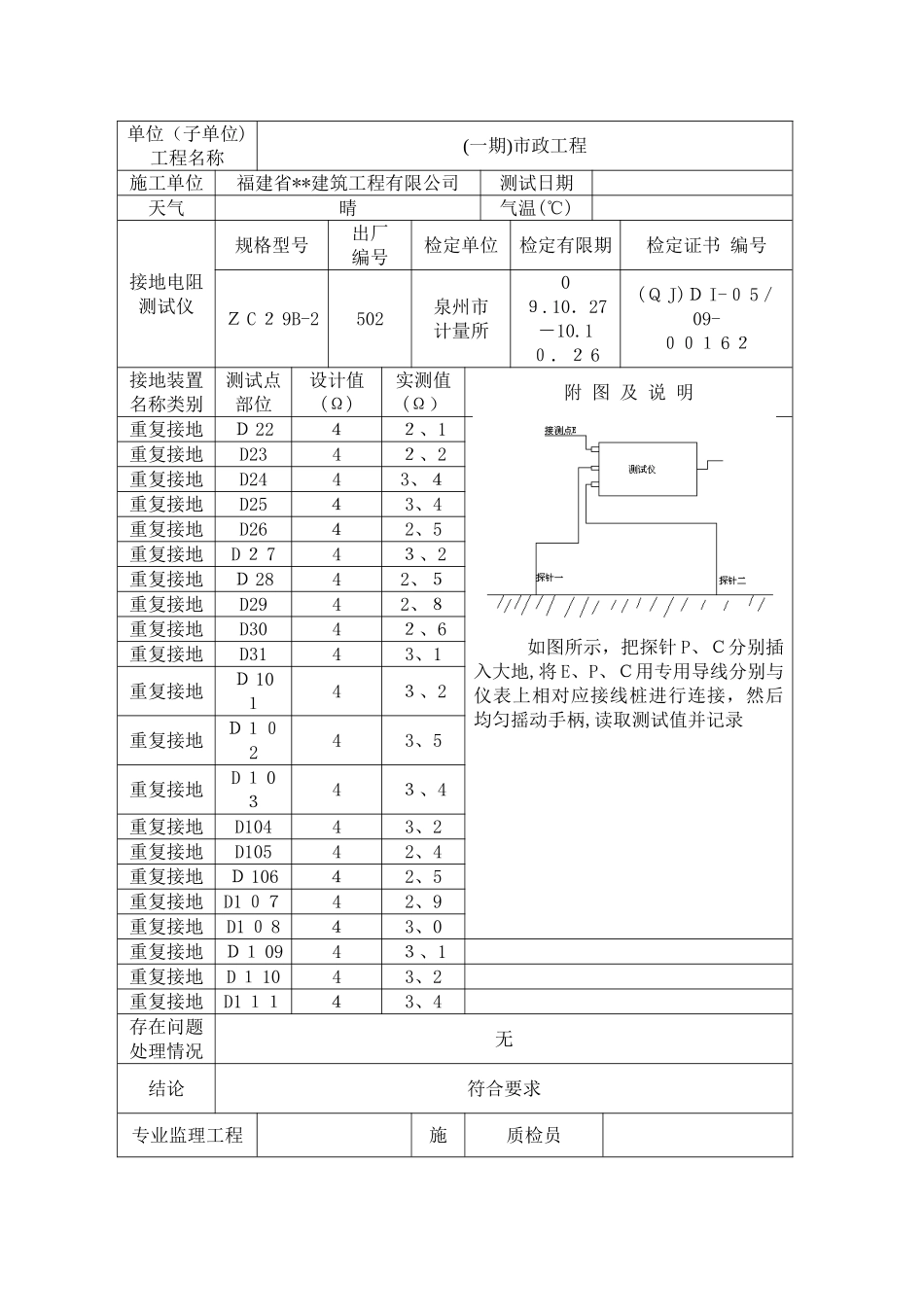
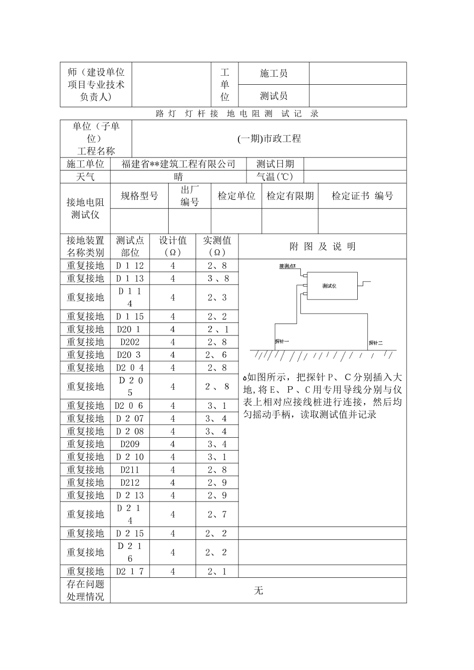
路 灯 灯 杆 接 地 电 阻 测 试 记 录单位(子单位)工程名称(一期)市政工程 施工单位福建省**建筑工程有限公司测试日期天气晴气温(℃)接地电阻测试仪规格型号出厂编号检定单位检定有限期检定证书 编号接地装置名称类别测试点部位设计值(Ω)实测值(Ω)附 图 及 说 明重复接地D 0142、2ﻩ如图所示,把探针 P、C 分别插入大地,将 E、P、C 用专用导线分别与仪表上相对应接线桩进行连接,然后均匀摇动手柄,读取测试值并记录重复接地D0243、3重复接地D0343、4重复接地D0442、8重复接地D0542、1重复接地D 0642、9重复接地D0743、0重复接地D0 842、8重复接地D 0 942、2重复接地D1042、3重复接地D1143、1重复接地D1243、2重复接地D1343、4重复接地D 1443、5重复接地D1542、4重复接地D1 642、5重复接地D1742、4重复接地D1842、4重复接地D1 943、2重复接地D2043、1重复接地D 2 143、2存在问题处理情况无结论符合要求专业监理工程师(建设单位项目专业技术负责人)施工单位质检员施工员测试员路 灯 灯 杆 接 地 电 阻 测 试 记 录单位(子单位)工程名称(一期)市政工程 施工单位福建省**建筑工程有限公司测试日期天气晴气温(℃)接地电阻测试仪规格型号出厂编号检定单位检定有限期检定证书 编号Z C 2 9B-2502泉州市计量所09.10.27-10.10.2 6(Q J)D I-0 5/09-001 6 2接地装置名称类别测试点部位设计值(Ω)实测值(Ω)附 图 及 说 明重复接地D 2242、1如图所示,把探针 P、C分别插入大地,将 E、P、C用专用导线分别与仪表上相对应接线桩进行连接,然后均匀摇动手柄,读取测试值并记录重复接地D2342、2重复接地D2443、4重复接地D2543、4重复接地D2642、5重复接地D 2 743、2重复接地D 2842、5重复接地D2942、8重复接地D3042、6重复接地D3143、1重复接地D 10143、2重复接地D10243、5重复接地D 1 0343、4重复接地D10443、2重复接地D10542、4重复接地D 10642、5重复接地D1 0742、9重复接地D1 0 843、0重复接地D1 0943、1重复接地D 1 1043、2重复接地D1 1143、4存在问题处理情况无结论符合要求专业监理工程施质检员师(建设单位项目专业技术负责人)工单位施工员测试员路 灯 灯 杆 接 地 电 阻 测 试 记 录单位(子单位)工程名称(一期)市政工程 施工单位福建省**建筑工程有限公司测试日期天气晴气...

1、当您付费下载文档后,您只拥有了使用权限,并不意味着购买了版权,文档只能用于自身使用,不得用于其他商业用途(如 [转卖]进行直接盈利或[编辑后售卖]进行间接盈利)。
2、本站所有内容均由合作方或网友上传,本站不对文档的完整性、权威性及其观点立场正确性做任何保证或承诺!文档内容仅供研究参考,付费前请自行鉴别。
3、如文档内容存在违规,或者侵犯商业秘密、侵犯著作权等,请点击“违规举报”。

碎片内容

接地电阻测试记录表

您可能关注的文档

人从众+ 关注
实名认证
内容提供者

欢迎光临小店,本店以公文和教育为主,希望符合您的需求。

确认删除?
VIP
微信客服
  • 扫码咨询
会员Q群
  • 会员专属群点击这里加入QQ群
客服邮箱
回到顶部