电脑桌面
添加小米粒文库到电脑桌面
安装后可以在桌面快捷访问

机械加工切削全参数推荐表

机械加工切削全参数推荐表_第1页
1/17
机械加工切削全参数推荐表_第2页
2/17
机械加工切削全参数推荐表_第3页
3/17
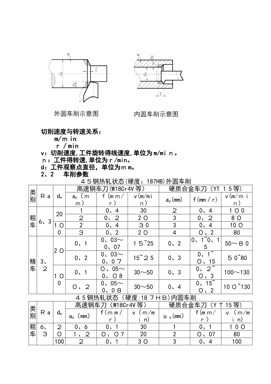
常用材料机械加工切削参数推举表共 26 页2 01 5年 9 月ﻬ目 录1 切削用量选定原则ﻩ32 车削加工切削参数推举表 .. Error: Reference source not found 2 、1 车削要素 ﻩ Error: Reference source not found 2 、 2 车削参数 ﻩ Error: Reference source not found 3 铣 削 加 工 切 削 参 数 推 举 表 ﻩ Error: Reference source not found3 、1 铣削要素 ............ Error: Reference source not found 3、 2 铣削参数 ............ Error: Reference source not found 4 磨削加工切削参数推举表 ﻩ Error: Reference source not found 4 、1 磨削要素 ............ Error: Reference source not found 4 、 2 平面磨削 ............ Error: Reference source not found 4 、3 外圆磨削 ............ Error: Reference source not found 4 、 4 内圆磨削 ﻩ Error: Reference source not found ﻬ1 切削用量选定原则选择机械加工切削用量就就是指具体确定切削工序得切削深度、进给量、切削速度及刀具耐用度.选择切削用量时,要综合考虑生产率、加工质量与加工成本。从切削加工生产率考虑:切削深度、进给量、切削速度中任何一个参数增加一倍,都可提高生产率一倍。从刀具耐用度考虑:应首先采纳最大得切削深度,再选用大得进给量,然后根据确定得刀具耐用度选择切削速度。从加工质量考虑:精加工时,采纳较小得切削深度与进给量,采纳较高得切削速度。2 车削加工切削参数推举表2、1 车削要素切削速度 v:工件旋转得线速度,单位为m/min.进给量 f:工件每旋转一周,工件与刀具相对位移量,单位为 m m/r。切削深度a p:垂直于进给运动方向测量得切削层横截面尺寸,单位为 mm。Ra :以轮廓算术平均偏差评定得表面粗糙度参数,单位为 μm。dw :工件直径,单位为m m.切削速度与转速关系: m/m in r/minv:切削速度,工件旋转得线速度,单位为 m/mi n。n:工件得转速,单位为r/min。d:工件观察点直径,单位为m m。2、2 车削参数45钢热轧状态(硬度:187HB)外圆车削类别 R adw高速钢车刀(W18Cr4V 等)硬质合金车刀(YT 1 5 等)ap(mm)f(m m/r)v(m/min)ap(mm)f(mm/r)v(m/m in)粗车 6、32010、43020、41 0 020、22 030、28 01 0020、43 030、410 030、22...

1、当您付费下载文档后,您只拥有了使用权限,并不意味着购买了版权,文档只能用于自身使用,不得用于其他商业用途(如 [转卖]进行直接盈利或[编辑后售卖]进行间接盈利)。
2、本站所有内容均由合作方或网友上传,本站不对文档的完整性、权威性及其观点立场正确性做任何保证或承诺!文档内容仅供研究参考,付费前请自行鉴别。
3、如文档内容存在违规,或者侵犯商业秘密、侵犯著作权等,请点击“违规举报”。

碎片内容

机械加工切削全参数推荐表

您可能关注的文档

阳光书坊+ 关注
实名认证
内容提供者

阳光书坊,传播未来

确认删除?
VIP
微信客服
  • 扫码咨询
会员Q群
  • 会员专属群点击这里加入QQ群
客服邮箱
回到顶部