电脑桌面
添加小米粒文库到电脑桌面
安装后可以在桌面快捷访问

机械原理平面设计及拼装实验报告

机械原理平面设计及拼装实验报告_第1页
1/10
机械原理平面设计及拼装实验报告_第2页
2/10
机械原理平面设计及拼装实验报告_第3页
3/10
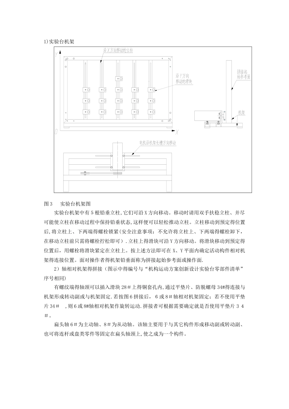
(华东)平面机构运动方案设计与拼接一、实验目得1、加深学生对机构组成原理得认识,进一步理解平面机构得组成及其运动特性。2、通过平面机构得拼装,训练学生得工程实践动手能力,了解机构在实际安装中可能出现得运动干涉现象及解决办法。ﻫ3、通过机构运动方案得设计,培育学生得创新意识与综合设计能力。二、机构设计及实验组装说明书1、实验所用器材介绍搭接机构就是在机架前侧平面上完成得。本实验配有各种工具、连接用得螺钉、螺帽、垫圈等。其它主要零部件及其功能请认真阅读表 1。表 1 主要零件及其功能表标号名称图形功能1固 定 支 座销轴与机架相连,带键槽得为主动销轴。不带键槽得为从动销轴。图 1 机架1 机架xy2 立柱3 滑块4 电动机5 皮带传动机架后侧2销轴 用于构成转动副或移动副得连接轴3端螺栓装于轴端头,有台肩得可压紧轴端头,无台肩得可压紧套在轴上得连杆。4连杆将 1、2 得圆柱或扁头装于其上得圆孔或槽中,用端螺栓压紧轴端头,构成转动副或移动副。2、实验原理机构组成:曲柄摇杆与摇杆滑块组合而成得机构,如图所示。工作特点: 当曲柄 1 做连续转动时,摇杆 2 作往复摆动,同时摇杆 3 与摇杆 4 作往复摆动带动滑块5 作往复直线移动.该机构可用于筛选机器等往复直线摆动得机器中,滑块 5 在摇杆 3 与摇杆 4 作往复摆动得力得作用带动下作往复直线运动(非匀速),可以用于抖动筛选物品.3、实验正确拼装运动副方案根据拟定或由实验中获得得机构运动学尺寸,利用机构运动方案创新设计实验台提供得零件按机构运动得传递顺序进行拼接.拼接时,首先要分清机构中各构件所占据得运动平面,其目得就是避开各运动构件发生运动干涉.然后,以实验台机架铅垂面为拼接得起始参考面,按预定拼接计划进行拼接。拼接中应注意各构件得运动平面就是平行得,所拼接机构得外伸运动层面数愈少,机构运动愈平稳,为此,建议机构中各构件得运动层面以交错层得排列方式进行拼接。机构运动方案创新设计实验台提供得运动副得拼接方法请参见以下介绍.曲柄 1摇杆 2摇杆 3摇杆 4滑块 5机架 61)实验台机架 图 3 实验台机架图实验台机架中有5根铅垂立柱,它们可沿 X 方向移动。移动时请用双手扶稳立柱、并尽可能使立柱在移动过程中保持铅垂状态,这样便可以轻松推动立柱。立柱移动到预定得位置后,将立柱上、下两端得螺栓锁紧(安全注意事项:不允许将立柱上、下两端得螺栓卸下,在移动立柱前只需将螺栓拧松即可).立柱上得...

1、当您付费下载文档后,您只拥有了使用权限,并不意味着购买了版权,文档只能用于自身使用,不得用于其他商业用途(如 [转卖]进行直接盈利或[编辑后售卖]进行间接盈利)。
2、本站所有内容均由合作方或网友上传,本站不对文档的完整性、权威性及其观点立场正确性做任何保证或承诺!文档内容仅供研究参考,付费前请自行鉴别。
3、如文档内容存在违规,或者侵犯商业秘密、侵犯著作权等,请点击“违规举报”。

碎片内容

机械原理平面设计及拼装实验报告

您可能关注的文档

确认删除?
VIP
微信客服
  • 扫码咨询
会员Q群
  • 会员专属群点击这里加入QQ群
客服邮箱
回到顶部