电脑桌面
添加小米粒文库到电脑桌面
安装后可以在桌面快捷访问

机械零件CAD设计与带轮3D设计示例

机械零件CAD设计与带轮3D设计示例_第1页
1/22
机械零件CAD设计与带轮3D设计示例_第2页
2/22
机械零件CAD设计与带轮3D设计示例_第3页
3/22
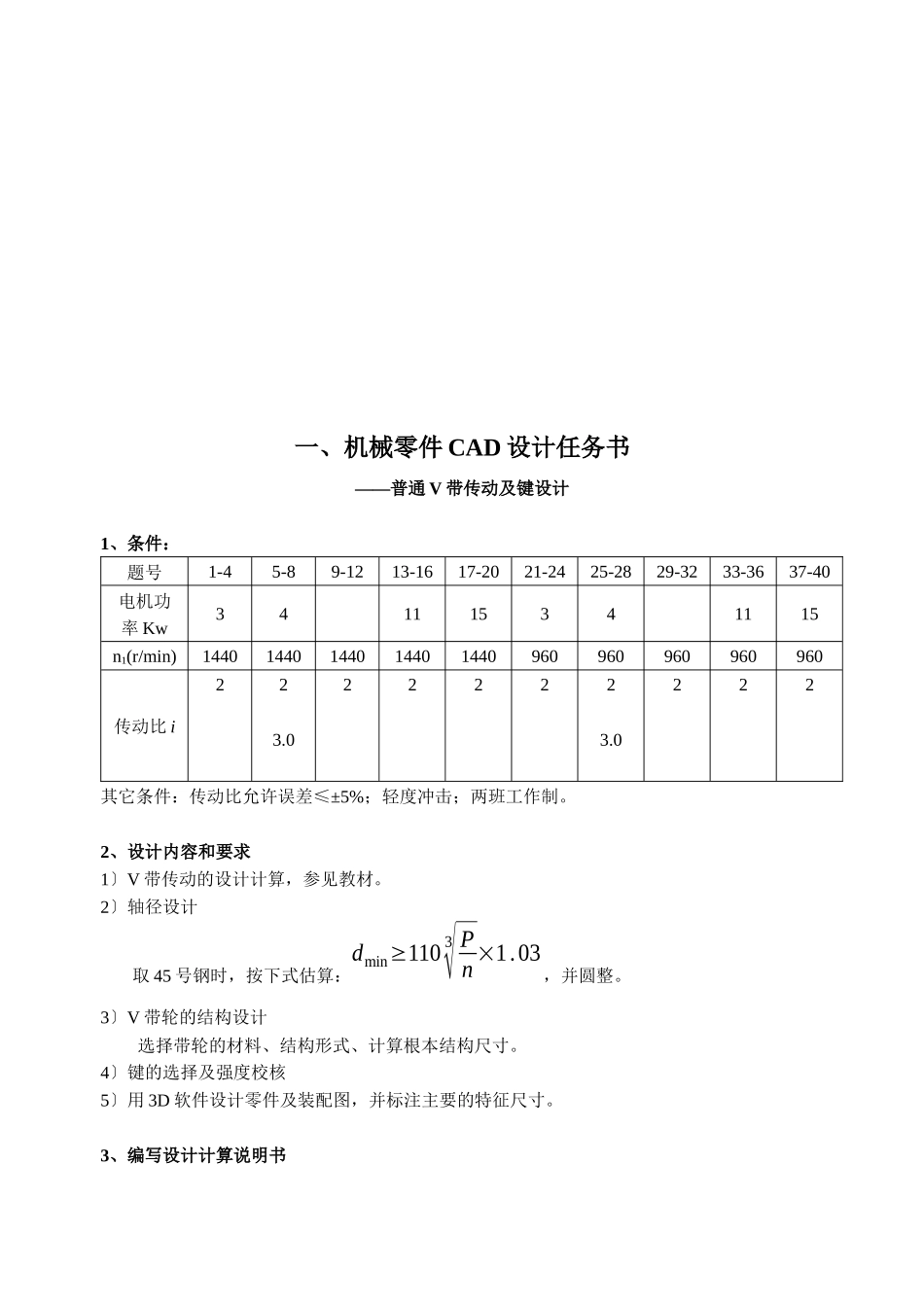
一、机械零件 CAD 设计任务书——普通 V 带传动及键设计1、条件:题号1-45-89-1213-1617-2021-2425-2829-3233-3637-40电机功率 Kw341115341115n1(r/min)14401440144014401440960960960960960传动比 i223.0222223.0222其它条件:传动比允许误差≤±5%;轻度冲击;两班工作制。2、设计内容和要求1〕V 带传动的设计计算,参见教材。2〕轴径设计取 45 号钢时,按下式估算:dmin≥1103√Pn ×1.03,并圆整。3〕V 带轮的结构设计选择带轮的材料、结构形式、计算根本结构尺寸。4〕键的选择及强度校核5〕用 3D 软件设计零件及装配图,并标注主要的特征尺寸。3、编写设计计算说明书封面、题目、目录、设计内容及结果、小结、参考资料等。二、带轮 3D 设计例如〔一〕结构尺寸以教材上的带传动例题中的参数为例:dd1=80,z=3,带型 SPZ,查得:bd=8.5,hamin=2,hfmin=9,e12,f=8,δmin=5.5,B=〔z-1〕e+2f=〔3-1〕×12+2×8=40,da=dd+2ha=80+2×2=84,φ=34°,L=B=40。〔二〕SolidWorks 小带轮 3D 设计步骤1.启动 SolidWorks 新建零件文件→保存文件名为“小带轮.SLDPRT〞到自己建立的文件夹。2.绘制截面草图:点击前视基准面→草图绘制→草图绘制 在该草图上绘制带轮截面,如下列图:3.生成 3D插入→凸台/基体→旋转〔如下列图〕点击属性窗口中确实定按钮,再按整体显示全图按钮,结果如下:4.绘制轴孔点击一个端面→草图绘制→草图绘制点击“正视于〞按钮在该草图中绘制一圆,假设半径为 15,如下列图〔还可画出键〕:点击特征→拉伸切除选择“完全贯穿〞按 OK 按钮,再利用旋转视图按钮调节视图:存盘。〔三〕SolidWorks 大带轮 3D 设计步骤可按小带轮的设计步骤进行。下面我们介绍一种简便方法:1.翻开文件:小带轮.SLDPRT,另存为:大带轮.SLDPRT2.右击旋转下的草图→编辑草图,如下列图:按正视于双击半径为 40 的尺寸,将其改为大带轮的半径 40:按 OK,再按整体显示全图按钮,结果如下:按右上角的,再调整视图,如下:3.绘制辐板点击一个端面→草图绘制→草图绘制点击“正视于〞按钮在该草图中绘制一圆,假设半径为 15,如下列图〔还可画出键〕:点击特征→拉伸切除选择“给定深度〞,输入 10按 OK 按钮,再利用旋转视图按钮调节视图:选择另一端面,重复上一过程,切除另一端面。存盘。〔四〕SolidWorks 机架 3D 设计步骤1.启动 SolidWorks 新建零件文件→保存文件名为“机架.SLDPRT〞到自...

1、当您付费下载文档后,您只拥有了使用权限,并不意味着购买了版权,文档只能用于自身使用,不得用于其他商业用途(如 [转卖]进行直接盈利或[编辑后售卖]进行间接盈利)。
2、本站所有内容均由合作方或网友上传,本站不对文档的完整性、权威性及其观点立场正确性做任何保证或承诺!文档内容仅供研究参考,付费前请自行鉴别。
3、如文档内容存在违规,或者侵犯商业秘密、侵犯著作权等,请点击“违规举报”。

碎片内容

机械零件CAD设计与带轮3D设计示例

确认删除?
VIP
微信客服
  • 扫码咨询
会员Q群
  • 会员专属群点击这里加入QQ群
客服邮箱
回到顶部