电脑桌面
添加小米粒文库到电脑桌面
安装后可以在桌面快捷访问

桥涵表小型构件钢筋加工及安装自检表

桥涵表小型构件钢筋加工及安装自检表_第1页
1/2
桥涵表小型构件钢筋加工及安装自检表_第2页
2/2
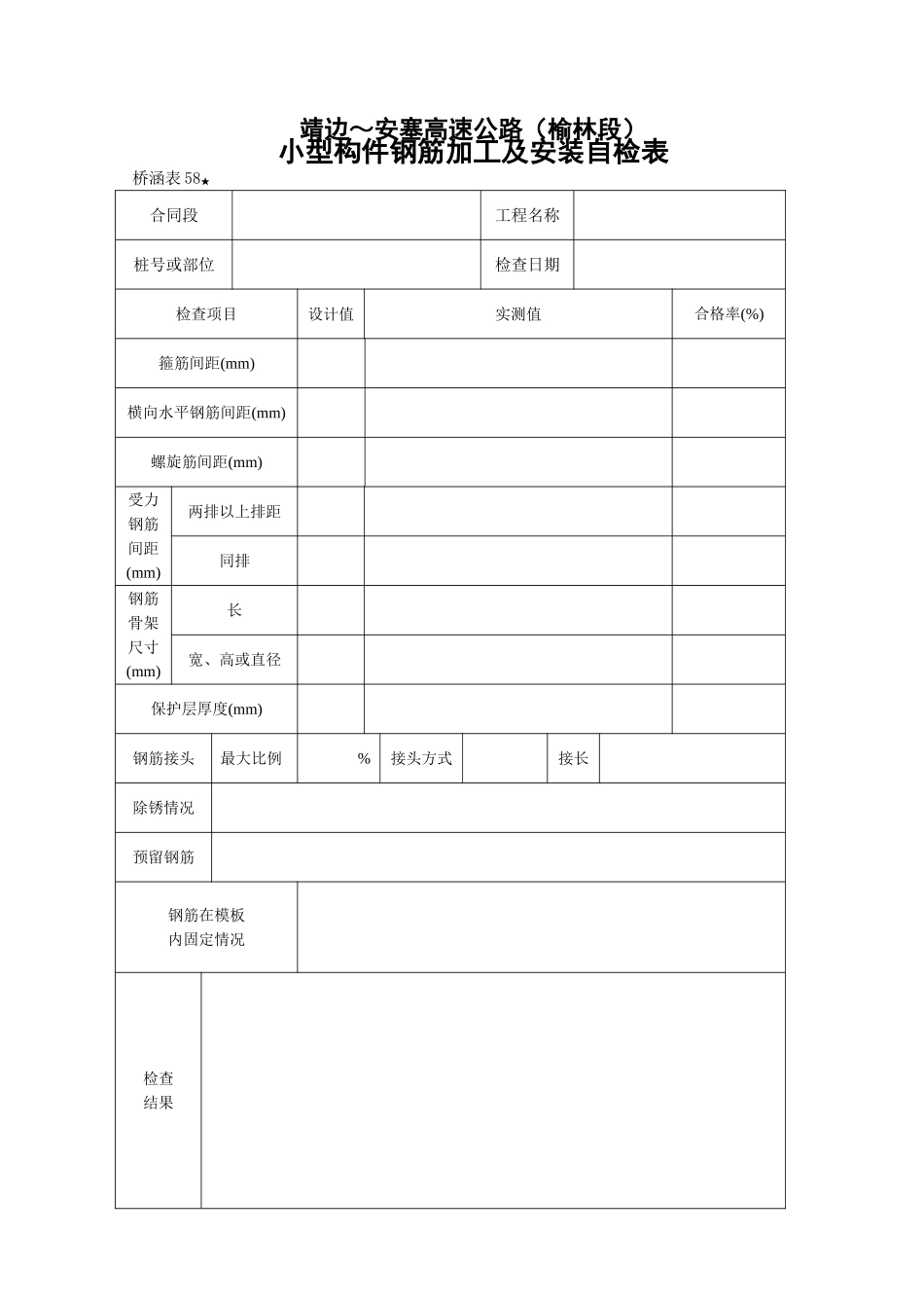
靖边~安塞高速公路(榆林段)小型构件钢筋加工及安装自检表桥涵表 58★ 合同段工程名称桩号或部位检查日期检查项目设计值实测值合格率(%)箍筋间距(mm)横向水平钢筋间距(mm)螺旋筋间距(mm)受力钢筋间距(mm)两排以上排距同排钢筋骨架尺寸(mm)长宽、高或直径保护层厚度(mm) 钢筋接头最大比例 %接头方式接长除锈情况预留钢筋钢筋在模板内固定情况检查结果检查监理工程师

1、当您付费下载文档后,您只拥有了使用权限,并不意味着购买了版权,文档只能用于自身使用,不得用于其他商业用途(如 [转卖]进行直接盈利或[编辑后售卖]进行间接盈利)。
2、本站所有内容均由合作方或网友上传,本站不对文档的完整性、权威性及其观点立场正确性做任何保证或承诺!文档内容仅供研究参考,付费前请自行鉴别。
3、如文档内容存在违规,或者侵犯商业秘密、侵犯著作权等,请点击“违规举报”。

碎片内容

桥涵表小型构件钢筋加工及安装自检表

您可能关注的文档

确认删除?
VIP
微信客服
  • 扫码咨询
会员Q群
  • 会员专属群点击这里加入QQ群
客服邮箱
回到顶部