电脑桌面
添加小米粒文库到电脑桌面
安装后可以在桌面快捷访问

玉林市污水处理厂厂区和泵站土建工程及设施安全监理细则

玉林市污水处理厂厂区和泵站土建工程及设施安全监理细则_第1页
1/14
玉林市污水处理厂厂区和泵站土建工程及设施安全监理细则_第2页
2/14
玉林市污水处理厂厂区和泵站土建工程及设施安全监理细则_第3页
3/14
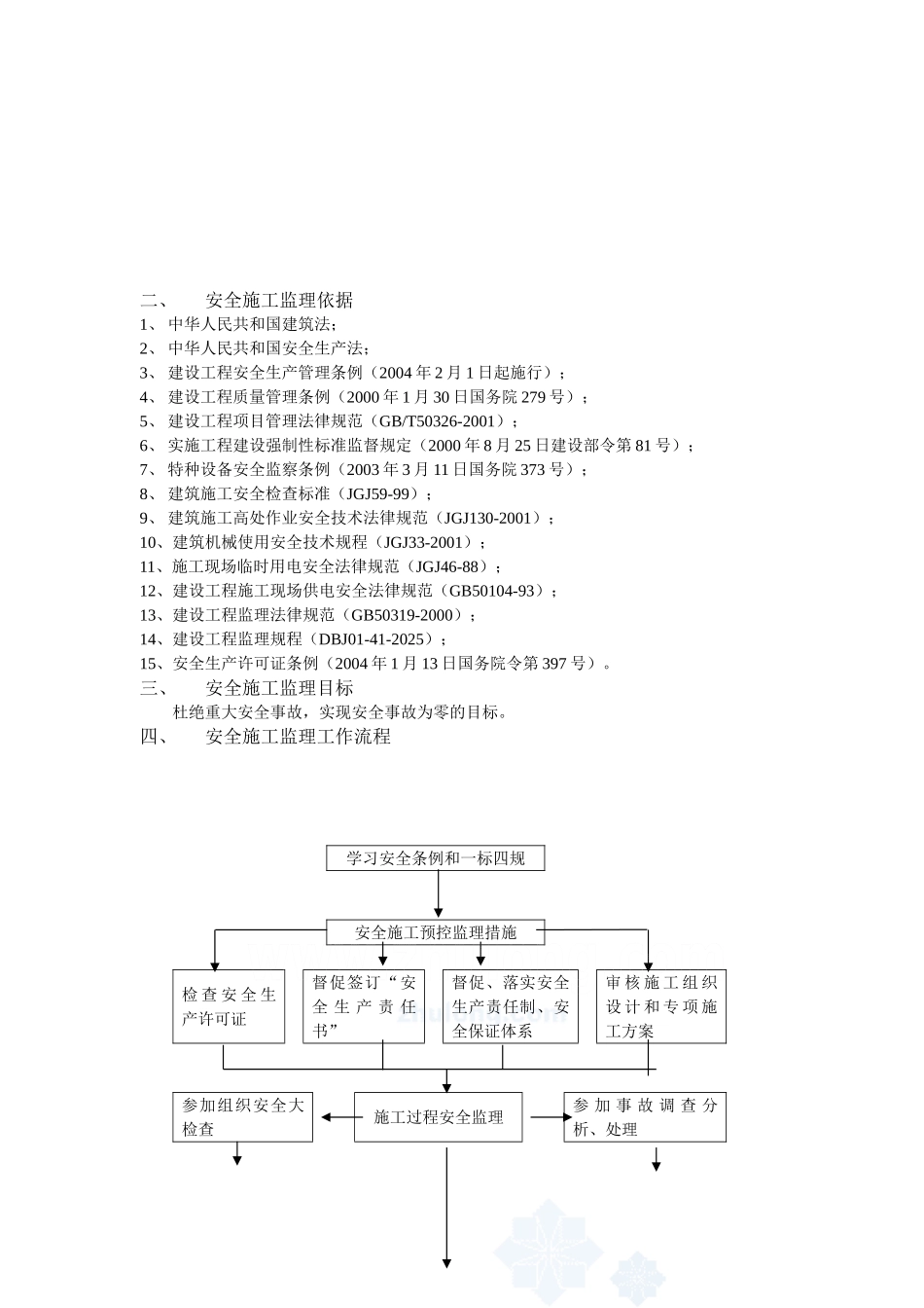
玉林市污水处理厂厂区和泵站土建工程及设施安全监理细则编写: 批准: 年 月 日安全监理细则一、建设工程项目概况㈠、概况一览表工程项目名称玉林市污水处理厂厂区和泵站土建工程及设施工程项目地点玉林市西郊玉福路与一环西路交汇处建 设 单 位玉林市城市建设投资有限公司勘 察 单 位广西桂林市水文工程地质勘测院设 计 单 位中国市政工程中南设计讨论院监 理 单 位南宁品正建设咨询有限责任公司质 监 单 位玉林市建筑工程质量监督站承 包 单 位江西省建工集团公司承 包 范 围污水处理厂厂区和泵站土建工程及设施施 工 工 期12 个月工 程 造 价7500 万元质 量 目 标合格 ㈡、工程特点1、 建筑面积大玉林市污水处理厂厂区和泵站土建工程及设施施工工程,建筑面积较大。拟建建筑在玉林市玉州区城西玉豸村松木园处。常用的施工材料、周转材料可适当囤积,必须合理安排材料的采购及进场。钢筋加工场及模板加工场必须设在现场布置。办公室及其他临设都可以设置在施工现场,具体详见施工平面布置图。2、 工程量大、工期紧该工程建(构)筑物工程量较大,工期较紧,工程施工内容多,专业化程度高,总工期控制在 210 日历天,正常施工是相当紧张的,特别是基础阶段及主体阶段工程量大,因此要充分做好组织,合理安排施工工序,计划进度保证得到实施,确保按期完成。 3、 专业化程度高、立体交叉作业、施工管理协调难度大根据工程的特点,技术难度相当高,专业化程度高,立体交叉作业频繁,包括内容多,构筑物多,占地宽,在施工程序必须将打破常规,进行多专业立体交叉作业,水电安装与土建工程的施工交叉,土建与设备、管道施工交叉,土建结构与装饰工程的交叉。由于立体交叉作业多,给施工管理带来了难度。工序间的交接管理、施工配合难度更大。因此本公司安排了经验丰富的管理人员,从事过类似工程的人员负责现场管理。二、安全施工监理依据1、 中华人民共和国建筑法;2、 中华人民共和国安全生产法;3、 建设工程安全生产管理条例(2004 年 2 月 1 日起施行);4、 建设工程质量管理条例(2000 年 1 月 30 日国务院 279 号);5、 建设工程项目管理法律规范(GB/T50326-2001);6、 实施工程建设强制性标准监督规定(2000 年 8 月 25 日建设部令第 81 号);7、 特种设备安全监察条例(2003 年 3 月 11 日国务院 373 号);8、 建筑施工安全检查标准(JGJ59-99);9、...

1、当您付费下载文档后,您只拥有了使用权限,并不意味着购买了版权,文档只能用于自身使用,不得用于其他商业用途(如 [转卖]进行直接盈利或[编辑后售卖]进行间接盈利)。
2、本站所有内容均由合作方或网友上传,本站不对文档的完整性、权威性及其观点立场正确性做任何保证或承诺!文档内容仅供研究参考,付费前请自行鉴别。
3、如文档内容存在违规,或者侵犯商业秘密、侵犯著作权等,请点击“违规举报”。

碎片内容

玉林市污水处理厂厂区和泵站土建工程及设施安全监理细则

您可能关注的文档

确认删除?
VIP
微信客服
  • 扫码咨询
会员Q群
  • 会员专属群点击这里加入QQ群
客服邮箱
回到顶部