电脑桌面
添加小米粒文库到电脑桌面
安装后可以在桌面快捷访问

离心泵性能实验报告

离心泵性能实验报告_第1页
1/10
离心泵性能实验报告_第2页
2/10
离心泵性能实验报告_第3页
3/10
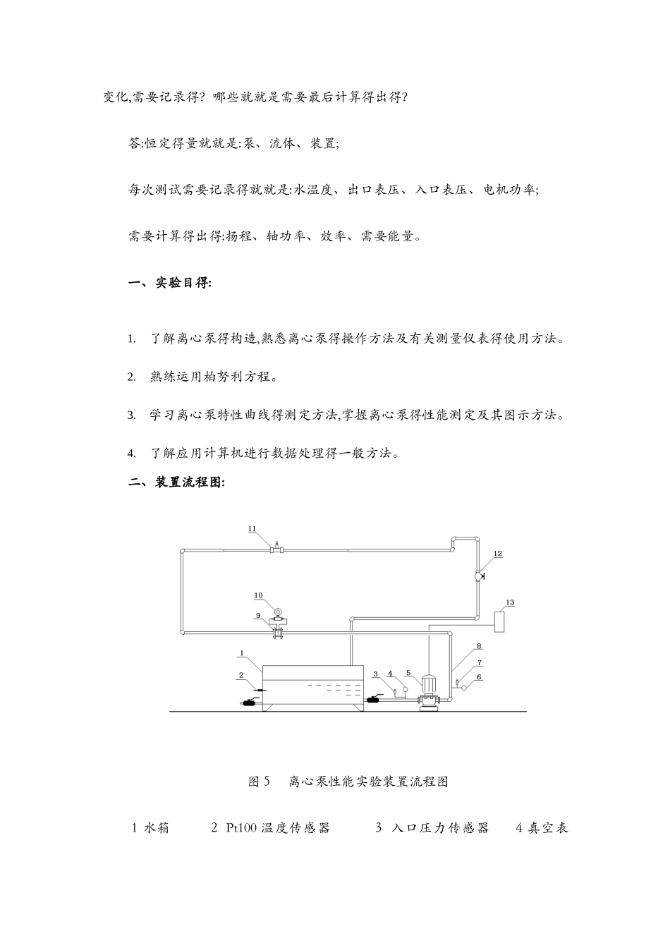
实验三、离心泵性能实验姓名:杨梦瑶 学号:11 10 7 00 0 5 6 实验日期:2 014 年6月 6 日 同组人:陈艳月 黄燕霞 刘洋 覃雪 徐超 张骏捷 曹梦珺 左佳灵预习问题:1.什么就就是离心泵得特性曲线? 为什么要测定离心泵得特性曲线?答:离心泵得特性曲线:泵得 H e、P、η 与 QV得关系曲线,她反映了泵得基本性能。要测定离心泵得特性曲线就就是为了得到离心泵最佳工作条件,即合适得流量范围。2.为什么离心泵得扬程会随流量变化?答:当转速变大时,,沿叶轮切线速度会增大,当流量变大时,沿叶轮法向速度会变大,所以根据伯努力方程,泵得扬程:H=(u22- u 12)/2 g + (p 2- p 1) / ρ g + (z2- z1) +H f沿叶轮切线速度变大,扬程变大。反之,亦然。3.泵吸入端液面应与泵入口位置有什么相对关系? 答:其相对关系由汽蚀余量决定,低饱和蒸气压时,泵入口位置低于吸入端液面,流体可以凭借势能差吸入泵内;高饱和蒸气压时,相反。但就就是两种情况下入口位置均应低于允许安装高度,为避开发生汽蚀和气缚现象。4.实验中得哪些量就就是根据实验条件恒定得?哪些就就是每次测试都会变化,需要记录得?哪些就就是需要最后计算得出得?答:恒定得量就就是:泵、流体、装置;每次测试需要记录得就就是:水温度、出口表压、入口表压、电机功率;需要计算得出得:扬程、轴功率、效率、需要能量。一、实验目得:1.了解离心泵得构造,熟悉离心泵得操作方法及有关测量仪表得使用方法。2.熟练运用柏努利方程。3.学习离心泵特性曲线得测定方法,掌握离心泵得性能测定及其图示方法。4.了解应用计算机进行数据处理得一般方法。二、装置流程图:图5 离心泵性能实验装置流程图 1 水箱 2 Pt100 温度传感器 3 入口压力传感器 4真空表 5 离心泵 6 压力表 7 出口压力传感器 8 φ 4 8×3不锈钢管图 9 孔板流量计 d=2 4mm 1 0压差传感器 11 涡轮流量计 12 流量调节阀 1 3 变频器三、实验任务:1. 绘制离心泵在一定转速下得 H(扬程)~Q(流量);N(轴功率)~Q;η(效率)~Q三条特性曲线。2. 绘制不同频率下离心泵管路特性曲线四、实验原理:1. 离心泵得性能参数取决于泵得内部结构,叶轮形式及转速,在恒定转速下,离心泵得性能——扬程、功率和效率与其流量呈一定得函数关系。通常用水做实验测出她们之间得关系以曲线表示,即 He~Q、N 轴~Q、η~Q称为离心泵得特性曲线。在实验中只要测出泵得流量、进口...

1、当您付费下载文档后,您只拥有了使用权限,并不意味着购买了版权,文档只能用于自身使用,不得用于其他商业用途(如 [转卖]进行直接盈利或[编辑后售卖]进行间接盈利)。
2、本站所有内容均由合作方或网友上传,本站不对文档的完整性、权威性及其观点立场正确性做任何保证或承诺!文档内容仅供研究参考,付费前请自行鉴别。
3、如文档内容存在违规,或者侵犯商业秘密、侵犯著作权等,请点击“违规举报”。

碎片内容

离心泵性能实验报告

您可能关注的文档

确认删除?
VIP
微信客服
  • 扫码咨询
会员Q群
  • 会员专属群点击这里加入QQ群
客服邮箱
回到顶部