电脑桌面
添加小米粒文库到电脑桌面
安装后可以在桌面快捷访问

竣工工程移交证书

竣工工程移交证书_第1页
1/9
竣工工程移交证书_第2页
2/9
竣工工程移交证书_第3页
3/9
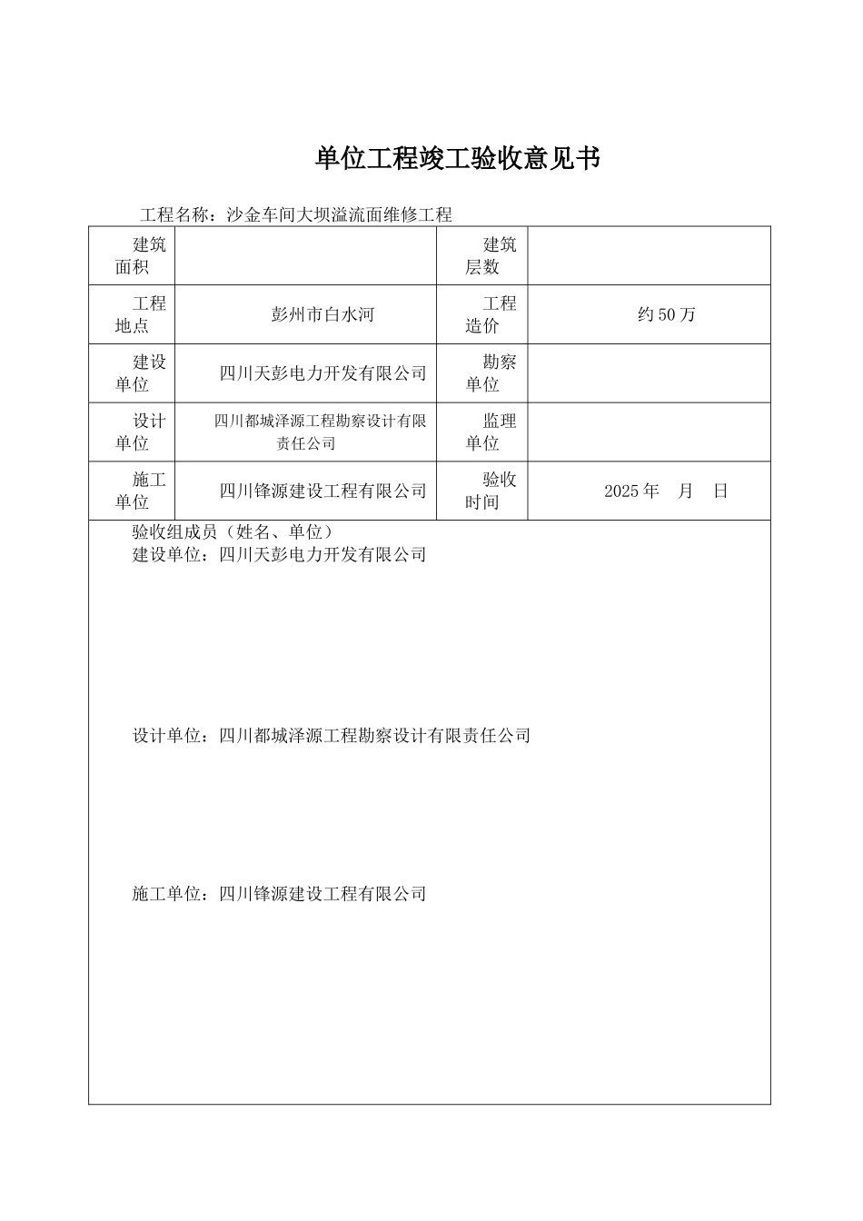
竣工工程移交证书工程名称:沙金车间大坝溢流面维修工程 建筑面积建筑层数工程地点彭州市白水河工程造价建设单位四川天彭电力开发有限公司勘察单位设计单位四川都城泽源工程勘察设计有限责任公司监理单位施工单位四川锋源建设工程有限公司验收时间2025 年 月 日主要工程内容:根据合同及施工图约定破除原溢流面损坏砼,溢流面钢筋制作安装、C40 大坝溢流面砼浇筑及挡墙中柱的修复工作。交接情况(符合设计的程度,主要缺陷及处理意见):工程质量符合设计及法律规范要求。验收意见: 符合国家质量合格标准,同意交付使用!建设单位:法人代表: 年 月 日施工单位:法人代表: 年 月 日监理单位:总监:年 月 日单位工程竣工验收意见书工程名称:沙金车间大坝溢流面维修工程建筑面积建筑层数工程地点彭州市白水河工程造价约 50 万建设单位四川天彭电力开发有限公司勘察单位设计单位四川都城泽源工程勘察设计有限责任公司监理单位施工单位四川锋源建设工程有限公司验收时间2025 年 月 日验收组成员(姓名、单位)建设单位:四川天彭电力开发有限公司设计单位:四川都城泽源工程勘察设计有限责任公司施工单位:四川锋源建设工程有限公司验收情况(验收程序、验收标准、分组情况、验收内容、检查方式)1、验收程序符合国家建筑工程验收程序要求。2、按国家现行的法律、法规、建设工程强制性条文及国家验收法律规范要求进行检查验收。3、工程实体质量检查组。4、现场实地查看和测量的方法进行检查验收。验收意见:1、符合我国现行法律、法规要求;2、符合我国现行建设工程强制性标准、法律规范要求;3、符合设计文件和施工合同要求;4、工程质保资料有效、齐全;5、工程质量达到合格标准。验收结论和质量等级:符合国家质量合格标准,同意交付使用!遗留问题及处理意见:验收组成员:(签名) 组长:(签名) 年 月 日说明:本表一式三份备案机关、建设单位、质监机构各一份。施工单位工程竣工报告工程名称沙金车间大坝溢流面维修工程建筑面积或规模施工单位四川锋源建设工程有限公司结构类型及层数完成工程设计和合同约定情况已根据工程设计和合同约定的内容完成。执行强制性标准及勘察、设计文件情况执行国家现行法律、法规及强制性标准,严格根据设计文件、施工法律规范进行管理、组织施工。技术档案及施工管理资料情况技术档案及施工管理资料齐全、有效。主要建筑材料建筑构配件和设备合格证及进场试验报告真实、齐全、有效...

1、当您付费下载文档后,您只拥有了使用权限,并不意味着购买了版权,文档只能用于自身使用,不得用于其他商业用途(如 [转卖]进行直接盈利或[编辑后售卖]进行间接盈利)。
2、本站所有内容均由合作方或网友上传,本站不对文档的完整性、权威性及其观点立场正确性做任何保证或承诺!文档内容仅供研究参考,付费前请自行鉴别。
3、如文档内容存在违规,或者侵犯商业秘密、侵犯著作权等,请点击“违规举报”。

碎片内容

竣工工程移交证书

MY shop+ 关注
实名认证
内容提供者

欢迎挑选适合自己的材料。

确认删除?
VIP
微信客服
  • 扫码咨询
会员Q群
  • 会员专属群点击这里加入QQ群
客服邮箱
回到顶部