电脑桌面
添加小米粒文库到电脑桌面
安装后可以在桌面快捷访问

自动化生产线安装与调试实训报告

自动化生产线安装与调试实训报告_第1页
1/14
自动化生产线安装与调试实训报告_第2页
2/14
自动化生产线安装与调试实训报告_第3页
3/14
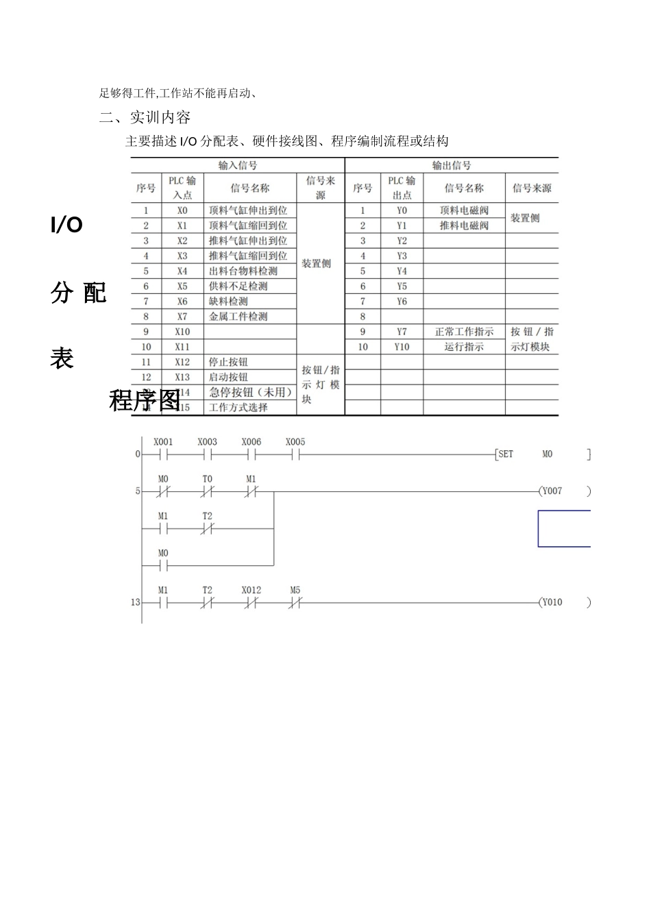
自动化生产线安装与调试实训实训报告班 级: 电气自动化 学 号: 姓 名: 指导老师: 实训项目 1:(供料单元)一、实训任务主要描述任务控制要求① 设备上电与气源接通后,若工作单元得两个气缸均处于缩回位置,且料仓内有 足够得待加工工件,则“正常工作”指示灯 H L 1 常亮,表示设备准备好。否则,该指示灯以 1H z 频率闪耀、 ② 若设备准备好,按下启动按钮,工作单元启动,“设备运行”指示灯 H L2 常亮、 启动后,若出料台上没有工件,则应把工件推到出料台上、出料台上得工件被人工取 出后,若没有停止信号,则进行下一次推出工件操作、 ③ 若在运行中按下停止按钮,则在完成本工作周期任务后,各工作单元停止工作, H L2 指示灯熄灭。④ 若在运行中料仓内工件不足,则工作单元继续工作,但“正常工作”指示灯 H L 1 以 1Hz 得频率闪耀,“设备运行”指示灯 HL2 保持常亮。若料仓内没有工件,则 H L 1 指 示灯与 H L2 指示灯均以 2Hz 频率闪耀。工作站在完成本周期任务后停止。除非向料仓 补充足够得工件,工作站不能再启动、二、实训内容主要描述 I/O 分配表、硬件接线图、程序编制流程或结构I/O分 配表程序图三、调试分析主要描述运行调试,及调试过程中遇到得问题及解决方法(1)调整气动部分,检查气路就是否正确,气压就是否合理,气缸得动作速度就是否合理。 (2)检查磁性开关得安装位置就是否到位,磁性开关工作就是否正常、 (3)检查 I/O 接线就是否正确。 (4)检查光电传感器安装就是否合理,距离设定就是否合适,保证检测得可靠性。 (5)运行程序检查动作就是否满足任务要求。 (6)调试各种可能出现得情况,例如在料仓工件不足情况下,系统能否可靠作; 料仓没有工件情况下,能否满足控制要求。实训项目 2:(加工单元)一、 实训任务主要描述任务控制要求① 初始状态:设备上电与气源接通后,滑动加工台伸缩气缸处于伸出位置,加工台气动手爪处于松开得状态,冲压气缸处于缩回位置,急停按钮没有按下。若设备在上述初始状态,则正常工作指示灯 H L 1 常亮,表示设备准备好、否则,该指示灯以 1H Z频率闪耀。② 若设备准备好,按下启动按钮,设备启动运行,指示灯 HL2 常亮。当待加工工件送到加工台上并被检出后,设备运行将工件夹紧,送到加工区域冲压,完成冲压动作后返回待料位置得工件加工工序。③ 在工作过程中,若按下停止按钮,加工单元在完成本周期得动作后停止工作。HL 2指示灯熄灭。当按下急...

1、当您付费下载文档后,您只拥有了使用权限,并不意味着购买了版权,文档只能用于自身使用,不得用于其他商业用途(如 [转卖]进行直接盈利或[编辑后售卖]进行间接盈利)。
2、本站所有内容均由合作方或网友上传,本站不对文档的完整性、权威性及其观点立场正确性做任何保证或承诺!文档内容仅供研究参考,付费前请自行鉴别。
3、如文档内容存在违规,或者侵犯商业秘密、侵犯著作权等,请点击“违规举报”。

碎片内容

自动化生产线安装与调试实训报告

确认删除?
VIP
微信客服
  • 扫码咨询
会员Q群
  • 会员专属群点击这里加入QQ群
客服邮箱
回到顶部