电脑桌面
添加小米粒文库到电脑桌面
安装后可以在桌面快捷访问

贵竹岭隧道监控量测实施细则

贵竹岭隧道监控量测实施细则_第1页
1/15
贵竹岭隧道监控量测实施细则_第2页
2/15
贵竹岭隧道监控量测实施细则_第3页
3/15
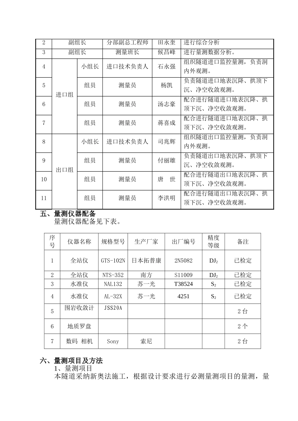
厦深铁路广东段 XSGZQ-8 标贵竹岭隧道监控量测实施细则编 制 人:石永强审 核 人:何天文批 准:李亚军 中铁十八局集团有限公司厦深铁路(广东段)工程指挥部三分部二〇〇八年十二月二十四日一、编制依据1、《铁路隧道监控测量技术规程》TB10121-2025;2、《时速 200~250 公里有砟轨道铁路工程测量指南(试行)》[铁建设函[2025]76 号];3、贵竹岭隧道施工设计图纸及相关设计文件;4、我单位以往隧道施工经验。二、编制目的1、确保隧道施工安全及结构的长期稳定性。2、验证支护结构效果,确认支护参数和施工方法的准确性或为调整支护参数和施工方法提供依据。3、确定二次衬砌的施做时间。4、监控工程对周围环境的影响。5、积累测量数据,为信息化设计与施工提供依据。 三、工程概况贵竹岭隧道位于广东省海丰县贵竹岭镇丘陵区,地形地貌具体表现为剥蚀丘陵地貌,剥蚀丘陵自然坡度 25°~40°,植被不发育,最大相对高差约 200m,地形波状起伏,沟谷较发育。隧道沿线地形波状起伏,沟谷较发育,地表水发育。地下水类型为松散岩类孔隙潜水及基岩裂隙水。进口~DIK359+500、DIK362+900~出口段地下水对混凝土具体酸性侵蚀和二氧化碳侵蚀,环境作用等级分别为 H1 和H2 。 贵 竹 岭 隧 道 全 长 4227m, 隧 道 进 出 口 里 程 分 别 为DIK358+908 、 DIK363+135 , 隧 道 进 出 口 隧 线 分 界 里 程 分 别 为 :DIK358+895、DIK363+148。隧道纵坡为“人”字坡,坡度分别为 3‰.-3‰,隧道内Ⅴ级围岩 772m,Ⅳ级围岩 480m,Ⅲ级围岩 750m,II级围岩2225m。四、监控量测实施小组由分部配备专业测量人员成立两个测量小组,分别负责隧道进口与出口的测量工作。 监控量测小组组成及职责分工表序号组成职务姓名职责1组长分部总工程师李亚军全面组织协调管理监控量测2副组长分部副总工程师田永奎进行综合分析3副组长测量班长候昌峰进行量测数据分析。4进口组小组长进口技术负责人石永强组织隧道进口监控量测,负责洞内外观测。5组员测量员杨凯负责隧道进口地表沉降、拱顶下沉、净空收敛观测。6组员测量员汤志豪配合进行隧道进口地表沉降、拱顶下沉、净空收敛观测。7组员测量员蒋喜成配合进行隧道进口地表沉降、拱顶下沉、净空收敛观测。8出口组小组长进口技术负责人司兆辉组织隧道出口监控量测,负责洞内外观测。9组员测量员付丽雄负责隧道出口地表沉降、拱顶下沉、净空收敛观测。10组员测量员唐 世...

1、当您付费下载文档后,您只拥有了使用权限,并不意味着购买了版权,文档只能用于自身使用,不得用于其他商业用途(如 [转卖]进行直接盈利或[编辑后售卖]进行间接盈利)。
2、本站所有内容均由合作方或网友上传,本站不对文档的完整性、权威性及其观点立场正确性做任何保证或承诺!文档内容仅供研究参考,付费前请自行鉴别。
3、如文档内容存在违规,或者侵犯商业秘密、侵犯著作权等,请点击“违规举报”。

碎片内容

贵竹岭隧道监控量测实施细则

确认删除?
VIP
微信客服
  • 扫码咨询
会员Q群
  • 会员专属群点击这里加入QQ群
客服邮箱
回到顶部