电脑桌面
添加小米粒文库到电脑桌面
安装后可以在桌面快捷访问

金属板材屋面技术交底

金属板材屋面技术交底_第1页
1/8
金属板材屋面技术交底_第2页
2/8
金属板材屋面技术交底_第3页
3/8
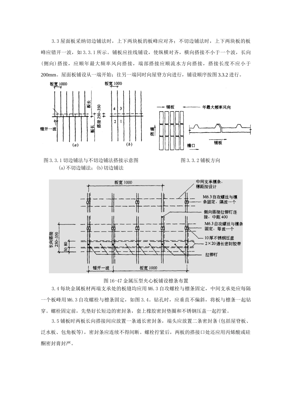
SGBZ-0408 金属板材屋面技术交底依据标准:《建筑工程施工质量验收统一标准》GB50300-2001《屋面工程施工质量验收法律规范》GB50207-20251、范围本工艺标准适用于工业与民用建筑金属板材屋面工程。金属板材屋面是指采纳金属板材作为屋盖材料,将结构层和防水层合二为一的屋盖形式。金属板材的种类很多,有锌板、镀铝锌板、铝合金板、铝镁合金板、钛合金板、铜板、不锈钢板等。厚度一般为 0.4~1.5mm,板的表面一般进行涂装处理。由于材质及涂层质量的不同,有的板寿命可达 50 年以上。板的制作形状有多种多样,有的为复合板,即将保温层复合在两层金属板材之间,也有的为单板。施工时,有的板在工厂加工好后现场组装,有的根据屋面工程的需要在现场加工。保温层有的在工厂复合好,也可以在现场制作。所以金属板材屋面形式多样,从大型公共建筑到厂房、库房、住宅等均有使用。故法律规范规定金属板材屋面的适用范围为防水等级为 I~Ⅲ级的屋面。2、施工准备2.1 材料要求2.1.1 金属板材的规格及技术性能2.1.1.1 金属板材目前使用较多的是金属压型夹心板,其规格及技术性能可参考表 2.1.1.1和图 2.1.1.1。金属板材应边缘整齐、表面光滑、外形规则,不得有扭翘、锈蚀等缺陷。图 2.1.1.1 金属压型夹心板断面金属板材规格性能表 2.1.1.1项目规格和性能屋面板宽度(mm)1000屋面板每块长度(m)≤12屋面板厚度(mm)406080板材厚度(mm)O.50.60.50.60.5O.6适用温度范围(℃)-50~120耐火极限(h)O.6重量(kg/㎡)121413151416屋角板、泛水板屋脊板厚度(mm)0.6~0.72.1.1.2 金属板材连接件及密封材料的要求:金属板材连接件及密封材料参见表 2.1.1.2。材料名称材料要求自攻螺栓6.3mm、45 号钢镀锌、塑料帽拉铆钉铝质抽芯拉铆钉压盖不锈钢密封垫圈乙丙橡胶垫圈密封材料丙烯酸、硅酮密封膏、丁基密封胶条2.1.1.3 金属板材保管运输的要求金属板材的堆放场地应平坦、坚实,且便于排除地面水,堆放时应分层,并每隔 3~5m 处加放垫木。人工搬运时不得扳单层钢板处,机械运输时应有专用吊具包装。2.2 施工准备工作2.2.1 檩条的规格和间距应根据结构计算确定,每块屋面板端除应设置檩条支承外,中间还应设置 1 根或 1 根以上檩条。檩条间距可参考表 2.2.1。金属压型夹心板允许檩条间距(m)表 2.2.1板厚(mm)钢板厚(mm)荷载(kg/㎡)6080100120150连续 简支 悬臂 连续 简支 悬臂 连续 简支 悬臂 连续 简支 悬臂 连续 简支 悬臂400....

1、当您付费下载文档后,您只拥有了使用权限,并不意味着购买了版权,文档只能用于自身使用,不得用于其他商业用途(如 [转卖]进行直接盈利或[编辑后售卖]进行间接盈利)。
2、本站所有内容均由合作方或网友上传,本站不对文档的完整性、权威性及其观点立场正确性做任何保证或承诺!文档内容仅供研究参考,付费前请自行鉴别。
3、如文档内容存在违规,或者侵犯商业秘密、侵犯著作权等,请点击“违规举报”。

碎片内容

金属板材屋面技术交底

人从众+ 关注
实名认证
内容提供者

欢迎光临小店,本店以公文和教育为主,希望符合您的需求。

确认删除?
VIP
微信客服
  • 扫码咨询
会员Q群
  • 会员专属群点击这里加入QQ群
客服邮箱
回到顶部