电脑桌面
添加小米粒文库到电脑桌面
安装后可以在桌面快捷访问

钻孔灌注桩技术交底书fff

钻孔灌注桩技术交底书fff_第1页
1/8
钻孔灌注桩技术交底书fff_第2页
2/8
钻孔灌注桩技术交底书fff_第3页
3/8
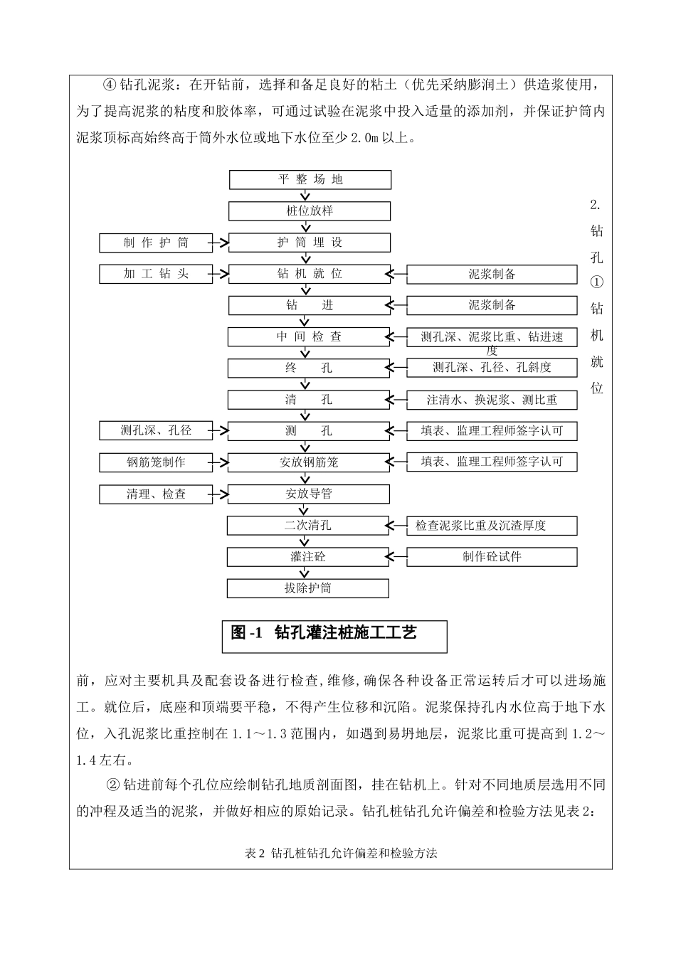
中铁十二局集团公司工程技术交底书 编号:主送单位钻孔作业队日期2025.11.10工程名称钻孔灌注桩技术交底书根据图号温福施图(桥)-25钻孔灌注桩技术交底书一.工期安排根据对务山特大桥整体施工进度规划,我部拟上场 30 台冲击钻机和 5 台反循环冲击钻机,每台钻机生产效率按 12 天/每根(钻孔灌注桩分项作业进度指标见表 1),每月按28 个作业天计,总工期需要 10 个月。开工日期 2025 年 11 月 1 日至 2025 年 9 月 30 日完成。二、地质情况地质情况分为两类:其中 0#~98#墩基础持力层为含卵石圆砾;99#~110#墩基础持力层嵌入岩层深度不小于 2 米。三.施工方案钻孔桩采纳冲击式和反循环冲击式钻机成孔,主要施工工序有:平整场地、桩位放样、护筒埋设,制备泥浆、钻孔、清孔、钢筋笼制作及就位、水下砼浇注等。钻孔灌注桩施工工艺流程见框图-11.施工准备① 孔场地:在旱地上,场地采纳人工清除杂物,人工配合机械整平钻机平台;在浅水中,宜用筑岛法施工,筑岛面积要能保证钻机正常作业和灌注砼需要。② 桩位放样:测定桩位和地面标高,并在桩的前后左右距中心 2m 处分别设置护桩,以供随时检测桩中心和标高。表 1 钻孔灌注桩分项作业进度指标分项工程钻机定位钻进第一次清孔吊放钢筋笼安装导管第二次清孔灌注水下砼合计单桩作业时间2h268h4h4h2h2h6h288h钻机的综合成桩能力按 12 天/ 1 根(桩长 50m)计算。③ 护筒埋设:护筒用 10mm 厚钢板制成,筒径比桩径大 200~400mm 左右。采纳人工挖土埋设,其四周夯填粘土,护筒顶宜高出施工水位或地下水位 2.0m 以上,高度满足孔内泥浆面高度的要求。护筒安放好后,用吊锤球法对其倾斜度进行检查,要求不大于1%。④ 钻孔泥浆:在开钻前,选择和备足良好的粘土(优先采纳膨润土)供造浆使用,为了提高泥浆的粘度和胶体率,可通过试验在泥浆中投入适量的添加剂,并保证护筒内泥浆顶标高始终高于筒外水位或地下水位至少 2.0m 以上。2.钻孔①钻机就位前,应对主要机具及配套设备进行检查,维修,确保各种设备正常运转后才可以进场施工。就位后,底座和顶端要平稳,不得产生位移和沉陷。泥浆保持孔内水位高于地下水位,入孔泥浆比重控制在 1.1~1.3 范围内,如遇到易坍地层,泥浆比重可提高到 1.2~1.4 左右。② 钻进前每个孔位应绘制钻孔地质剖面图,挂在钻机上。针对不同地质层选用不同的冲程及适当的泥浆,并做好相应的原始记录。钻孔桩钻孔允许偏...

1、当您付费下载文档后,您只拥有了使用权限,并不意味着购买了版权,文档只能用于自身使用,不得用于其他商业用途(如 [转卖]进行直接盈利或[编辑后售卖]进行间接盈利)。
2、本站所有内容均由合作方或网友上传,本站不对文档的完整性、权威性及其观点立场正确性做任何保证或承诺!文档内容仅供研究参考,付费前请自行鉴别。
3、如文档内容存在违规,或者侵犯商业秘密、侵犯著作权等,请点击“违规举报”。

碎片内容

钻孔灌注桩技术交底书fff

您可能关注的文档

确认删除?
VIP
微信客服
  • 扫码咨询
会员Q群
  • 会员专属群点击这里加入QQ群
客服邮箱
回到顶部