电脑桌面
添加小米粒文库到电脑桌面
安装后可以在桌面快捷访问

隧道检修道电缆沟自检表

隧道检修道电缆沟自检表_第1页
1/1
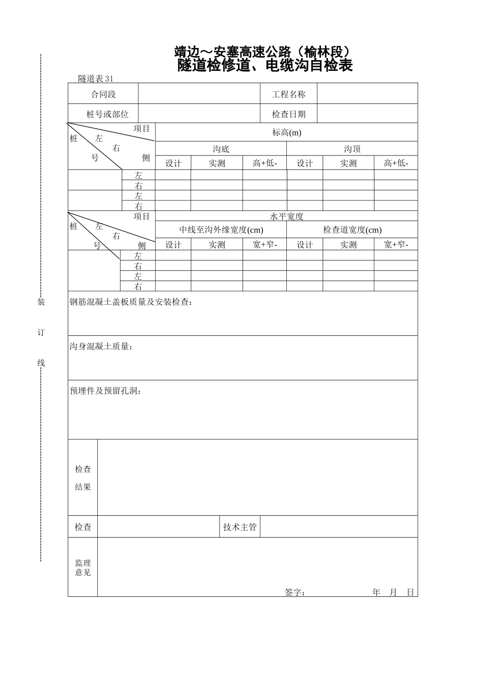
靖边~安塞高速公路(榆林段)隧道检修道、电缆沟自检表 隧道表 31 合同段工程名称桩号或部位检查日期 项目桩 左 右 号 侧标高(m)沟底沟顶设计实测高+低-设计实测高+低-左右左右 项目桩 左 右 号 侧水平宽度中线至沟外缘宽度(cm)检查道宽度(cm)设计实测宽+窄-设计实测宽+窄-左右左右钢筋混凝土盖板质量及安装检查:沟身混凝土质量:预埋件及预留孔洞:检查结果检查技术主管监理意见 签字: 年 月 日------------------------------------------------------------------------------------------装 订 线------------------------------------------------------------------------

1、当您付费下载文档后,您只拥有了使用权限,并不意味着购买了版权,文档只能用于自身使用,不得用于其他商业用途(如 [转卖]进行直接盈利或[编辑后售卖]进行间接盈利)。
2、本站所有内容均由合作方或网友上传,本站不对文档的完整性、权威性及其观点立场正确性做任何保证或承诺!文档内容仅供研究参考,付费前请自行鉴别。
3、如文档内容存在违规,或者侵犯商业秘密、侵犯著作权等,请点击“违规举报”。

碎片内容

隧道检修道电缆沟自检表

确认删除?
VIP
微信客服
  • 扫码咨询
会员Q群
  • 会员专属群点击这里加入QQ群
客服邮箱
回到顶部