电脑桌面
添加小米粒文库到电脑桌面
安装后可以在桌面快捷访问

项目-硬件与成熟软件系统集成子合同初验报告

项目-硬件与成熟软件系统集成子合同初验报告_第1页
1/4
项目-硬件与成熟软件系统集成子合同初验报告_第2页
2/4
项目-硬件与成熟软件系统集成子合同初验报告_第3页
3/4
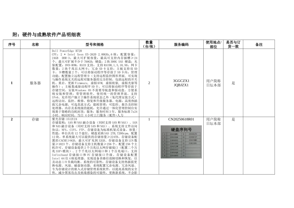
项目全称硬件与成熟软件采购子合同初验报告项目名称:项目全称合同编号:CEINC2025-Z080-21 编号:项目编号-CYBG-01 验收条件一、承建方完成硬件与成熟软件采购集成子合同约定的货物供货、安装与集成。二、验收相关文档准备齐全。承建单位提交的初验文档经过了监理单位及业主单位的审查,审查合格,并且文档编制基本符合软件项目相关文档标准。验收结论2025 年 11 月 29 日,业主简称组织验收小组对“项目全称”进行了“硬件与成熟软件采购子合同”初验。验收小组查验了相关文档,经充分讨论,验收小组认为:依据“项目全称”合同约定,承建单位已经完成各用户学校的货物供货、安装与集成部署测试工作,采购的硬件设备与成熟软件达到合同要求的数量(明细见附件),相关文档齐备,硬件与成熟软件采购子合同初验合格。验收小组签字:承建单位(盖章):承建方全称代表人:日期:监理单位(盖章):监理全称代表人:日期:业主单位(盖章):业主全称代表人:日期:附:硬件与成熟软件产品明细表序号名称型号和规格数量(台/张)服务编码使用地点/部位是否与订货一致备注1服务器Dell PowerEdge R720CPU:2 * Intel Xeon E5-2620 2.00GHz,6 核;配置容量:24GB DDR-3;最大可扩展容量:最高可支持内存插槽≥24个,最大可扩展不少于 768GB;硬盘:2 块 300G SAS 硬盘;光驱配置:DVD-ROM;RAID 支持:支持 RAID0,1,5,10,50;网卡数量:2 块千兆以太网卡;冗余 SD 卡支持:主板支持双 SD卡,卡槽数量 2 个,可以将驱动程序等存放于 SD 卡内;管理功能:配置独立远程管理卡(支持远程监控图形界面, 可实现与操作系统无关的远程对服务器的完全控制,包括远程的开关机、重启、更新 Firmware, 虚拟 KVM, 虚拟软驱, 虚拟光驱等操作);主板集成驱动程序 SD 卡,可以将驱动程序等存放于存储空间,安装 Windows OS 不需要导航盘和驱动盘,方便系统安装和管理;带管理软件,使用统一的管理界面,支持IPv6。允许用户独立于操作系统状态之外(免代理安装方式)远程访问、监控、维修、修复和升级服务器。电源:高效热插拔冗余电源,可选直流方式;能耗管理:可监控、报告及控制处理器、内存及系统级的能耗,允许通过一体化管理控制台实现基于策略的功耗封顶;服务:服务时间 3 年,服务标准 7x24小时,响应时间,当日 4 小时上门服务(配件+人力23GGCZX1JQBJZX1用户简称日坛本部是2存储紫光存储-1512U24存储架构:S...

1、当您付费下载文档后,您只拥有了使用权限,并不意味着购买了版权,文档只能用于自身使用,不得用于其他商业用途(如 [转卖]进行直接盈利或[编辑后售卖]进行间接盈利)。
2、本站所有内容均由合作方或网友上传,本站不对文档的完整性、权威性及其观点立场正确性做任何保证或承诺!文档内容仅供研究参考,付费前请自行鉴别。
3、如文档内容存在违规,或者侵犯商业秘密、侵犯著作权等,请点击“违规举报”。

碎片内容

项目-硬件与成熟软件系统集成子合同初验报告

您可能关注的文档

确认删除?
VIP
微信客服
  • 扫码咨询
会员Q群
  • 会员专属群点击这里加入QQ群
客服邮箱
回到顶部