电脑桌面
添加小米粒文库到电脑桌面
安装后可以在桌面快捷访问

高压旋喷桩施工方案

高压旋喷桩施工方案_第1页
1/16
高压旋喷桩施工方案_第2页
2/16
高压旋喷桩施工方案_第3页
3/16
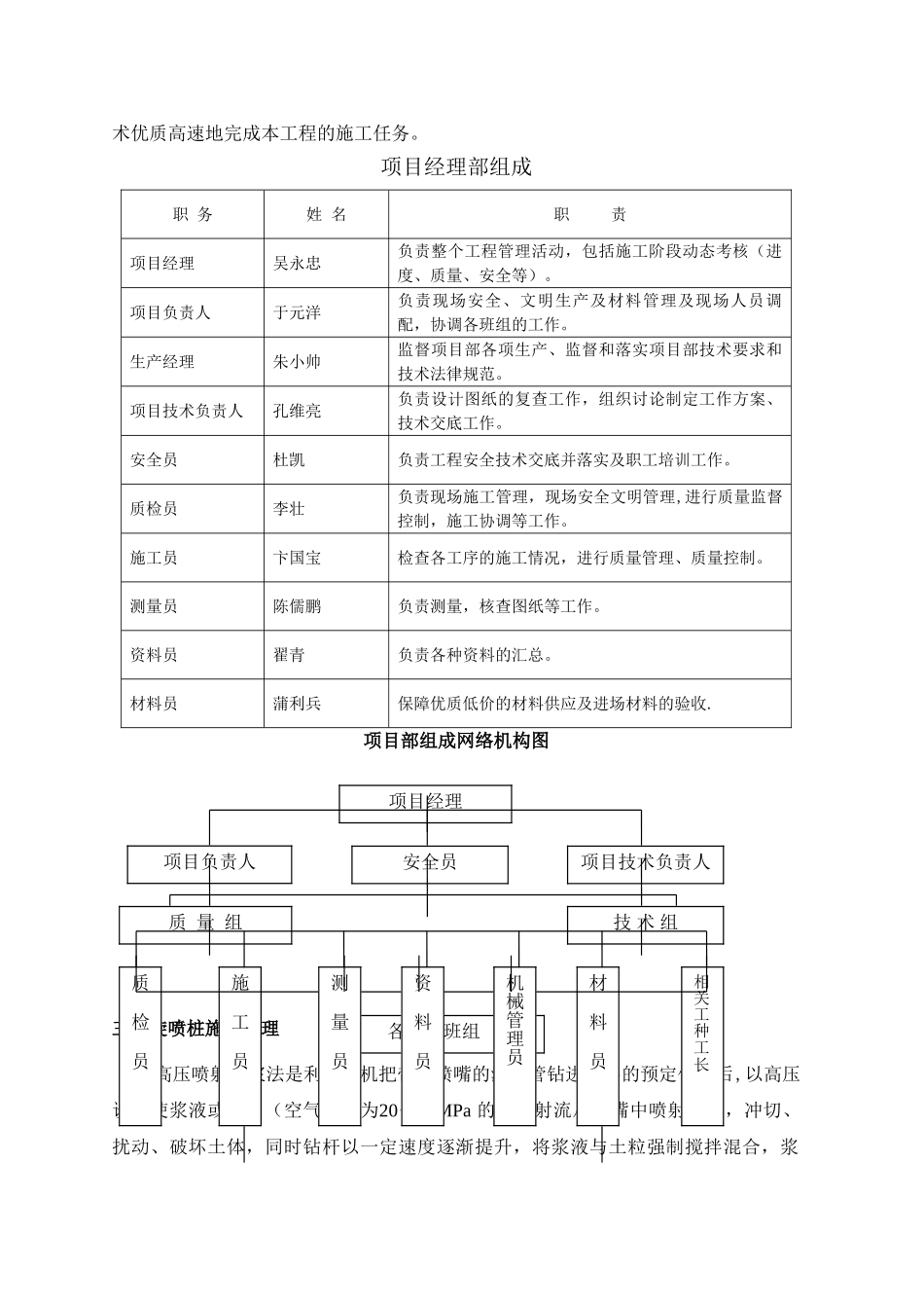
目 录一、编制依据 1二、工程概况 2 三、旋喷桩施工原理 4 四、旋喷桩施工工艺 5 五、 质量控制 8 六、 雨季赶工措施 1 1 七 、 安全保证措施 1 2 八 、 文明施工保证措施 13 九 、 环境保护保证措施 1 6 十 、 服从配合管理 1 7 一、编制依据 1.《西宁市第六污水处理厂工程岩土工程详细勘察报告》 2.甲方提供的设计图纸3.《建筑工程施工质量验收统一标准》(GB50300—2025) 4。《工程测量法律规范》(GB50026-2025) 5。《建筑地基基础工程施工质量验收法律规范》(GB50202-2025) 6。《混凝土结构工程施工质量验收法律规范》(GB50204—2025) 7.《建筑桩基技术法律规范》(JGJ94-2025) 8。《建筑深基坑工程施工安全技术法律规范》(JGJ311-2025)9.《建筑基坑工程监测技术法律规范》(GB50497—2025)10.《建筑地基处理技术法律规范》(JGJ79-2025)11.《危险性较大的分部分项工程安全管理办法》(建质〔2025〕87 号) 12.《2025—2025 青海省最新建设工程质量管理条例,质量验收法律规范标准》二、工程概况根据设计, 根据支护设计图纸,本工程占地面积约 7 万平方米,基坑大致呈梯形状。基坑东侧平均开挖深度为 7。5 米,支护结构为双排高压旋喷桩,桩径 600mm,横向间距 400mm,竖向间距 500mm,桩长 12m,桩顶标高按现场场地标高施工。旋喷桩孔位平面图如下:桩位平面图主要机具配备如下:拌浆机 2 台,空压机 2 台,高喷台车 2 台,高压泵 2 台,灌浆泵 2 台,铲车 1 台,吊车 1 台,挖掘机 1 台(平整场地)。配备施工人员 12 人,施高压旋喷桩采纳间隔跳桩法施工,须待其邻近的桩基施工结束,且强度达到设计要求后进行. 项目部组织机构根据本工程的具体特点,重点抓“施工管理,质量管理,安全管理,确保工期”这四项工作,组织指导施工。具体落实和体现在:根据项目施工模式组织项目经理部,配备施工经验丰富的专业技术人员和职能人员,组建各职能部门,实行项目经理负责制的管理体制;以项目班子为核心,组建施工队伍,配备先进的机具、设备,以科学的手段、先进的技术优质高速地完成本工程的施工任务。项目经理部组成职 务姓 名职 责项目经理吴永忠负责整个工程管理活动,包括施工阶段动态考核(进度、质量、安全等)。项目负责人于元洋负责现场安全、文明生产及材料管理及现场人员调配,协调各班组的工作。生产经理朱小帅监督项目部各项生产、监督和落实项目部技...

1、当您付费下载文档后,您只拥有了使用权限,并不意味着购买了版权,文档只能用于自身使用,不得用于其他商业用途(如 [转卖]进行直接盈利或[编辑后售卖]进行间接盈利)。
2、本站所有内容均由合作方或网友上传,本站不对文档的完整性、权威性及其观点立场正确性做任何保证或承诺!文档内容仅供研究参考,付费前请自行鉴别。
3、如文档内容存在违规,或者侵犯商业秘密、侵犯著作权等,请点击“违规举报”。

碎片内容

高压旋喷桩施工方案

您可能关注的文档

确认删除?
VIP
微信客服
  • 扫码咨询
会员Q群
  • 会员专属群点击这里加入QQ群
客服邮箱
回到顶部