电脑桌面
添加小米粒文库到电脑桌面
安装后可以在桌面快捷访问

齿坯顶锥母线跳动和基准端面跳动公差

齿坯顶锥母线跳动和基准端面跳动公差_第1页
1/1
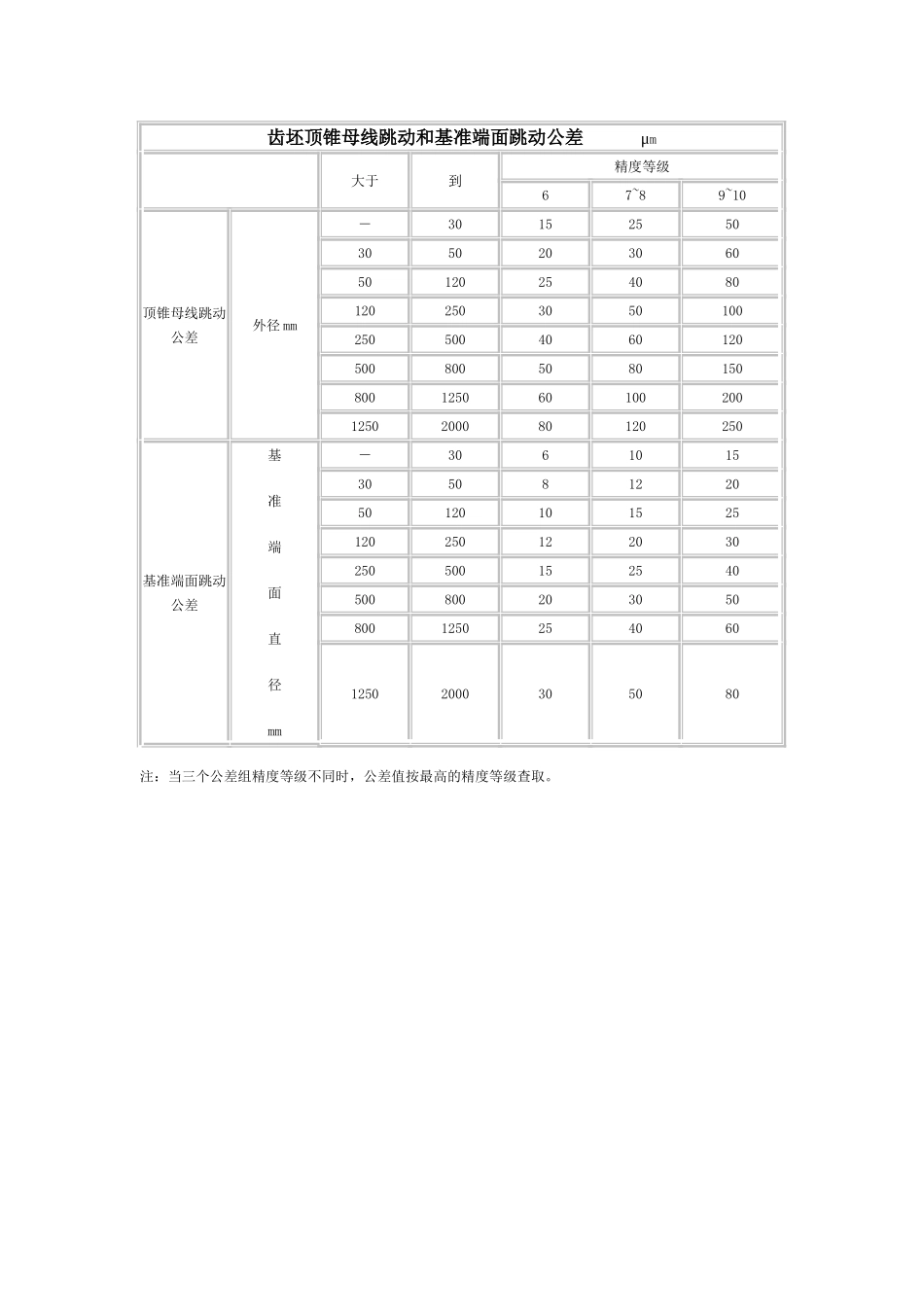
齿坯顶锥母线跳动和基准端面跳动公差 μm 大于到精度等级67~89~10顶锥母线跳动公差外径 mm-301525503050203060501202540801202503050100250500406012050080050801508001250601002001250200080120250基准端面跳动公差基准端面直径mm-306101530508122050120101525120250122030250500152540500800203050800125025406012502000305080注:当三个公差组精度等级不同时,公差值按最高的精度等级查取。

1、当您付费下载文档后,您只拥有了使用权限,并不意味着购买了版权,文档只能用于自身使用,不得用于其他商业用途(如 [转卖]进行直接盈利或[编辑后售卖]进行间接盈利)。
2、本站所有内容均由合作方或网友上传,本站不对文档的完整性、权威性及其观点立场正确性做任何保证或承诺!文档内容仅供研究参考,付费前请自行鉴别。
3、如文档内容存在违规,或者侵犯商业秘密、侵犯著作权等,请点击“违规举报”。

碎片内容

齿坯顶锥母线跳动和基准端面跳动公差

确认删除?
VIP
微信客服
  • 扫码咨询
会员Q群
  • 会员专属群点击这里加入QQ群
客服邮箱
回到顶部