电脑桌面
添加小米粒文库到电脑桌面
安装后可以在桌面快捷访问

148米商业综合大厦消防系统设计VIP专享

148米商业综合大厦消防系统设计_第1页
1/5
148米商业综合大厦消防系统设计_第2页
2/5
148米商业综合大厦消防系统设计_第3页
3/5
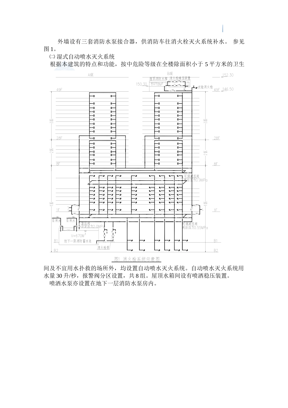
大厦消防设计 提要 大厦是一栋以住宅为主的超高层综合性大厦。本文着重介绍了消火栓灭火、自动喷水-泡沫联用灭火、气体灭火等消防系统。 关键词 工程实例 超高层 消防系统 一、工程概况 大厦位于深圳市,是一座集住宅、商场、休闲娱乐、车库为一体的综合性大厦。98 年完成扩初设计,99 年完成施工图设计。 大厦建筑面积约 8 万 M2 , 总高度约 148m,地下一层为停车库和设备用房,地下二层为人防地下室,平常作为车库,地上一至二层为商场,3~5 层为高层汽车库,六层为空中公园(兼消防避难层),七层为娱乐层,八层以上是 A、B两座塔楼,8~34 层为标准住宅,35~39 层为豪华住宅,40~43 层为豪华复式住宅,44 层至屋顶为空中花园住宅(复式)。二、消防 本工程建筑高度约为 148m,属一类建筑的综合楼(超高层),消防设计立足于自救。建筑物内设有室内消火栓灭火系统、湿式自动喷水灭火系统、泡沫-喷淋联用灭火系统、水喷雾灭火系统及室外消防系统等。 本建筑供水水源为城市自来水,两路进水。地下一层设有消防专用水池一座,总容积为 670M3 ,分为两格 。水池底标高-4.5M,贮存了三小时室内、室外消防用水及一小时自动喷水灭火用水。室外设有供消防车使用的取水口。塔楼屋顶设有专用的消防水箱,容积为 18M3,以供扑救初期火灾。 ㈠ 室内消火栓灭火系统 室内消防水量 40 升/秒,每根竖管最小流量 15 升/秒,每只水枪最小流量 5 升/秒,水枪充实水柱不小于 13m。室内消防给水管道布置成环状,消火栓间距塔楼部分不大于 30m,裙房和地下室不大于 50m,在每个消火栓箱内均设有能直接起动消防水泵的按钮。 为了保证各层消火栓处的水压,在垂直方向上采纳分区供水,裙房及地下室为一区,标准层以上为二个区,在一、二区的进水干管上安装了既能减动压又能减静压的定压式减压阀,以保证消火栓口的静水压力不大于 0.8MPa,同时在出口压力大于 0.5MPa 的消火栓处设置减压孔板,以平衡消防给水管网的压力和流量。火灾初期用水由屋顶高位水箱提供,屋顶水箱间内设有消火栓增压装置。 消火栓泵设置在地下一层消防水泵房。外墙设有三套消防水泵接合器,供消防车往消火栓灭火系统补水。 参见图 1。 ㈡ 湿式自动喷水灭火系统 根据本建筑的特点和功能,按中危险等级在全楼除面积小于 5 平方米的卫生间及不宜用水扑救的场所外,均设置自动喷水灭火系统。自动喷水灭火系统用水量 30 升/秒,报警阀分区设置...

1、当您付费下载文档后,您只拥有了使用权限,并不意味着购买了版权,文档只能用于自身使用,不得用于其他商业用途(如 [转卖]进行直接盈利或[编辑后售卖]进行间接盈利)。
2、本站所有内容均由合作方或网友上传,本站不对文档的完整性、权威性及其观点立场正确性做任何保证或承诺!文档内容仅供研究参考,付费前请自行鉴别。
3、如文档内容存在违规,或者侵犯商业秘密、侵犯著作权等,请点击“违规举报”。

碎片内容

148米商业综合大厦消防系统设计

确认删除?
VIP
微信客服
  • 扫码咨询
会员Q群
  • 会员专属群点击这里加入QQ群
客服邮箱
回到顶部