电脑桌面
添加小米粒文库到电脑桌面
安装后可以在桌面快捷访问

2025年某6层教学楼造价指标分析(桩承台基础)

2025年某6层教学楼造价指标分析(桩承台基础)_第1页
1/11
2025年某6层教学楼造价指标分析(桩承台基础)_第2页
2/11
2025年某6层教学楼造价指标分析(桩承台基础)_第3页
3/11
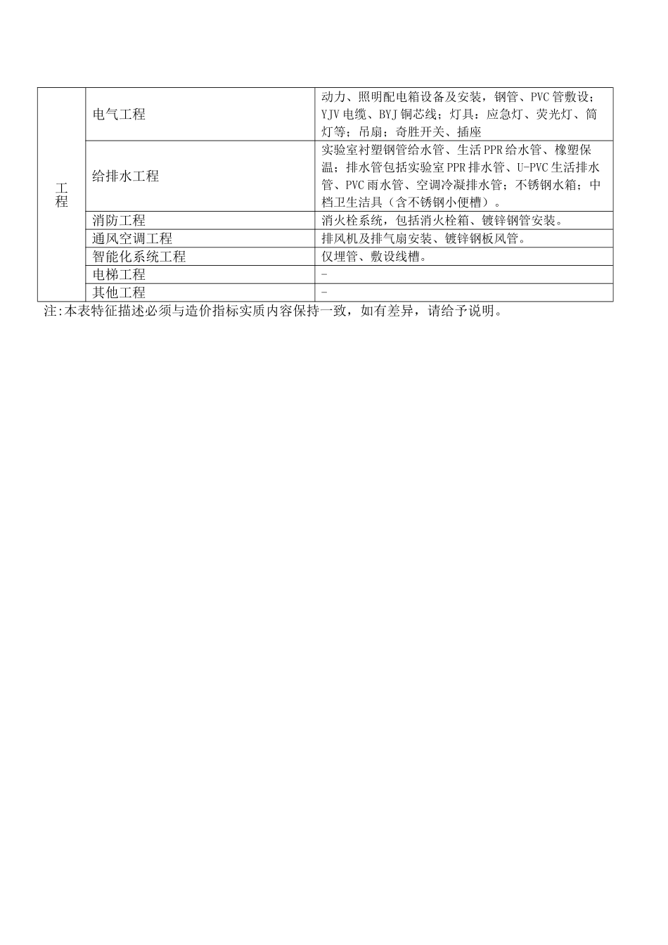
多层中学教学楼造价指标分析表一、工程概况项 目 名 称内 容工程名称××高级中学教学楼工程分类 建筑工程-民用建筑-公共建筑-教学楼中小学教学楼-多层教学楼工程地点外环线外-闵行区建筑物功能及规模教学及办公用房开工日期2025 年 9 月竣工日期2025 年 10 月建筑面积(平方米) 其中: 地上 10870 地下 - _ 建筑和安装工程造价(万元)2486.54 平方米造价(元/平方米)2287.60 结构类型框架层数(层)地上 6 地下 - 建筑高度(檐口)(米) 26.6层高(米) 其中:首层 3.8 标准层 不确定 建筑节能EPS 聚苯板外墙外保温系统;XPS 挤塑板屋面保温、水泥陶粒找坡。抗震设防烈度(度)7基础类型PHC 砼管桩,桩承台基础。埋置深度(米)2.15计价方式清单计价合同类型单价合同造价类别结算价编制依据《建设工程工程量清单计价法律规范》(GB500500-2025)、上海现行定额及相关文件价格取定期 2025 年 9 月—2025 年 8 月表二、工程特征项 目 名 称特征描述建筑工程土(石)方工程机械挖土桩与地基基础工程PHC 砼管桩 A400(80),桩承台基础。砌筑工程外墙类型框架外墙 200,混凝土空心小型砌块。内墙类型框架内墙 200,加气砼砌块墙;框架内墙 100,加气砼砌块墙。 混凝土及钢筋混凝土工程 砼:泵送;结构砼:C30;钢筋:II 级钢、III 级钢。厂库房大门、特种门、木结构工程 -金属结构工程-屋面及防水工程细石砼 40mm 厚,三元乙丙丁基橡胶 1.5 厚,1:3 水泥砂浆砼及硬基层面 20mm 厚,屋面面砖。防腐、隔热、保温工程屋面保温:水泥陶粒找坡,挤塑板外墙外保温: 35 厚 EPS 聚苯板外墙外保温系统其他工程-装饰装修工程楼地面工程(部位)1、配电间、弱电间、仓库等:水泥砂浆楼地面;2 计算机教室、网络控制、电子阅览室、语言教室:防静电地板;3 形体教室:实木地板;4、楼梯:地砖面层;5、教室、走廊等:防滑地砖楼地面墙柱面工程内墙装饰:1 心理咨询、体质测试、卫生保健、语言教室:轻钢龙骨,隔音板,抹灰砂浆;2 厕所、清洁间:焦油聚氨脂"851"防潮层 1.5mm 厚,面砖;3 其他房间:抹灰砂浆外墙装饰:1 界面剂,外墙弹性腻子,抹灰砂浆;2 玻璃幕墙天棚工程1 心理咨询、体质测试、卫生保健、教室:轻钢龙骨,隔音板,抹灰砂浆 ;2 厕所、清洁间:轻钢龙骨,PVC 塑料条板;3 其他:抹灰砂浆门窗工程成品木质夹板门;复合型防火门油漆、涂料、裱糊工程内墙:白色涂料二遍;天棚...

1、当您付费下载文档后,您只拥有了使用权限,并不意味着购买了版权,文档只能用于自身使用,不得用于其他商业用途(如 [转卖]进行直接盈利或[编辑后售卖]进行间接盈利)。
2、本站所有内容均由合作方或网友上传,本站不对文档的完整性、权威性及其观点立场正确性做任何保证或承诺!文档内容仅供研究参考,付费前请自行鉴别。
3、如文档内容存在违规,或者侵犯商业秘密、侵犯著作权等,请点击“违规举报”。

碎片内容

2025年某6层教学楼造价指标分析(桩承台基础)

确认删除?
VIP
微信客服
  • 扫码咨询
会员Q群
  • 会员专属群点击这里加入QQ群
客服邮箱
回到顶部