电脑桌面
添加小米粒文库到电脑桌面
安装后可以在桌面快捷访问

24米跨梯形钢屋架课程设计

24米跨梯形钢屋架课程设计_第1页
1/13
24米跨梯形钢屋架课程设计_第2页
2/13
24米跨梯形钢屋架课程设计_第3页
3/13
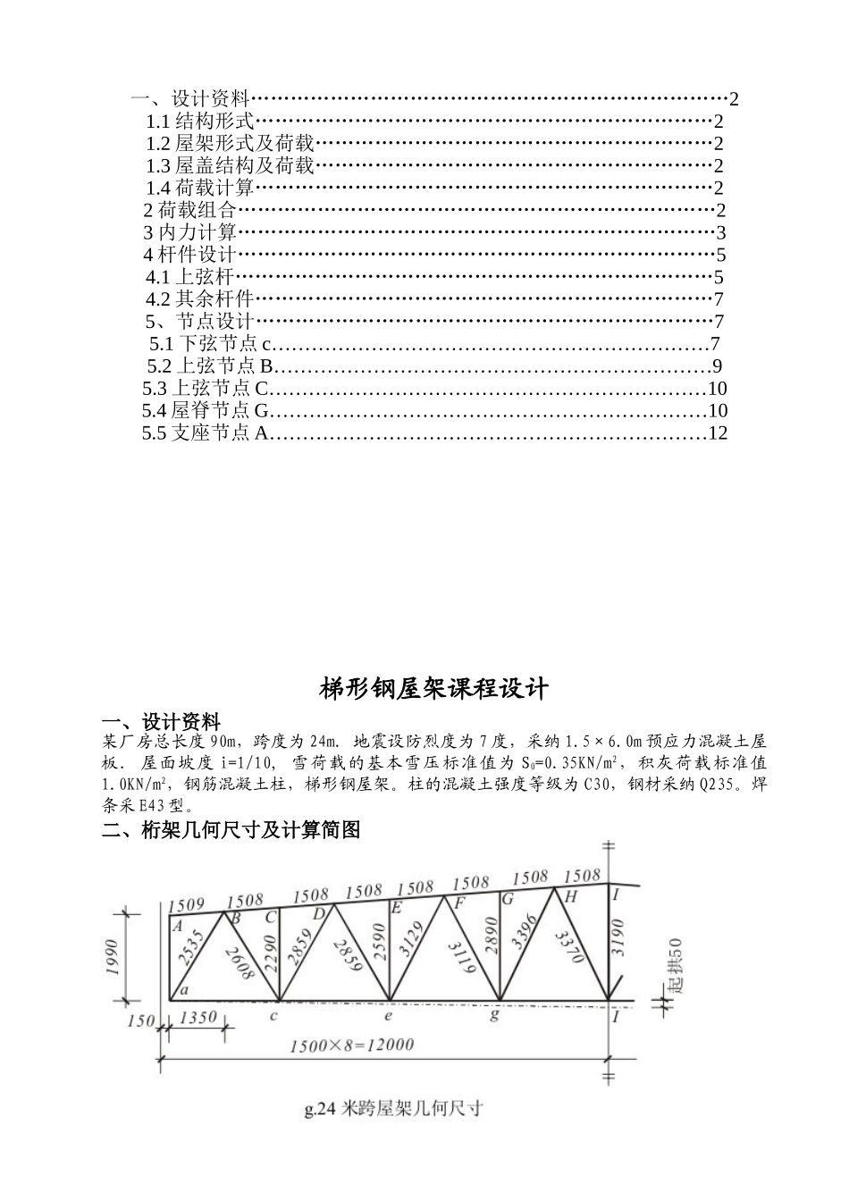
钢结构设计原理与施工课程设计――钢结构厂房屋架指导老师: 班 级: 学生姓名: 学 号: 设计时间: 力学与建筑工程学院力学系目录 一、设计资料………………………………………………………………21.1 结构形式……………………………………………………………21.2 屋架形式及荷载……………………………………………………21.3 屋盖结构及荷载……………………………………………………21.4 荷载计算……………………………………………………………22 荷载组合………………………………………………………………23 内力计算………………………………………………………………34 杆件设计………………………………………………………………54.1 上弦杆………………………………………………………………54.2 其余杆件……………………………………………………………75、节点设计……………………………………………………………75.1 下弦节点 c…………………………………………………………75.2 上弦节点 B…………………………………………………………95.3 上弦节点 C…………………………………………………………105.4 屋脊节点 G…………………………………………………………105.5 支座节点 A…………………………………………………………12梯形钢屋架课程设计一、设计资料某厂房总长度 90m,跨度为 24m. 地震设防烈度为 7 度,采纳 1.5×6.0m 预应力混凝土屋板. 屋面坡度 i=1/10, 雪荷载的基本雪压标准值为 S0=0.35KN/m2,积灰荷载标准值1.0KN/m2,钢筋混凝土柱,梯形钢屋架。柱的混凝土强度等级为 C30,钢材采纳 Q235。焊条采 E43 型。二、桁架几何尺寸及计算简图三、荷载取值1.屋面永久荷载见表一屋面永久荷载项目标准值 (kN∕m2)分项系数设计值 (kN∕m2)防水层(三毡四油)0.40 1.20.48 水泥砂浆找平层0.40 1.20.48 保温层0.70 1.20.84 一毡二油隔气层0.05 1.20.06 预应力混凝土层面板1.45 1.21.74 屋架和支撑自重0.38 1.20.46 合计3.38 4.06 2.屋面活荷载见表二屋面活荷载项目标准值 (kN∕m2)分项系数设计值 (kN∕m2)雪载或活载0.7 1.40.98 灰荷载1.0 1.41.40 合计1.7 2.38 表二因屋架屋面坡度较小,故对所有荷载均按水平投影计算(风荷载为 风吸 力,且本例为重屋盖,故不考虑)四、荷载组合a.全跨永久荷载+全跨可变荷载F=1.5×6×(4.06+2.38)=5...

1、当您付费下载文档后,您只拥有了使用权限,并不意味着购买了版权,文档只能用于自身使用,不得用于其他商业用途(如 [转卖]进行直接盈利或[编辑后售卖]进行间接盈利)。
2、本站所有内容均由合作方或网友上传,本站不对文档的完整性、权威性及其观点立场正确性做任何保证或承诺!文档内容仅供研究参考,付费前请自行鉴别。
3、如文档内容存在违规,或者侵犯商业秘密、侵犯著作权等,请点击“违规举报”。

碎片内容

24米跨梯形钢屋架课程设计

您可能关注的文档

确认删除?
VIP
微信客服
  • 扫码咨询
会员Q群
  • 会员专属群点击这里加入QQ群
客服邮箱
回到顶部