电脑桌面
添加小米粒文库到电脑桌面
安装后可以在桌面快捷访问

OK试验段施工方案

OK试验段施工方案_第1页
1/6
OK试验段施工方案_第2页
2/6
OK试验段施工方案_第3页
3/6
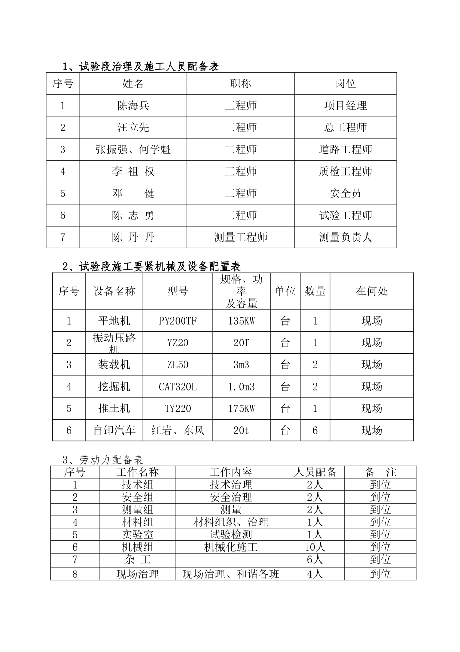
OK 试验段施工方案TB1 合同段路 基 填 筑 试 验 段开 工 报 告中铁七局南安至厦门高速公路 TB1 项目部二○一○年 十一月南安(金淘)至厦门高速公路厦门段 TB1 合同段路基填筑试验段开工报告一、编制依据1.1、南安(金淘)至厦门高速公路厦门段 TB1 合同段施工图纸;1.2、由建设单位提供的施工文件;1.3、本合同段总体施工组织设计;1.4、本单位的施工能力、体会结合现场考察实际情形;1.5、要紧技术标准及法律规范:1.5、1《公路路基施工技术法律规范》(JTJ F10-2025)1.5、2《公路工程施工安全技术规程》(JTJ 076-95)1.5、3《公路工程质量检验评定标准》(JTJ F80/1-2025)二、工程概况三、试验段实施目的1、通过路基试验段施工,摸索并总结出本合同段路基填、挖方施工合理的施工组织和机械设备的配置方式。 2、通过试验,摸索并总结农种区路基路床的降排水,清表及填前碾压、回填及碾压,填筑松铺厚度、不同自然条件下不同碾压遍数和挖方路堑施工的理想设备配置及工艺方法。 3、摸索并总结如何依据部颁质量标准、招标文件的技术质量标准进行土方施工法律规范化的程序治理方法和质量操纵手段。 4、通过本试验段施工,收集有关数据,用于指导本标段路基工程施工,并使之达到设计与法律规范要求。四、施工组织1、试验段治理及施工人员配备表序号姓名职称岗位1陈海兵工程师项目经理2汪立先工程师总工程师3张振强、何学魁工程师道路工程师4李 祖 权工程师质检工程师5邓 健工程师安全员6陈 志 勇工程师试验工程师7陈 丹 丹测量工程师测量负责人2、试验段施工要紧机械及设备配置表序号设备名称型号规格、功率及容量单位 数量在何处1平地机PY200TF135KW台1现场2振动压路机YZ2020T台1现场3装载机ZL503m3台2现场4挖掘机CAT320L1.0m3台2现场5推土机TY220175KW台1现场6自卸汽车红岩、东风20t台6现场3、劳动力配备表序号工作名称工作内容人员配备备 注1技术组技术治理2人到位2安全组安全治理2人到位3测量组测量2人到位4材料组材料组织、治理1人到位5实验室试验检测1人到位6机械组机械化施工10人到位7杂 工6人到位8现场治理现场治理、和谐各班4人到位组工作9合计28人到位项目组织机构图3、施工预备:(1)土源点已按法律规范要求从 CK1+300~CK1+660 取土场做完土工试验,土源属含砂低液限黏土,要紧指标如下:最大干密度 Pa:1.79g/cm3;最佳含水量 W:17.6%;CBR 值 9.2%。(2)试验段相应施工、治理人员已全部...

1、当您付费下载文档后,您只拥有了使用权限,并不意味着购买了版权,文档只能用于自身使用,不得用于其他商业用途(如 [转卖]进行直接盈利或[编辑后售卖]进行间接盈利)。
2、本站所有内容均由合作方或网友上传,本站不对文档的完整性、权威性及其观点立场正确性做任何保证或承诺!文档内容仅供研究参考,付费前请自行鉴别。
3、如文档内容存在违规,或者侵犯商业秘密、侵犯著作权等,请点击“违规举报”。

碎片内容

OK试验段施工方案

确认删除?
VIP
微信客服
  • 扫码咨询
会员Q群
  • 会员专属群点击这里加入QQ群
客服邮箱
回到顶部